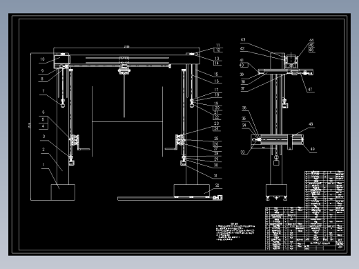
便携式数控火焰等离子两用切割机ug 3D模型

机械图纸名称为:便携式数控火焰等离子两用切割机,属于机械设备,机加工设备分类,软件为ug, 三维模型格式为prt,可在线预览,可编辑,可供设计参考

加入收藏
模型参数

模型ID:10216501

模型大小:827.03KB

软件版本: ug

模型格式:prt

是否可编辑:可修改,包括参数

上传时间:2024-08-02

图纸介绍:

下载模型
作品: 280
粉丝: 0
文件列表
1. wu can.prt
2.68 MB
【便携式数控火焰等离子两用切割机】相关作品
下载提示
×

下载该图档需要消耗288金币!

确认下载
-- 热门充值套餐 · 限时优惠 --
加载中