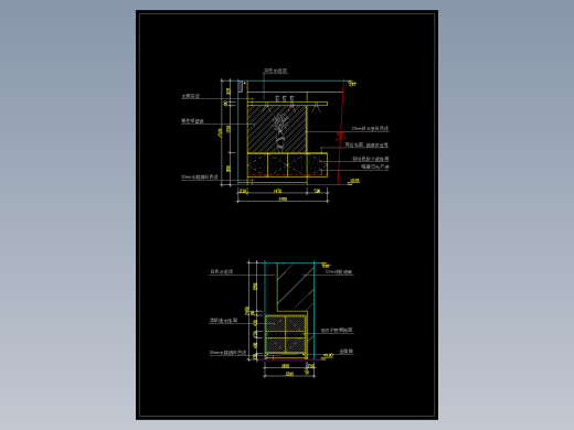
住宅电表安装图集AutoCAD图档

图档名称为:住宅电表安装图集,属于建筑设施,建筑房屋分类,软件为AutoCAD, 图纸格式为dwg,可在线预览,可编辑,可供设计参考

加入收藏
模型参数

模型ID:10211119

模型大小:1.74M

软件版本: AutoCAD 2000

模型格式:dwg

是否可编辑:可修改,包括参数

上传时间:2024-07-28

图纸介绍:

下载模型
作品: 266
粉丝: 0
文件列表
1. Thumbs.db
8 KB
2. 住宅电表安装图集1114.dwg
901 KB
3. 住宅电表安装图集1117.dwg
1.02 MB
4. 住宅电表安装图集426.dwg
390 KB
5. 住宅电表安装图集448.dwg
409 KB
6. 住宅电表安装图集715.dwg
660 KB
7. 住宅电表安装图集74.dwg
69.9 KB
8. 住宅电表安装图集909.dwg
826 KB
下载提示
×

下载该图档需要消耗97金币!

确认下载
-- 热门充值套餐 · 限时优惠 --
加载中