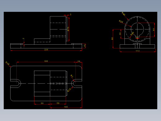
铰链(铭华CL219-1B件(框)SolidWorks 3D模型

3D模型名称为:铰链(铭华CL219-1B件(框),属于设备部件,操作件分类,软件为SolidWorks, 三维模型格式为sldprt,可在线预览,可编辑,可供设计参考

加入收藏
模型参数

模型ID:10203289

模型大小:109.14KB

软件版本: SolidWorks

模型格式:sldprt

是否可编辑:可修改,包括参数

上传时间:2024-07-16

图纸介绍:

下载模型
采菽
作品: 0
粉丝: 0
文件列表
1. 铰链(铭华CL219-1)B件(框).SLDPRT
274 KB
【铰链(铭华CL219-1B件(框)】相关作品
提示
×

下载该图档需要消耗10金币!

确认下载
加载中