带有TAS的法兰球阀结节铸铁球阀带TA法兰结节铁step 3D模型

机械图纸名称为:带有TAS的法兰球阀结节铸铁球阀带TA法兰结节铁,属于设备部件,管道附件分类,软件为step, 三维模型格式为step,可在线预览,可编辑,可供设计参考

加入收藏
模型参数

模型ID:10427115

模型大小:7.32M

软件版本: step

模型格式:step

是否可编辑:可修改,不包括参数

上传时间:2026-04-25

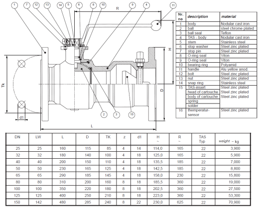
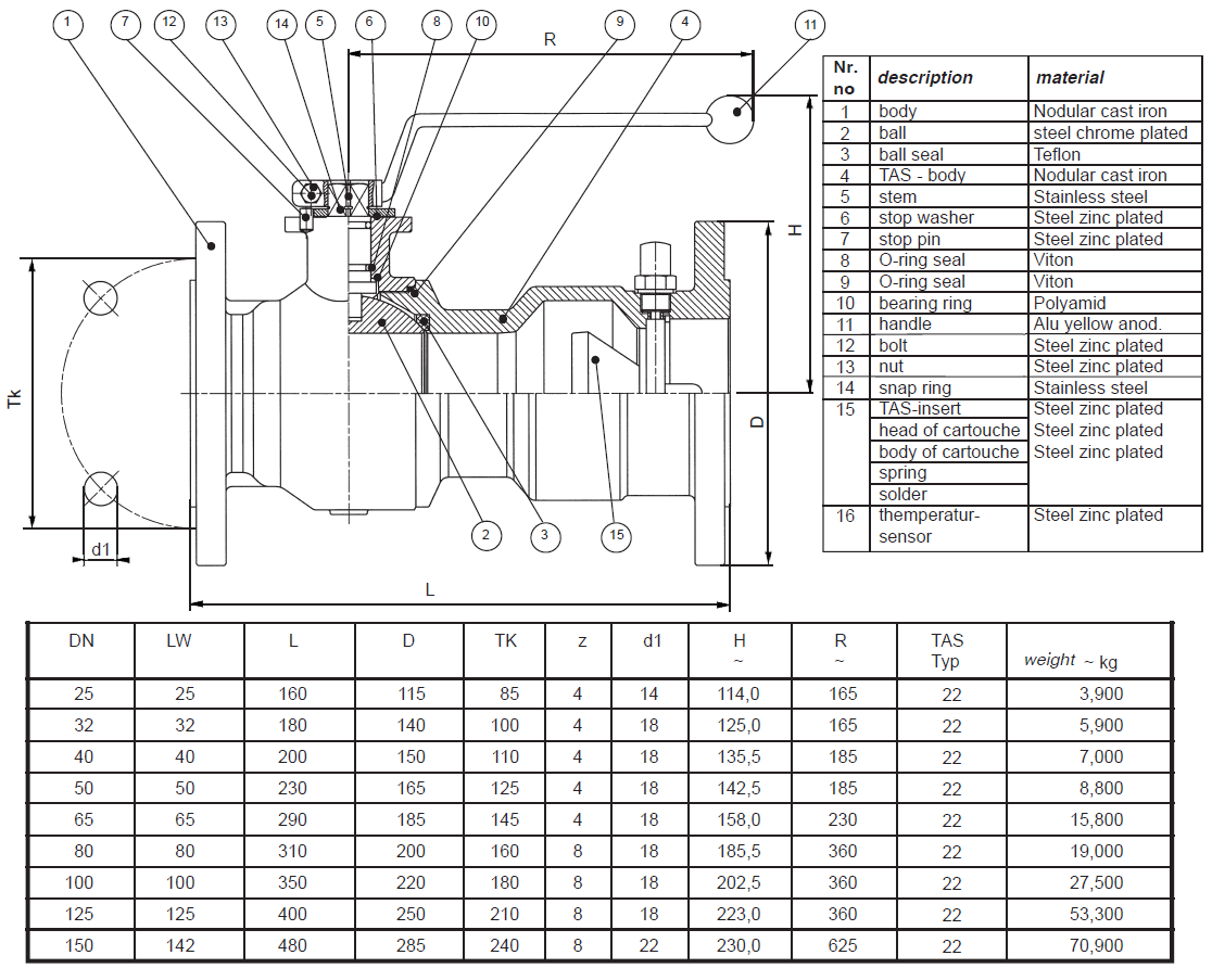
图纸介绍:

下载模型
文件列表
1. 1.JPG
587 KB
2. 2.JPG
1.39 MB
3. 3.JPG
1.38 MB
4. Fondo.png
138 KB
5. Valvula.STEP
3.68 MB
【带有TAS的法兰球阀结节铸铁球阀带TA法兰结节铁】相关作品
下载提示
×

下载该图档需要消耗20金币!

确认下载
-- 热门充值套餐 · 限时优惠 --
加载中