热轧立辊轧机主传动减速系统的设计AutoCAD图档

CAD图档名称为:热轧立辊轧机主传动减速系统的设计,属于设备部件,传动部件分类,软件为AutoCAD, 图纸格式为dwg,pdf,可在线预览,可编辑,可供设计参考

加入收藏
模型参数

模型ID:10425210

模型大小:6.72M

软件版本: AutoCAD 2013

模型格式:dwg,pdf

是否可编辑:可修改,包括参数

上传时间:2026-04-24

图纸介绍:

下载模型
文件列表
1. 1.任务书.doc
45 KB
2. 2.开题报告.doc
332 KB
3. 3.中期报告.doc
618 KB
4. 5.毕业论文.docx
1.1 MB
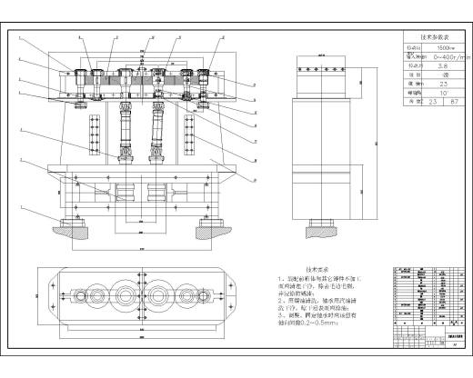
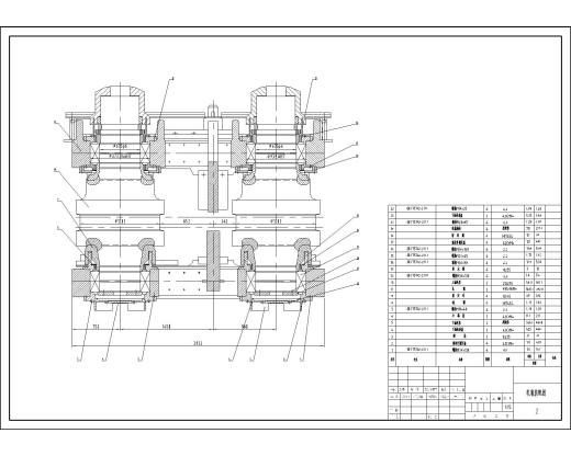
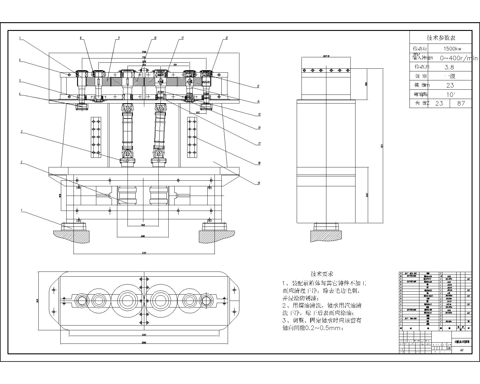
5. A0装配图最终版-模型.jpg
246 KB
6. A0装配图最终版.bak
180 KB
7. A0装配图最终版.dwg
180 KB
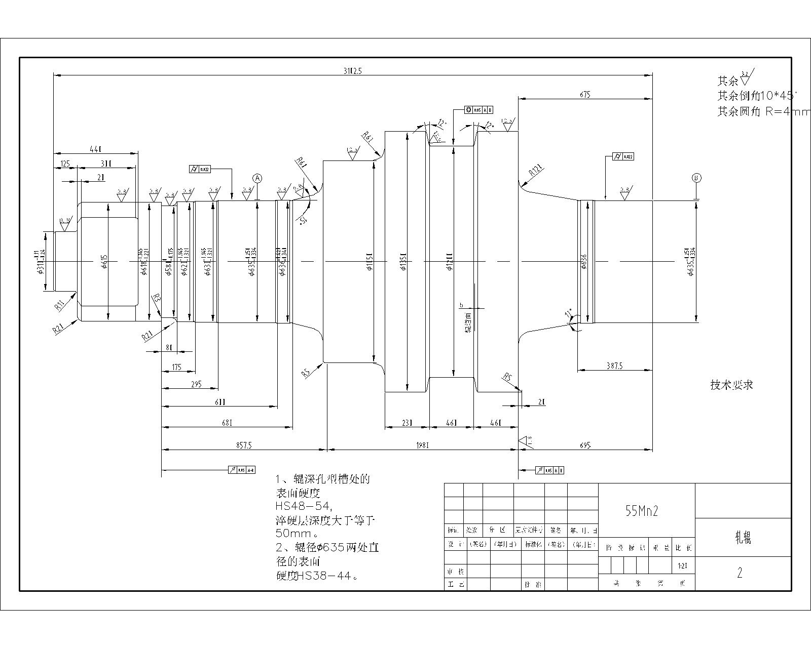
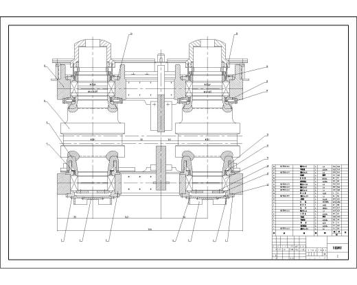
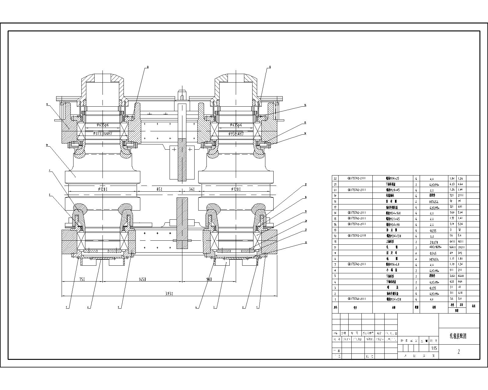
8. A1轧辊装配图-模型.jpg
254 KB
9. A1轧辊装配图.bak
131 KB
10. A1轧辊装配图.dwg
107 KB
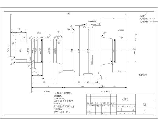
11. A2轧辊装配图-模型.jpg
246 KB
12. A2轧辊装配图.bak
114 KB
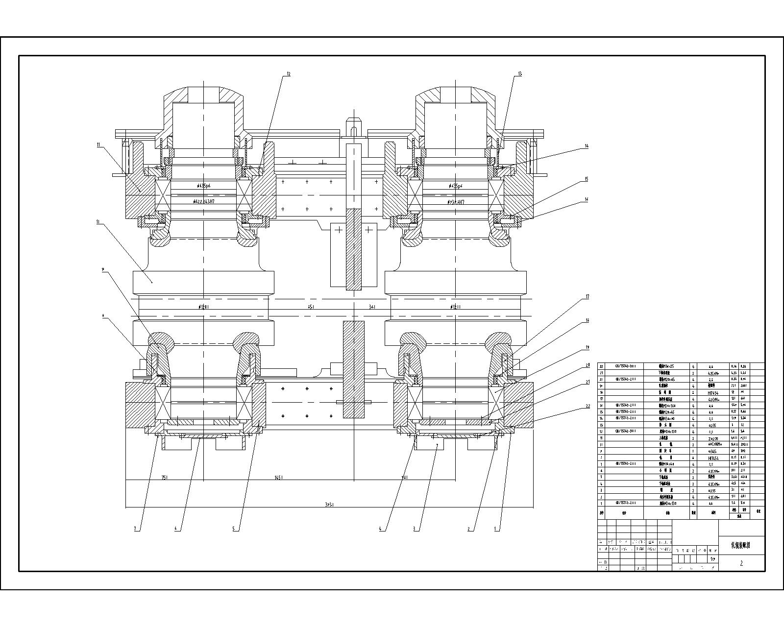
13. A2轧辊装配图.dwg
135 KB
14. A3轧辊零件图最终版-模型.jpg
173 KB
15. A3轧辊零件图最终版.bak
61 KB
16. A3轧辊零件图最终版.dwg
61.1 KB
17. A4大齿轮-模型.jpg
166 KB
18. A4大齿轮.bak
35.7 KB
19. A4大齿轮.dwg
35.6 KB
20. A4套筒-模型.jpg
133 KB
21. A4套筒.bak
30.8 KB
22. A4套筒.dwg
30.9 KB
23. A4惰轮-模型.jpg
179 KB
24. A4惰轮.bak
37.4 KB
25. A4惰轮.dwg
36.5 KB
26. A4轴Ⅱ-模型.jpg
171 KB
27. A4轴Ⅱ.bak
44.8 KB
28. A4轴Ⅱ.dwg
44.1 KB
29. A4轴Ⅲ-模型.jpg
171 KB
30. A4轴Ⅲ.bak
38.4 KB
31. A4轴Ⅲ.dwg
38.6 KB
32. A4齿轮轴-模型.jpg
183 KB
33. A4齿轮轴.bak
45.6 KB
34. A4齿轮轴.dwg
45.7 KB
35. 大齿轮-模型.jpg
167 KB
36. 大齿轮.bak
35.8 KB
37. 大齿轮.dwg
35.6 KB
38. 套筒-模型.jpg
133 KB
39. 套筒.bak
30.7 KB
40. 套筒.dwg
30.9 KB
41. 惰轮-模型.jpg
180 KB
42. 惰轮.bak
37.6 KB
43. 惰轮.dwg
37.7 KB
44. 轧辊装配图终版.bak
181 KB
45. 轴Ⅱ-模型.jpg
171 KB
46. 轴Ⅱ.bak
43.6 KB
47. 轴Ⅱ.dwg
43.4 KB
48. 轴Ⅲ-模型.jpg
171 KB
49. 轴Ⅲ.bak
37 KB
50. 轴Ⅲ.dwg
38 KB
51. 邓国力Kahraman INTERNAL GEAR STRAINS AND LOAD SHARING IN PLANETARYTRANSMISSIONS – MODEL AND EXPERIMENTS.pdf
1.55 MB
52. 邓国力译文.doc
1.06 MB
53. 齿轮轴-模型.jpg
184 KB
54. 齿轮轴.bak
46 KB
55. 齿轮轴.dwg
45.6 KB
【热轧立辊轧机主传动减速系统的设计】相关作品
下载提示
×

下载该图档需要消耗150金币!

确认下载
-- 热门充值套餐 · 限时优惠 --
加载中