F450 四轴飞行器框架stp 3D模型

机械图纸名称为:F450 四轴飞行器框架,属于交通运输,航空航天分类,软件为stp, 三维模型格式为,可在线预览,可编辑,可供设计参考

加入收藏
模型参数

模型ID:10423275

模型大小:1.43M

软件版本: stp

是否可编辑:可修改,包括参数

上传时间:2026-04-22

图纸介绍:

免费下载
文件列表
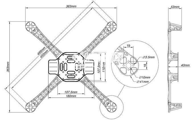
1. Dimensions-of-the-quadcopter-frame-F450.png
203 KB
2. F450 Arm:【 屿双网 www.ysh3d.com 】.stp
2.2 MB
3. F450 Btm Plate:【 屿双网 www.ysh3d.com 】.stp
621 KB
4. F450 Frame Assembly:【 屿双网 www.ysh3d.com 】.stp
3.36 MB
5. F450 Top Plate:【 屿双网 www.ysh3d.com 】.stp
437 KB
6. quadcopter frame f450-550x550w.jpg
48.4 KB
下载提示
×

下载该图档需要消耗0金币!

确认下载
-- 热门充值套餐 · 限时优惠 --
加载中