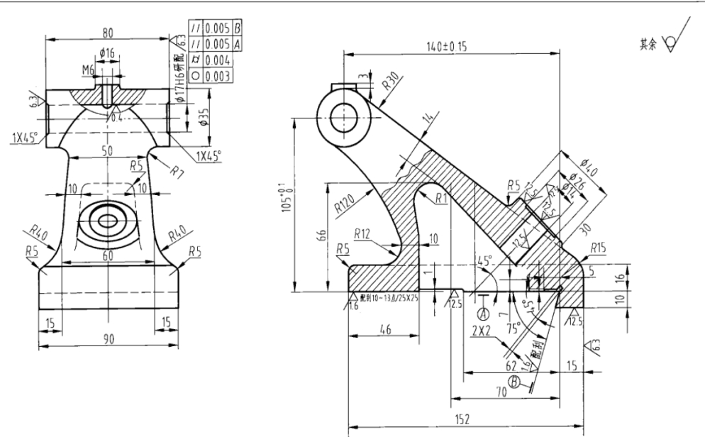
尾座体stp,AutoCAD 3D模型

机械图纸名称为:尾座体,属于机械设备,非标机械分类,软件为stp,AutoCAD, 三维模型格式为dwg,可在线预览,可编辑,可供设计参考

加入收藏
模型参数

模型ID:10404150

模型大小:1.67M

软件版本: stp,AutoCAD 2007

模型格式:dwg

是否可编辑:可修改,包括参数

上传时间:2026-04-02

图纸介绍:

下载模型
文件列表
1. 0767bf07f4427fdf610cfed76e20372.png
52.1 KB
2. 7-14.SAT
588 KB
3. 7-14.stp
275 KB
4. 85e001e8767006c4b9effacc4a9398e.png
203 KB
5. Drawing2.dwg
699 KB
6. 微信截图_20241227174020.png
267 KB
7. 微信截图_20241227174038.png
153 KB
8. 微信截图_20241227174542.png
171 KB
9. 微信截图_20241227174554.png
129 KB
10. 微信截图_20241227174722.png
293 KB
【尾座体】相关作品
下载提示
×

下载该图档需要消耗10金币!

确认下载
-- 热门充值套餐 · 限时优惠 --
加载中