混凝土泵车臂架液压系统设计5张CAD图AutoCAD图档

图档名称为:混凝土泵车臂架液压系统设计5张CAD图,属于设备部件,液压气动元件分类,软件为AutoCAD, 图纸格式为pdf,dwg,可在线预览,可编辑,可供设计参考

加入收藏
模型参数

模型ID:10403979

模型大小:4.01M

软件版本: AutoCAD 2004

模型格式:pdf,dwg

是否可编辑:可修改,包括参数

上传时间:2026-04-02

图纸介绍:

下载模型
作品: 289
粉丝: 0
文件列表
1. X50简介-混凝土泵车臂架液压系统设计5张CAD图.pdf
716 KB
2. 中英文翻译.doc
415 KB
3. 任务书.docx
17 KB
4. 原理图.dwg
85.8 KB
5. 原理图.png
10.8 KB
6. 字数.JPG
51 KB
7. 所包含文档明细.jpg
34.9 KB
8. 打印版原稿.pdf
1.44 MB
9. 摘要.JPG
77 KB
10. 油箱图.dwg
237 KB
11. 油箱图.png
17.8 KB
12. 混凝土泵车臂架液压系统设计说明书.docx
615 KB
13. 目录.JPG
399 KB
14. 装配图.dwg
338 KB
15. 装配图.png
17.8 KB
16. 设计所包含文件.jpg
81.3 KB
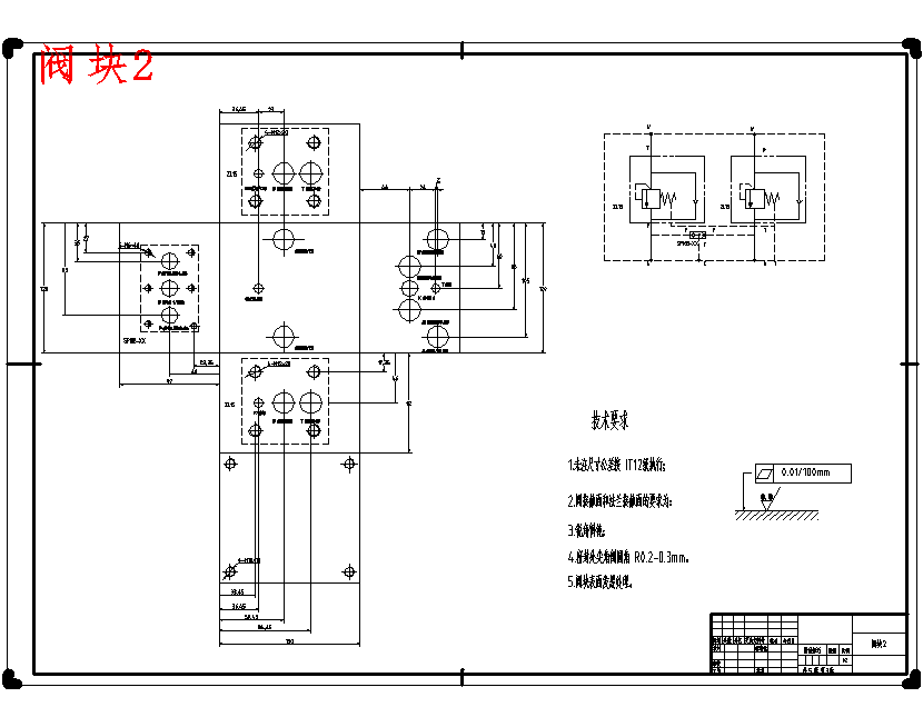
17. 阀块2.dwg
168 KB
18. 阀块2.png
13.8 KB
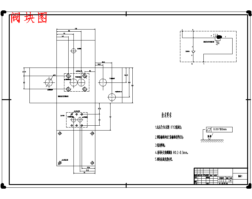
19. 阀块图.dwg
159 KB
20. 阀块图.png
11.8 KB
【混凝土泵车臂架液压系统设计5张CAD图】相关作品
下载提示
×

下载该图档需要消耗10金币!

确认下载
-- 热门充值套餐 · 限时优惠 --
加载中