五自由度桁架机器人与仿真设计-龙门机械手含proe三维及10张CAD图stp,AutoCAD,proe/creo 3D模型

机械图纸名称为:五自由度桁架机器人与仿真设计-龙门机械手含proe三维及10张CAD图,属于机械设备,智能装置分类,软件为stp,AutoCAD,proe/creo, 三维模型格式为prt,pdf,dwg,可在线预览,可编辑,可供设计参考

加入收藏
模型参数

模型ID:10403928

模型大小:35.73M

软件版本: stp,AutoCAD 2007,proe/creo

模型格式:prt,pdf,dwg

是否可编辑:可修改,包括参数

上传时间:2026-04-02

图纸介绍:

下载模型
作品: 288
粉丝: 0
文件列表
1. 160x160-1.prt.1
178 KB
2. 160x160-1.prt.2
208 KB
3. 160x160-1.prt.3
217 KB
4. 160x160-1.prt.4
239 KB
5. 160x160-1.prt.5
292 KB
6. 160x160-1.prt.6
341 KB
7. 160x160.prt.1
144 KB
8. 160x160.prt.2
172 KB
9. 160x160.prt.3
204 KB
10. 160x160.prt.4
238 KB
11. 160x160.prt.5
227 KB
12. 160x160.prt.6
224 KB
13. 160x160.prt.7
223 KB
14. 160x160.prt.8
223 KB
15. 36000_1.prt.8
207 KB
16. 36000_1.prt.9
170 KB
17. 36000_2.prt.8
206 KB
18. 36000_2.prt.9
173 KB
19. 36000_3.prt.10
116 KB
20. 36000_3.prt.9
128 KB
21. 36200.asm.10
96.3 KB
22. 36200.asm.11
179 KB
23. 36200.asm.6
62.6 KB
24. 36200.asm.7
65.1 KB
25. 36200.asm.8
64 KB
26. 36200.asm.9
95 KB
27. 36206.xas
139 KB
28. 36206_1.xpr
75.1 KB
29. 36206_2.xpr
75.7 KB
30. 36206_3.xpr
43.9 KB
31. A三维总装图.JPG
147 KB
32. A三维总装图.JPG
147 KB
33. X50简介-五自由度桁架机器人与仿真设计-龙门机械手含proe三维及10张CAD图.pdf
926 KB
34. chitiao.prt.1
4.52 MB
35. chitiao.prt.2
4.67 MB
36. chitiao1.prt.1
3.02 MB
37. chitiao1.prt.2
3 MB
38. daogui-1.prt.1
365 KB
39. daogui.prt.1
416 KB
40. dianji.prt.2
282 KB
41. dianji1.prt.1
571 KB
42. dianji1.prt.2
593 KB
43. dianji2.prt.1
577 KB
44. dianjizhouduangai.prt.1
76.2 KB
45. dianjizhouduangai.prt.2
82.3 KB
46. dianjizuo.prt.1
56.9 KB
47. dianjizuo.prt.2
71 KB
48. dianjizuo.prt.3
72.9 KB
49. dianjizuo.prt.4
113 KB
50. dianjizuo.prt.5
144 KB
51. dianjizuo.prt.6
149 KB
52. diban.prt.1
70.5 KB
53. gaiban.prt.1
77.6 KB
54. gaiban.prt.2
82.3 KB
55. gaiban.prt.3
78 KB
56. gaiban.prt.4
79.1 KB
57. gangti.prt.1
528 KB
58. gangti.prt.2
547 KB
59. gangti.prt.3
542 KB
60. gangti.prt.4
542 KB
61. gouzi.prt.1
184 KB
62. gudingban.prt.1
48.5 KB
63. gudingban.prt.2
66 KB
64. gudingban.prt.3
65 KB
65. guoduban.asm.1
63.9 KB
66. guoduban1.prt.1
62.3 KB
67. guoduban2.prt.1
46.4 KB
68. hangjiajiqiren.asm.1
155 KB
69. hangjiajiqiren.asm.10
215 KB
70. hangjiajiqiren.asm.11
242 KB
71. hangjiajiqiren.asm.12
238 KB
72. hangjiajiqiren.asm.13
241 KB
73. hangjiajiqiren.asm.14
216 KB
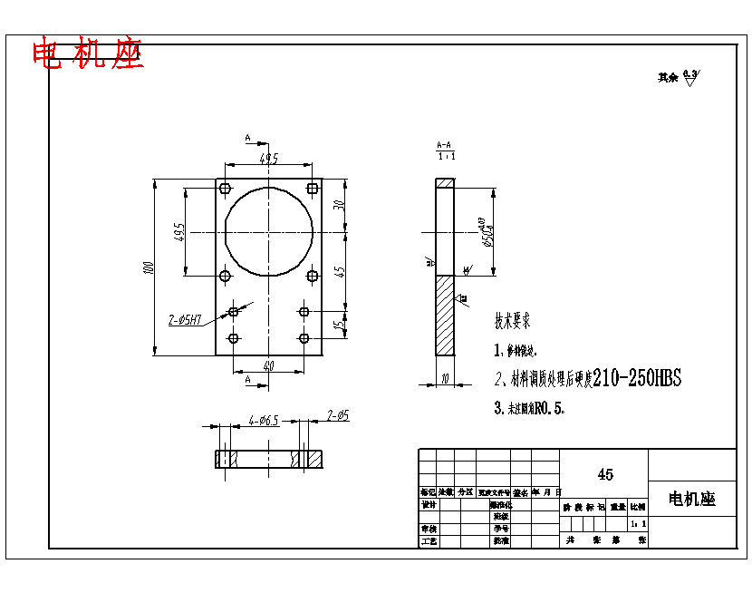
74. hangjiajiqiren.asm.15
217 KB
75. hangjiajiqiren.asm.16
217 KB
76. hangjiajiqiren.asm.17
216 KB
77. hangjiajiqiren.asm.18
248 KB
78. hangjiajiqiren.asm.19
223 KB
79. hangjiajiqiren.asm.2
186 KB
80. hangjiajiqiren.asm.20
249 KB
81. hangjiajiqiren.asm.21
254 KB
82. hangjiajiqiren.asm.22
324 KB
83. hangjiajiqiren.asm.23
297 KB
84. hangjiajiqiren.asm.3
160 KB
85. hangjiajiqiren.asm.4
207 KB
86. hangjiajiqiren.asm.5
183 KB
87. hangjiajiqiren.asm.6
183 KB
88. hangjiajiqiren.asm.7
213 KB
89. hangjiajiqiren.asm.8
186 KB
90. hangjiajiqiren.asm.9
186 KB
91. hangjiajiqiren__out.log.1
5.26 KB
92. hanjieban1.prt.1
62.4 KB
93. hanjieban2.prt.1
69.2 KB
94. hougai.prt.1
106 KB
95. huaxue.prt.1
693 KB
96. huosai.prt.1
201 KB
97. jiaqiangjin1.prt.1
50.3 KB
98. lizhu.asm.1
91.2 KB
99. lizhu.prt.1
71.7 KB
100. lizhu160.prt.1
73.5 KB
101. lizhu1800.prt.1
70.5 KB
102. lizhu__out.log.1
4.84 KB
103. m12.prt.1
132 KB
104. m12.prt.2
149 KB
105. m122.prt.1
146 KB
106. m16.prt.1
187 KB
107. m16.prt.2
125 KB
108. m16.prt.3
136 KB
109. m16.prt.4
136 KB
110. m16.prt.5
139 KB
111. m8.prt.1
148 KB
112. m8.prt.2
152 KB
113. m8.prt.3
156 KB
114. m8.prt.4
124 KB
115. shangjiaqingjin.prt.1
46.9 KB
116. shangzhichengban.prt.1
69.7 KB
117. shoubugaaiban-2.prt.1
76.5 KB
118. shoubugaaiban.prt.1
75.7 KB
119. shoubugaaiban.prt.2
110 KB
120. shoubugaaiban.prt.3
163 KB
121. shouzhua.asm.1
107 KB
122. shouzhua.asm.2
111 KB
123. shouzhua.asm.3
111 KB
124. shuipinghengliang.asm.1
70.6 KB
125. shuipinghengliang__out.log.1
4.88 KB
126. shuobizujian.asm.1
52.2 KB
127. shuobizujian.asm.2
52.9 KB
128. shuobizujian.asm.3
53.2 KB
129. shuobizujian.asm.4
70.4 KB
130. shuobizujian.asm.5
53.9 KB
131. shuobizujian.asm.6
54.2 KB
132. shuobizujian.asm.7
54.6 KB
133. trail.txt.1
16.6 KB
134. xiaochilun.prt.1
597 KB
135. xiaochilun.prt.2
623 KB
136. zhou.prt.1
69.8 KB
137. zhoutao.prt.1
81.5 KB
138. zhoutao.prt.2
81.7 KB
139. zhuangpeitu.stp
4.36 MB
140. zhuazi.prt.1
168 KB
141. zonghzuangtu.stp
4.35 MB
142. 中间过渡板.dwg
911 KB
143. 中间过渡板.png
8 KB
144. 五自由度桁架机器人与仿真设计说明书.doc
2.42 MB
145. 外文原文.pdf
436 KB
146. 外文翻译.doc
708 KB
147. 字数.JPG
73.9 KB
148. 字数.JPG
73.9 KB
149. 手抓旋转.avi
637 KB
150. 手爪组件.dwg
937 KB
151. 手爪组件.png
22.6 KB
152. 摘要.JPG
182 KB
153. 摘要目录.doc
62.7 KB
154. 横向小齿轮.dwg
905 KB
155. 横向小齿轮.png
13.2 KB
156. 横向齿条.dwg
905 KB
157. 横向齿条.png
9.76 KB
158. 水平方向录像.avi
1.6 MB
159. 水平横梁.dwg
914 KB
160. 水平横梁.png
9.14 KB
161. 电机座.dwg
905 KB
162. 电机座.png
12.1 KB
163. 目录.JPG
248 KB
164. 立柱组件.dwg
908 KB
165. 立柱组件.png
8.62 KB
166. 竖直方向录像 .avi
1.22 MB
167. 纵向小齿轮.dwg
902 KB
168. 纵向小齿轮.png
13.1 KB
169. 纵向齿条.dwg
904 KB
170. 纵向齿条.png
9.85 KB
171. 装配图.dwg
1.46 MB
172. 装配图.png
19.4 KB
173. 设计所包含文件.jpg
151 KB
【五自由度桁架机器人与仿真设计-龙门机械手含proe三维及10张CAD图】相关作品
下载提示
×

下载该图档需要消耗200金币!

确认下载
-- 热门充值套餐 · 限时优惠 --
加载中