湖南某水电站船闸输水廊道反弧门630KN-3.65m液压启闭机设计5张CAD图AutoCAD图档

图档名称为:湖南某水电站船闸输水廊道反弧门630KN-3.65m液压启闭机设计5张CAD图,属于设备部件,液压气动元件分类,软件为AutoCAD, 图纸格式为pdf,dwg,可在线预览,可编辑,可供设计参考

加入收藏
模型参数

模型ID:10402320

模型大小:2.14M

软件版本: AutoCAD 2004

模型格式:pdf,dwg

是否可编辑:可修改,包括参数

上传时间:2026-03-31

图纸介绍:

下载模型
作品: 250
粉丝: 0
文件列表
1. X50简介-湖南某水电站船闸输水廊道反弧门630KN-3.65m液压启闭机设计5张CAD图.pdf
201 KB
2. 外文翻译.docx
62.7 KB
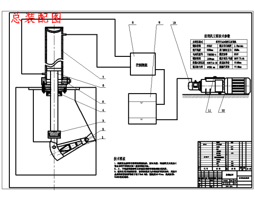
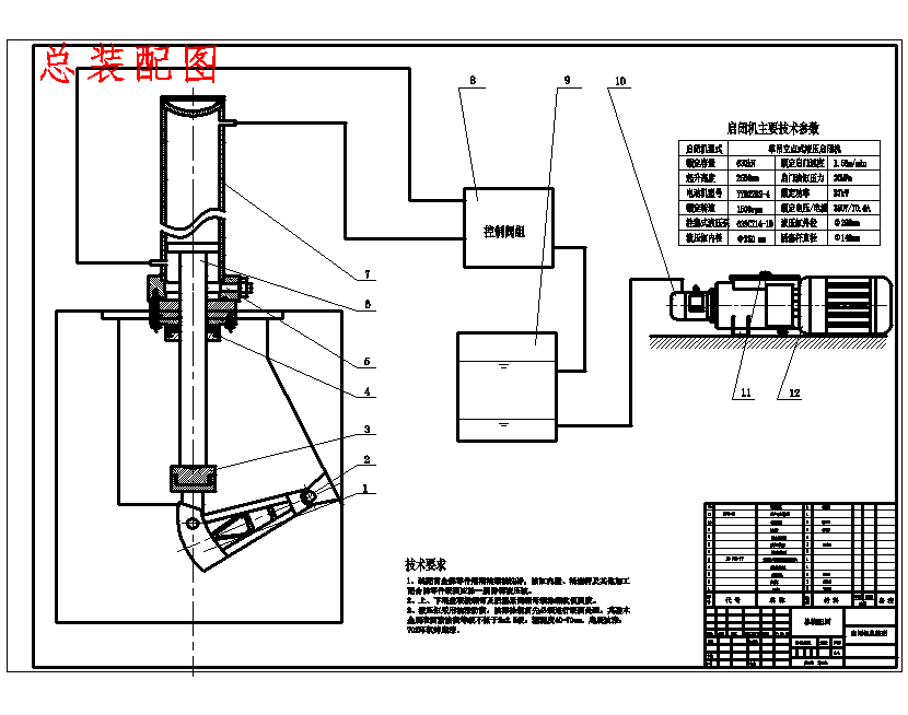
3. 总装配图.dwg
99.4 KB
4. 总装配图.png
18.7 KB
5. 所包含文档明细.jpg
61.5 KB
6. 打印原稿.pdf
1.1 MB
7. 活塞杆.dwg
55.4 KB
8. 活塞杆.png
8.11 KB
9. 液压系统图.dwg
92.3 KB
10. 液压系统图.png
16.2 KB
11. 液压缸.dwg
72.9 KB
12. 液压缸.png
17.3 KB
13. 湖南某水电站船闸输水廊道反弧门630KN-3.65m 液压启闭机设计说明书.docx
445 KB
14. 湖南某水电站船闸输水廊道反弧门630KN-3.65m液压启闭机设计任务书.docx
16.6 KB
15. 设计所包含文件.jpg
74 KB
16. 销轴.dwg
51.9 KB
17. 销轴.png
7.7 KB
【湖南某水电站船闸输水廊道反弧门630KN-3.65m液压启闭机设计5张CAD图】相关作品
下载提示
×

下载该图档需要消耗10金币!

确认下载
-- 热门充值套餐 · 限时优惠 --
加载中