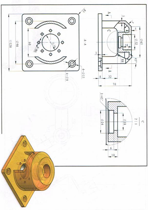
052-SW16练习题SolidWorks 3D模型

机械图纸名称为:052-SW16练习题,属于机械设备,非标机械分类,软件为SolidWorks, 三维模型格式为sldprt,可在线预览,可编辑,可供设计参考

加入收藏
模型参数

模型ID:10400141

模型大小:1.94M

软件版本: SolidWorks

模型格式:sldprt

是否可编辑:可修改,包括参数

上传时间:2026-03-29

图纸介绍:

下载模型
作品: 279
粉丝: 0
文件列表
1. 052.SLDPRT
150 KB
2. image052.jpg
63.6 KB
3. 必看文档+STP如何打开+sw文件重命名.docx
1.84 MB
下载提示
×

下载该图档需要消耗10金币!

确认下载
-- 热门充值套餐 · 限时优惠 --
加载中