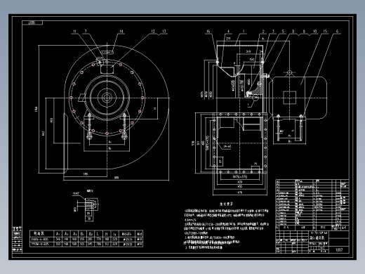
A3004010-离心通风机igs 3D模型

机械图纸名称为:A3004010-离心通风机,属于机械设备,通用设备分类,软件为igs, 三维模型格式为igs,可在线预览,可编辑,可供设计参考

加入收藏
模型参数

模型ID:10386264

模型大小:20.1M

软件版本: igs

模型格式:igs

是否可编辑:可修改,不包括参数

上传时间:2026-03-11

图纸介绍:

下载模型
作品: 275
粉丝: 1
文件列表
1. 1.jpg
72.5 KB
2. 2.jpg
68.5 KB
3. 3.jpg
112 KB
4. VCS-CB03 P50 Q115.IGS
19.4 MB
下载提示
×

下载该图档需要消耗50金币!

确认下载
-- 热门充值套餐 · 限时优惠 --
加载中