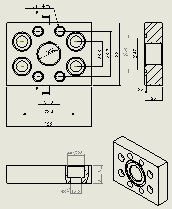
SAE-法兰SolidWorks 3D模型

机械图纸名称为:SAE-法兰,属于设备部件,管道附件分类,软件为SolidWorks, 三维模型格式为sldprt,可在线预览,可编辑,可供设计参考

加入收藏
模型参数

模型ID:10378436

模型大小:920.98KB

软件版本: SolidWorks

模型格式:sldprt

是否可编辑:可修改,包括参数

上传时间:2026-03-01

图纸介绍:

下载模型
作品: 290
粉丝: 0
文件列表
1. 1.25x1.5.SLDPRT
146 KB
2. 1.png
9.69 KB
3. SAE1.25x1.5.SLDDRW
154 KB
4. Sae 4 inch.SLDDRW
414 KB
5. Sae 4 inch.SLDPRT
175 KB
下载提示
×

下载该图档需要消耗10金币!

确认下载
-- 热门充值套餐 · 限时优惠 --
加载中