海带切断机+计算AutoCAD图档

图档名称为:海带切断机+计算,属于机械设备,非标机械分类,软件为AutoCAD, 图纸格式为dwg,可在线预览,可编辑,可供设计参考

加入收藏
模型参数

模型ID:10376437

模型大小:1.17M

软件版本: AutoCAD 2004

模型格式:dwg

是否可编辑:可修改,包括参数

上传时间:2026-02-24

图纸介绍:

下载模型
文件列表
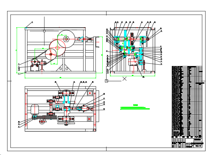
1. A0总装图.dwg
295 KB
2. A1机架图.dwg
105 KB
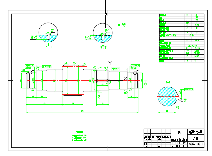
3. A2一轴.dwg
66.7 KB
4. A2三轴.dwg
83.3 KB
5. A3二轴.dwg
44.5 KB
6. A3导杆.dwg
37 KB
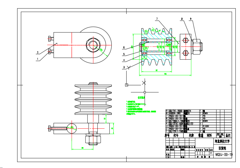
7. A3张紧轮.dwg
67.4 KB
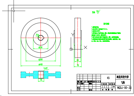
8. A3飞轮.dwg
24 KB
9. A3齿轮一.dwg
44.1 KB
10. A3齿轮二.dwg
52 KB
11. 副轴.png
53.4 KB
12. 张紧轮.png
70.6 KB
13. 总装图.png
108 KB
14. 计算参考.docx
385 KB
15. 飞轮.png
34.1 KB
下载提示
×

下载该图档需要消耗10金币!

确认下载
-- 热门充值套餐 · 限时优惠 --
加载中