D1459-常温清水单级单吸卧式离心泵设计==709109=250AutoCAD图档

图档名称为:D1459-常温清水单级单吸卧式离心泵设计==709109=250,属于机械设备,通用设备分类,软件为AutoCAD, 图纸格式为pdf,dwg,可在线预览,可编辑,可供设计参考

加入收藏
模型参数

模型ID:10376021

模型大小:6.83M

软件版本: AutoCAD 2007

模型格式:pdf,dwg

是否可编辑:可修改,包括参数

上传时间:2026-02-24

图纸介绍:

下载模型
文件列表
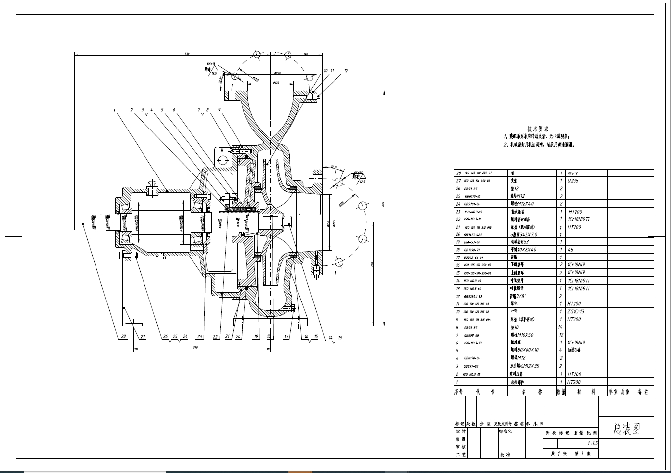
1. A0-单级单吸卧式离心泵总装配图.PDF
103 KB
2. A0-单级单吸卧式离心泵总装配图.dwg
165 KB
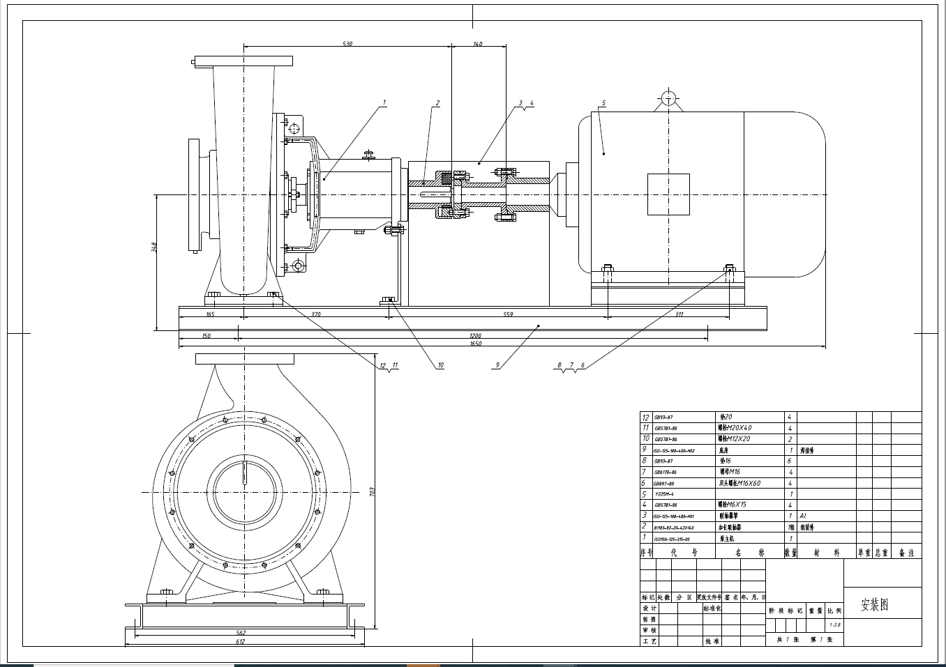
3. A0-安装图.PDF
53.9 KB
4. A0-安装图.dwg
114 KB
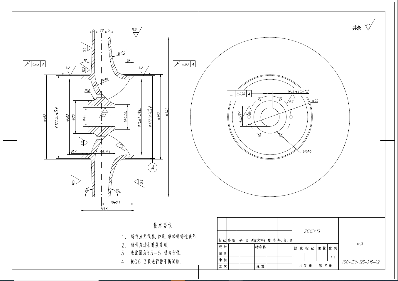
5. A1-叶轮.PDF
43 KB
6. A1-叶轮.dwg
132 KB
7. A1-泵盖(填料密封).PDF
46.4 KB
8. A1-泵盖(填料密封).dwg
104 KB
9. A1-泵盖(机械密封).PDF
40.9 KB
10. A1-泵盖(机械密封).dwg
98.1 KB
11. A1-联轴器罩.PDF
18.2 KB
12. A1-联轴器罩.dwg
55.7 KB
13. A1-轴.PDF
41.8 KB
14. A1-轴.dwg
101 KB
15. A2-悬架体.PDF
97.3 KB
16. A2-悬架体.dwg
159 KB
17. A2-泵体.PDF
57.7 KB
18. A2-泵体.dwg
129 KB
19. A3-上耐磨环.PDF
22.4 KB
20. A3-上耐磨环.dwg
67.4 KB
21. A3-下耐磨环.PDF
22.2 KB
22. A3-下耐磨环.dwg
67.9 KB
23. A3-叶轮垫片.PDF
19.7 KB
24. A3-叶轮垫片.dwg
67.2 KB
25. A3-叶轮木模图.PDF
99.5 KB
26. A3-叶轮木模图.dwg
349 KB
27. A3-叶轮螺母.PDF
21.7 KB
28. A3-叶轮螺母.dwg
70.1 KB
29. A3-填料压盖.PDF
23 KB
30. A3-填料压盖.dwg
74.7 KB
31. A3-填料密封轴套.PDF
24.2 KB
32. A3-填料密封轴套.dwg
69.4 KB
33. A3-填料环.PDF
27.1 KB
34. A3-填料环.dwg
73.9 KB
35. A3-悬架支架.PDF
21.5 KB
36. A3-悬架支架.dwg
63.3 KB
37. A3-蜗壳木模图.PDF
49.2 KB
38. A3-蜗壳木模图.dwg
126 KB
39. A3-轴承盖.PDF
26.6 KB
40. A3-轴承盖.dwg
92.8 KB
41. 任务书:常温清水单级单吸卧式离心泵设计(ns=80.6).doc
28 KB
42. 外文翻译:结构的材料.docx
1.03 MB
43. 常温清水单级单吸卧式离心泵设计(ns=80.6).docx
790 KB
44. 常温清水单级单吸卧式离心泵设计(ns=80.6).pdf
1.08 MB
45. 开题报告:常温清水单级单吸卧式离心泵设计(ns=80.6).doc
58.5 KB
46. 微信截图_20240703225850.png
290 KB
47. 微信截图_20240703225900.png
307 KB
48. 微信截图_20240703225902.png
234 KB
49. 微信截图_20240703225905.png
228 KB
50. 微信截图_20240703225910.png
309 KB
下载提示
×

下载该图档需要消耗20金币!

确认下载
-- 热门充值套餐 · 限时优惠 --
加载中