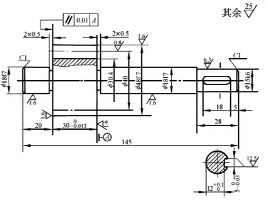
轴类加工工艺设计AutoCAD,SolidWorks 3D模型

机械图纸名称为:轴类加工工艺设计,属于机械设备,非标机械分类,软件为AutoCAD,SolidWorks, 三维模型格式为dwg,sldprt,可在线预览,可编辑,可供设计参考

加入收藏
模型参数

模型ID:10374769

模型大小:1.02M

软件版本: AutoCAD 2023,SolidWorks

模型格式:dwg,sldprt

是否可编辑:可修改,包括参数

上传时间:2026-02-22

图纸介绍:

下载模型
作品: 305
粉丝: 0
文件列表
1. 51258b84411d1e8eb9ff21e9a305a24.jpg
27.9 KB
2. 工序卡.doc
537 KB
3. 工序图.DWG
235 KB
4. 工艺过程卡.doc
68.5 KB
5. 毛坯图.DWG
235 KB
6. 设计说明书4.doc
466 KB
7. 零件1.SLDDRW
150 KB
8. 零件1.SLDPRT
124 KB
9. 零件图.DWG
166 KB
10. 零件图.bak
77.3 KB
【轴类加工工艺设计】相关作品
下载提示
×

下载该图档需要消耗10金币!

确认下载
-- 热门充值套餐 · 限时优惠 --
加载中