柑桔套袋装置设计SolidWorks,AutoCAD 3D模型

机械图纸名称为:柑桔套袋装置设计,属于机械设备,非标机械分类,软件为SolidWorks,AutoCAD, 三维模型格式为sldasm,sldprt,dwg,可在线预览,可编辑,可供设计参考

加入收藏
模型参数

模型ID:10374094

模型大小:22.91M

软件版本: SolidWorks,AutoCAD 2017

模型格式:sldasm,sldprt,dwg

是否可编辑:可修改,包括参数

上传时间:2026-02-19

图纸介绍:

下载模型
文件列表
1. 4GN-3~18K组合.SLDASM
700 KB
2. 4X4X25组合.sldprt
26.8 KB
3. 6082C2-BEARING_1组合.sldprt
29.1 KB
4. 6082C2-BEARING组合.sldprt
29.5 KB
5. B-A-03-004组合.sldprt
46 KB
6. B-A-04-003组合.sldprt
242 KB
7. B-A-06-004组合.sldprt
204 KB
8. B-A-12-005组合.sldprt
27.6 KB
9. B-A-13-006组合.sldprt
229 KB
10. B-A-17-002组合.sldprt
27.3 KB
11. B-A-28-007_1组合.sldprt
35 KB
12. B-A-42-018_1组合.sldprt
52.1 KB
13. CDG1RN20-75-M9B(0_0_0).sldasm
203 KB
14. CG1R20-75_ROD.sldprt
104 KB
15. CG1RN20-75(0)_BODY.sldprt
159 KB
16. CPJ30_10_b_l.sldprt
124 KB
17. CPJ30_12_b_r.sldprt
119 KB
18. CPJ30_BL_10_12.sldasm
133 KB
19. D_BL_D30.sldprt
175 KB
20. D_M9B_BMA2-020_BJ3-1(20-75).sldprt
437 KB
21. GB/T276-94深沟球轴承6001-2Z.SLDPRT
520 KB
22. GB/T276-94深沟球轴承6003-2Z.SLDPRT
596 KB
23. GB/T276-94深沟球轴承6205-2Z.SLDPRT
610 KB
24. GB/T41-20001型六角螺母C级M20.SLDPRT
102 KB
25. GB/T5781-2000六角头螺栓全螺纹C级M8×25.SLDPRT
158 KB
26. HTPA28S5M150_A_P15.sldasm
23.3 KB
27. Headless_pin_DIN_913___M4x6.sldprt
90.3 KB
28. M425-401.411.402.412组合.SLDASM
638 KB
29. MCGS32_14_15.sldasm
138 KB
30. MCGS32_14_15_b.sldprt
204 KB
31. MSMJ042G1U.SLDPRT
739 KB
32. NT-02-CG1.sldprt
114 KB
33. S-SBACA6902ZZ.SLDASM
127 KB
34. SHZ..Y..斜齿轮-蜗轮减速电机[SHZ47-60.65╱Y263-4╱M1╱R╱A╱φ30].SLDASM
676 KB
35. STP_SHZ47_φ30_63_三相异步电动机_法兰盘指向A_0°(默认)_SHZ47-97.sldprt
1.07 MB
36. STP_SHZ47_φ30_63_三相异步电动机_法兰盘指向A_0°(默认)_电机.sldprt
1.11 MB
37. _HTPA28S5M150_A_P15_b_2.sldprt
273 KB
38. _RRING-C-INT-28.sldprt
26.3 KB
39. _S-SBACA6902ZZ_h.sldprt
27.4 KB
40. _SET_SCREW5_4_4.sldprt
38.9 KB
41. _bearing_6902.sldprt
25.3 KB
42. readme-and-terms-of-use-3d-cad-models.txt
1.35 KB
43. 三维.png
159 KB
44. 三维模型.png
159 KB
45. 上外壳.SLDPRT
54 KB
46. 主动套辊1.SLDPRT
81.2 KB
47. 从动辊.sldasm
32.2 KB
48. 伺服电机座.SLDPRT
96.1 KB
49. 伺服电机座.dwg
86.7 KB
50. 入口护板.SLDPRT
53.9 KB
51. 出口护罩.SLDPRT
101 KB
52. 切刀安装块.SLDPRT
84.2 KB
53. 切刀安装块2.SLDPRT
83.7 KB
54. 压制轮.SLDPRT
73.7 KB
55. 压制轮轴.SLDPRT
81.6 KB
56. 压辊.SLDPRT
57.8 KB
57. 同步带.SLDPRT
76.8 KB
58. 图纸.png
6.29 KB
59. 圆柱齿轮30×2.SLDPRT
246 KB
60. 外壳.SLDPRT
79.8 KB
61. 套辊1.SLDPRT
90 KB
62. 存料箱子.SLDPRT
103 KB
63. 导向板.png
24.1 KB
64. 导向板1.SLDPRT
120 KB
65. 导向板2.SLDPRT
85.9 KB
66. 导向板2.dwg
74.6 KB
67. 封袋切割导向杆.SLDPRT
92.4 KB
68. 封袋切断机构.SLDASM
324 KB
69. 底座.SLDPRT
417 KB
70. 底座.dwg
99.9 KB
71. 底座.png
34.2 KB
72. 接爪.SLDPRT
97 KB
73. 提升机.SLDASM
699 KB
74. 提送机护板.SLDPRT
66.3 KB
75. 提送机皮带.SLDPRT
203 KB
76. 提送机腿.SLDPRT
166 KB
77. 摘要.png
34.8 KB
78. 支架.SLDPRT
89 KB
79. 支架11.SLDPRT
68.4 KB
80. 料带.SLDPRT
92.6 KB
81. 料带装置.png
16.3 KB
82. 料带辊.SLDASM
267 KB
83. 料带辊筒.SLDPRT
89.1 KB
84. 料带辊筒.dwg
50.6 KB
85. 料斗.SLDPRT
121 KB
86. 柑桔套袋装置设计.docx
765 KB
87. 柑橘套袋装置装配图.dwg
538 KB
88. 横封安装板.SLDPRT
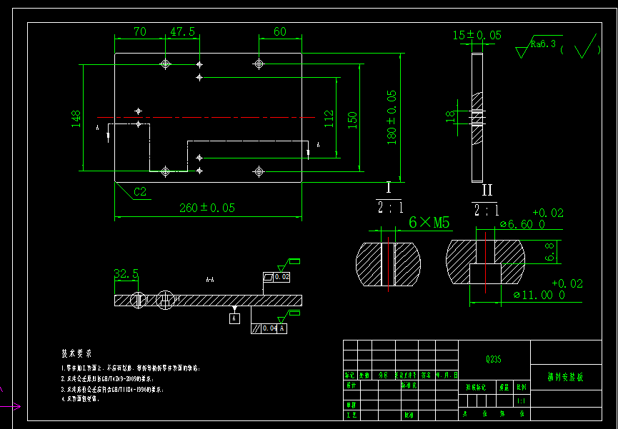
51.9 KB
89. 横封安装板.dwg
93.4 KB
90. 横封安装版.png
32 KB
91. 水果套袋机总装.SLDASM
3.8 MB
92. 水果套袋机总装.SLDDRW
287 KB
93. 滑道.SLDPRT
57.9 KB
94. 滚筒3.02.211.00.01010.SLDDRW
864 KB
95. 滚筒轴3.01.211.00.01011.SLDDRW
888 KB
96. 热塑轮.SLDPRT
84.2 KB
97. 热塑轮板.SLDPRT
68.3 KB
98. 热塑轮轴.SLDPRT
72 KB
99. 热封刀.SLDPRT
83.8 KB
100. 热封垫.SLDPRT
78.7 KB
101. 电机安装板.SLDPRT
140 KB
102. 目录.png
26.3 KB
103. 结构图.png
23.5 KB
104. 装配图.png
35.9 KB
105. 说明书.png
132 KB
106. 调速电机座.SLDPRT
116 KB
107. 调速电机座.dwg
85.2 KB
108. 象鼻1.SLDPRT
195 KB
109. 象鼻2.SLDPRT
143 KB
110. 象鼻3.SLDPRT
121 KB
111. 象鼻装配.SLDASM
152 KB
112. 轴测图.png
128 KB
113. 辊套.SLDPRT
76.6 KB
114. 辊支架.SLDPRT
145 KB
115. 辊筒.SLDPRT
101 KB
116. 镜向提送机腿.SLDPRT
65.4 KB
117. 限位圈3.00.211.00.01009.SLDDRW
808 KB
118. 零件2 - 副本.sldprt
116 KB
119. 零件2.sldprt
123 KB
120. 零件57.SLDPRT
33.7 KB
下载提示
×

下载该图档需要消耗100金币!

确认下载
-- 热门充值套餐 · 限时优惠 --
加载中