机器人底座sw22可编辑+bomstep,AutoCAD,SolidWorks 3D模型

3D模型名称为:机器人底座sw22可编辑+bom,属于机械设备,智能装置分类,软件为step,AutoCAD,SolidWorks, 三维模型格式为pdf,dwg,sldprt,step,sldasm,可在线预览,可编辑,可供设计参考

加入收藏
模型参数

模型ID:10371677

模型大小:65.41M

软件版本: step,AutoCAD 2022,SolidWorks

模型格式:pdf,dwg,sldprt,step,sldasm

是否可编辑:可修改,包括参数

上传时间:2026-02-03

图纸介绍:

下载模型
清淮
作品: 0
粉丝: 0
文件列表
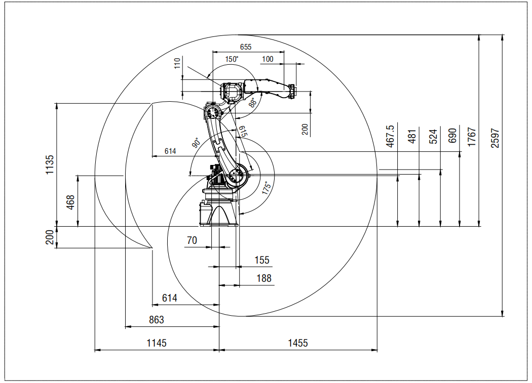
1. 12kg运动范围1.pdf
113 KB
2. 12kg运动范围2.pdf
81.8 KB
3. 22015-50-00-0011-A.DWG
43.5 KB
4. 22015-50-00-0011-A.SLDPRT
149 KB
5. 22015-50-00-0011-A.STEP
81.8 KB
6. 22015-50-00-0012-A.DWG
44.7 KB
7. 22015-50-00-0012-A.SLDPRT
163 KB
8. 22015-50-00-0012-A.STEP
89.7 KB
9. 22015-50-00-0014-A.SLDPRT
103 KB
10. 22015-50-00-0015-A.SLDPRT
177 KB
11. 22015-50-00-0016-A.SLDPRT
132 KB
12. 22015-50-00-0017-A.SLDPRT
122 KB
13. 22015-50-00-0018-A.SLDPRT
107 KB
14. A1.SLDPRT
2.95 MB
15. A2.SLDPRT
5.04 MB
16. A3.SLDPRT
1.61 MB
17. A4.SLDPRT
9.05 MB
18. A5.SLDPRT
2.62 MB
19. A6.SLDPRT
1.19 MB
20. AT12R1450控制柜.SLDPRT
417 KB
21. AT12R1450本体三维.SLDASM
10.1 MB
22. BZR01-501050.SLDASM
112 KB
23. QY-8-4080-1050.SLDPRT
293 KB
24. QY-8-4080-820.SLDPRT
294 KB
25. ZK2-BK1-A_ZK2_A.SLDPRT
42.2 KB
26. ZK2A10K5ALA-06-B.SLDASM
163 KB
27. ZK2A10K5ALA-06-B_B.SLDPRT
97.9 KB
28. ZK2KALA_D.SLDPRT
74.2 KB
29. ZP80HBN.SLDPRT
38.2 KB
30. ZPB-T2J25-B01..SLDPRT
41.7 KB
31. ZPB-T2_NUT.SLDPRT
37.7 KB
32. ZPT80HBNJ25-B01-A18.SLDASM
227 KB
33. _BZR01-501050-001 16 8.4 501050.SLDPRT
43.6 KB
34. _BZR01-501050-002 16 8.4 501050.SLDPRT
41.7 KB
35. 机器人底座-BOM表.png
79.3 KB
36. 机器人底座-图纸.png
22 KB
37. 机器人底座-轴测图.png
25.9 KB
38. 机器人底座-重心分析图.png
49.6 KB
39. 机器人底座-铸铁平台.png
168 KB
40. 机器人底座.SLDASM
11.2 MB
41. 机器人底座.STEP
77.4 MB
42. 机器人底座BOM.xlsx
492 KB
43. 机器人运动范围1.png
104 KB
44. 机器人运动范围2.png
66.4 KB
45. 铸铁台面600X900.SLDPRT
368 KB
【机器人底座sw22可编辑+bom】相关作品
下载提示
×

下载该图档需要消耗300金币!

确认下载
-- 热门充值套餐 · 限时优惠 --
加载中