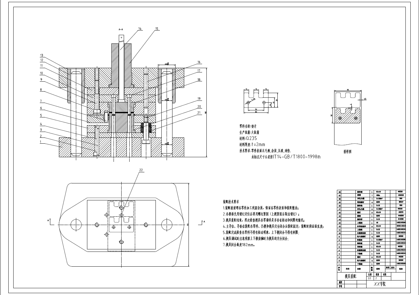
D0797-变压器铁芯E型垫片的冲压模具设计三维Step++CAD+说明书==371007=330stp,AutoCAD,ug 3D模型

机械图纸名称为:D0797-变压器铁芯E型垫片的冲压模具设计三维Step++CAD+说明书==371007=330,属于电力仪表,电力设备分类,软件为stp,AutoCAD,ug, 三维模型格式为prt,pdf,dwg,可在线预览,可编辑,可供设计参考

加入收藏
模型参数

模型ID:10368594

模型大小:4.42M

软件版本: stp,AutoCAD 2004,ug

模型格式:prt,pdf,dwg

是否可编辑:可修改,包括参数

上传时间:2026-01-13

图纸介绍:

下载模型
作品: 292
粉丝: 0
文件列表
1. 3D.stp
929 KB
2. AM.prt
184 KB
3. DT.prt
100 KB
4. DX.prt
92 KB
5. DZpar.prt
92 KB
6. FHZP_stp.prt
120 KB
7. MB.prt
100 KB
8. SD.prt
128 KB
9. SG.prt
128 KB
10. SM.prt
152 KB
11. ST.prt
92 KB
12. TA.prt
136 KB
13. TJ.prt
136 KB
14. XD.prt
136 KB
15. XG.prt
180 KB
16. XL.prt
156 KB
17. XM.prt
180 KB
18. 上垫板.PDF
15.8 KB
19. 上垫板.dwg
101 KB
20. 上模座.PDF
21.8 KB
21. 上模座.dwg
105 KB
22. 下垫板.PDF
17.7 KB
23. 下垫板.dwg
102 KB
24. 下模座.PDF
21.6 KB
25. 下模座.dwg
105 KB
26. 全部图纸.PDF
286 KB
27. 全部图纸.dwg
207 KB
28. 凸凹模-冲孔凸模.PDF
22.4 KB
29. 凸凹模-冲孔凸模.dwg
104 KB
30. 凸模固定板.PDF
18.1 KB
31. 凸模固定板.dwg
103 KB
32. 凹模固定板.PDF
19.5 KB
33. 凹模固定板.dwg
105 KB
34. 卸料板.PDF
16.1 KB
35. 卸料板.dwg
102 KB
36. 工件图.PDF
9.91 KB
37. 工件图.dwg
103 KB
38. 微信截图_20240628170858.png
74 KB
39. 微信截图_20240701190433.png
100 KB
40. 微信截图_20240701190440.png
301 KB
41. 微信截图_20240701190448.png
208 KB
42. 微信截图_20240701190511.png
215 KB
43. 落料凹模.PDF
19 KB
44. 落料凹模.dwg
104 KB
45. 装配图.PDF
171 KB
46. 装配图.dwg
138 KB
47. 说明书.doc
701 KB
48. 说明书.pdf
621 KB
49. 顶件块.PDF
14.1 KB
50. 顶件块.dwg
101 KB
【D0797-变压器铁芯E型垫片的冲压模具设计三维Step++CAD+说明书==371007=330】相关作品
下载提示
×

下载该图档需要消耗20金币!

确认下载
-- 热门充值套餐 · 限时优惠 --
加载中