D0713-100吨冲床自动上下料机械手+CAD+说明书==687492=250AutoCAD,step,SolidWorks图档

图档名称为:D0713-100吨冲床自动上下料机械手+CAD+说明书==687492=250,属于机械设备,智能装置分类,软件为AutoCAD,step,SolidWorks, 图纸格式为sldasm,pdf,dwg,sldprt,step,可在线预览,可编辑,可供设计参考

加入收藏
模型参数

模型ID:10368192

模型大小:30.2M

软件版本: AutoCAD 2016,step,SolidWorks

模型格式:sldasm,pdf,dwg,sldprt,step

是否可编辑:可修改,包括参数

上传时间:2026-01-13

图纸介绍:

下载模型
枕霜华
作品: 0
粉丝: 0
文件列表
1. 100 吨冲床自动上下料机械手三维设计开题报告及文献综述.doc
50.2 KB
2. 100吨冲床自动上下料机械手 装配体.SLDASM
1.8 MB
3. 100吨冲床自动上下料机械手三维设计任务书.doc
71.4 KB
4. A0装配图.PDF
153 KB
5. A0装配图.dwg
345 KB
6. A三维机械手.PNG
86.4 KB
7. GB/T6177.1-2000六角法兰面螺母A级M16.SLDPRT
150 KB
8. a0升降结构装配图.PDF
79.6 KB
9. a0升降结构装配图.dwg
204 KB
10. a0横向+旋转装配图.PDF
153 KB
11. a0横向+旋转装配图.dwg
169 KB
12. a1机械爪.PDF
73.3 KB
13. a1机械爪.dwg
79.2 KB
14. zzt-3D.STEP
5.69 MB
15. 上半夹块.SLDPRT
112 KB
16. 下半夹块.SLDPRT
95.4 KB
17. 动片.1.SLDPRT
101 KB
18. 动片.SLDPRT
66 KB
19. 动片用螺钉M16X40.SLDPRT
156 KB
20. 升降底座.SLDPRT
130 KB
21. 升降缸体.SLDPRT
55.9 KB
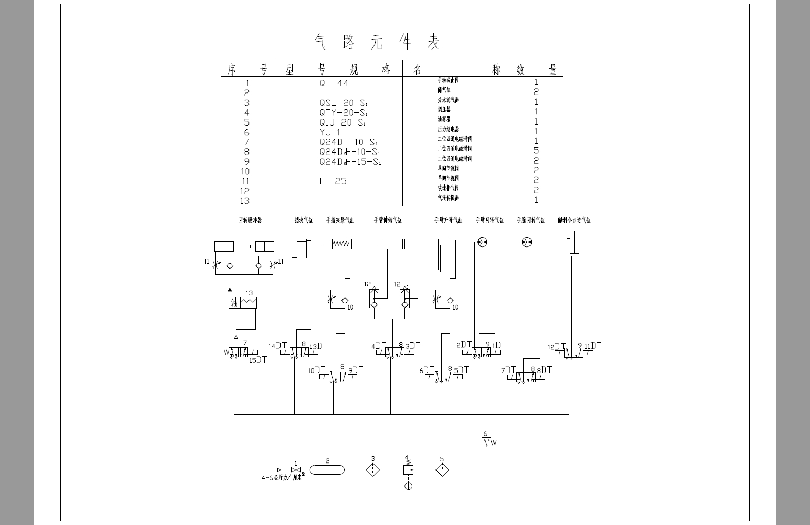
22. 原理图.PDF
9.62 KB
23. 原理图.dwg
40.4 KB
24. 回转缸体.SLDPRT
97.2 KB
25. 回转缸右端盖.SLDPRT
101 KB
26. 回转缸左端盖.SLDPRT
72.2 KB
27. 圆柱齿轮24×2.SLDPRT
248 KB
28. 圆锥滚子轴承.SLDPRT
447 KB
29. 外文文献翻译、中英文翻译.doc
3.72 MB
30. 夹块用螺钉M12X80.SLDPRT
146 KB
31. 字数统计.PNG
18.8 KB
32. 定位块.SLDPRT
91.8 KB
33. 定位块用螺钉M5X12.SLDPRT
153 KB
34. 定位拉杆.SLDPRT
61 KB
35. 定子.SLDPRT
56.3 KB
36. 密封拉杆.SLDPRT
38.6 KB
37. 导向-定位杆连接环.SLDPRT
79.9 KB
38. 导向托盘2.SLDPRT
111 KB
39. 导向杆.1.SLDPRT
60.6 KB
40. 导向杆.SLDPRT
38.4 KB
41. 导向盘.SLDPRT
88.7 KB
42. 导向螺母.SLDPRT
68.1 KB
43. 微信截图_20240630180749.png
227 KB
44. 微信截图_20240630180802.png
59.8 KB
45. 微信截图_20240630180807.png
146 KB
46. 微信截图_20240630180811.png
335 KB
47. 微信截图_20240630180821.png
50.7 KB
48. 微信截图_20240630180829.png
302 KB
49. 微信截图_20240630180834.png
217 KB
50. 微信截图_20240630180842.png
178 KB
51. 总装2.SLDASM
726 KB
52. 挡圈.SLDPRT
98 KB
53. 摆动缸体.SLDPRT
84.3 KB
54. 摆动轴.SLDPRT
106 KB
55. 机械爪装配.SLDASM
653 KB
56. 横向+机械爪 装配体.SLDASM
1.16 MB
57. 横向装配.SLDASM
329 KB
58. 气压系统工作原理图.PDF
28.8 KB
59. 气压系统工作原理图.dwg
64.6 KB
60. 气缸杆.SLDPRT
60.2 KB
61. 气缸顶端.SLDPRT
163 KB
62. 气缸顶端挡圈.SLDPRT
97.6 KB
63. 气缸顶端轴套.SLDPRT
69.6 KB
64. 法兰.SLDPRT
98.4 KB
65. 活塞.1.SLDPRT
77.9 KB
66. 活塞.SLDPRT
152 KB
67. 活塞固定.SLDPRT
67.9 KB
68. 活塞杆.1.SLDPRT
79.3 KB
69. 活塞杆.PDF
28.1 KB
70. 活塞杆.dwg
58.1 KB
71. 活塞螺母.SLDPRT
131 KB
72. 球轴承.SLDPRT
370 KB
73. 电控逻辑图.PDF
15.5 KB
74. 电控逻辑图.dwg
50.4 KB
75. 示意图.PDF
11.4 KB
76. 示意图.dwg
51.9 KB
77. 立柱.SLDPRT
75.4 KB
78. 竖直摆动装配.SLDASM
96.1 KB
79. 竖直摆动装配体.SLDASM
727 KB
80. 端盖.SLDPRT
93.9 KB
81. 缸体.1.SLDPRT
94.3 KB
82. 缸体.PDF
31.3 KB
83. 缸体.dwg
63.9 KB
84. 缸体右端盖.SLDPRT
77.5 KB
85. 缸体左密封塞.SLDPRT
68.2 KB
86. 缸体左端盖.SLDPRT
90.7 KB
87. 螺母M16.SLDPRT
156 KB
88. 螺母M20.SLDPRT
155 KB
89. 装配体1.SLDASM
606 KB
90. 装配体2.SLDASM
585 KB
91. 说明书 (1).pdf
3.42 MB
92. 说明书.docx
2.75 MB
93. 说明书.pdf
3.42 MB
94. 轴.SLDPRT
83 KB
95. 轴套.SLDPRT
70.7 KB
96. 连接 密封螺钉.SLDPRT
171 KB
97. 零件1.SLDPRT
507 KB
98. 零件10.SLDPRT
200 KB
99. 零件2.SLDPRT
99.6 KB
100. 零件6.SLDPRT
114 KB
101. 零件7.SLDPRT
95.4 KB
102. 零件8.SLDPRT
114 KB
103. 零件9.SLDPRT
102 KB
104. 零件huanzhen.SLDPRT
160 KB
【D0713-100吨冲床自动上下料机械手+CAD+说明书==687492=250】相关作品
下载提示
×

下载该图档需要消耗100金币!

确认下载
-- 热门充值套餐 · 限时优惠 --
加载中