步行四边形机器人SolidWorks,AutoCAD 3D模型

3D模型名称为:步行四边形机器人,属于机械设备,智能装置分类,软件为SolidWorks,AutoCAD, 三维模型格式为sldprt,sldasm,dwg,可在线预览,可编辑,可供设计参考

加入收藏
模型参数

模型ID:10363707

模型大小:7.75M

软件版本: SolidWorks,AutoCAD 2020

模型格式:sldprt,sldasm,dwg

是否可编辑:可修改,包括参数

上传时间:2026-01-04

图纸介绍:

下载模型
千帆过尽
作品: 0
粉丝: 0
文件列表
1. BXJQRM3×10.sldprt
130 KB
2. BXJQRM4×16.sldprt
131 KB
3. BXJQRM5×25.sldprt
126 KB
4. BXJQRM6×20.sldprt
131 KB
5. BXJQRM6×40.sldprt
175 KB
6. BXJQRdeep groove ball bearings gb.sldprt
395 KB
7. BXJQR侧板1.SLDPRT
82.7 KB
8. BXJQR侧板2.SLDPRT
149 KB
9. BXJQR右直流电机1.SLDPRT
208 KB
10. BXJQR同步带_2.SLDPRT
74.8 KB
11. BXJQR同步带_3.SLDPRT
69.8 KB
12. BXJQR大带轮-24.SLDPRT
647 KB
13. BXJQR小带轮-12-7_9.SLDPRT
368 KB
14. BXJQR小带轮-12.SLDPRT
365 KB
15. BXJQR底板.SLDPRT
100 KB
16. BXJQR开口销.sldprt
116 KB
17. BXJQR曲柄盘.SLDPRT
133 KB
18. BXJQR步行四边形机器人.SLDASM
1.7 MB
19. BXJQR短连杆.SLDPRT
75.1 KB
20. BXJQR端盖.SLDPRT
83.6 KB
21. BXJQR腿.SLDASM
88.2 KB
22. BXJQR足垫.SLDPRT
97.8 KB
23. BXJQR足杆.SLDPRT
93.7 KB
24. BXJQR轴1.SLDPRT
143 KB
25. BXJQR轴2.SLDPRT
159 KB
26. BXJQR轴3.SLDPRT
158 KB
27. BXJQR销轴-1.SLDPRT
99.2 KB
28. BXJQR销轴-2.SLDPRT
99 KB
29. BXJQR销轴-3.SLDPRT
102 KB
30. BXJQR销轴-4.SLDPRT
96.2 KB
31. BXJQR镜向侧板2.SLDPRT
195 KB
32. BXJQR长连杆.SLDPRT
73.5 KB
33. BXJQR隔套.SLDPRT
83.1 KB
34. BXJQR隔套2.SLDPRT
90.8 KB
35. BXJQR隔套3.SLDPRT
90.1 KB
36. 带轮建模细节.PNG
187 KB
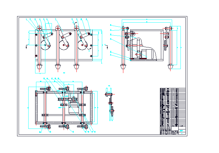
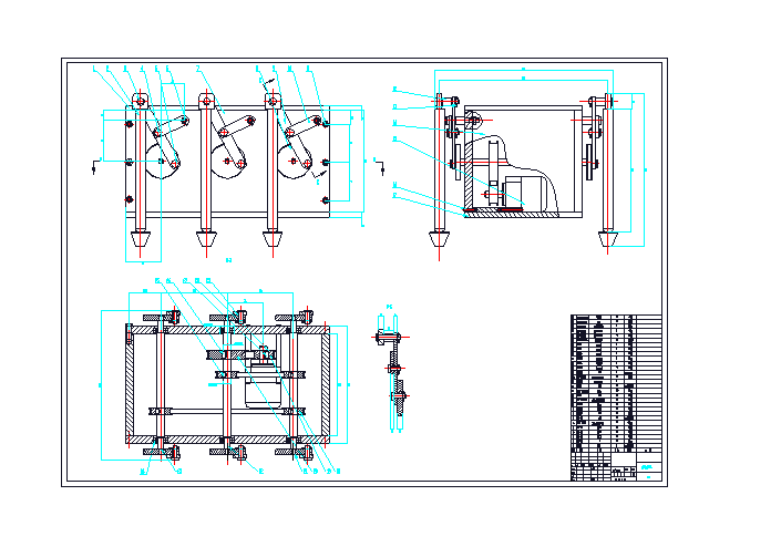
37. 步行四边形机器CAD装配.PNG
31.5 KB
38. 步行四边形机器CAD装配.dwg
190 KB
39. 步行四边形机器俯视.PNG
181 KB
40. 步行四边形机器内部.PNG
250 KB
41. 步行四边形机器装配.PNG
185 KB
42. 腿杆建模细节.PNG
144 KB
【步行四边形机器人】相关作品
下载提示
×

下载该图档需要消耗20金币!

确认下载
-- 热门充值套餐 · 限时优惠 --
加载中