Q109-叉车滚轮工装设计AutoCAD图档

图档名称为:Q109-叉车滚轮工装设计,属于机械设备,工程机械分类,软件为AutoCAD, 图纸格式为dwg,可在线预览,可编辑,可供设计参考

加入收藏
模型参数

模型ID:10359868

模型大小:1.28M

软件版本: AutoCAD 2004

模型格式:dwg

是否可编辑:可修改,包括参数

上传时间:2025-12-31

图纸介绍:

下载模型
星河流转
作品: 0
粉丝: 0
文件列表
1. 01定位螺钉.dwg
85.2 KB
2. 01定位螺钉.jpg
56.4 KB
3. 02支撑架(21.dwg
89 KB
4. 02支撑架(21.jpg
73.3 KB
5. 02支撑架(25.dwg
89 KB
6. 02支撑架(25.jpg
73.6 KB
7. 02支撑架(29.dwg
93.9 KB
8. 02支撑架(29.jpg
73.5 KB
9. 03定位螺钉架.dwg
80.6 KB
10. 03定位螺钉架.jpg
54.7 KB
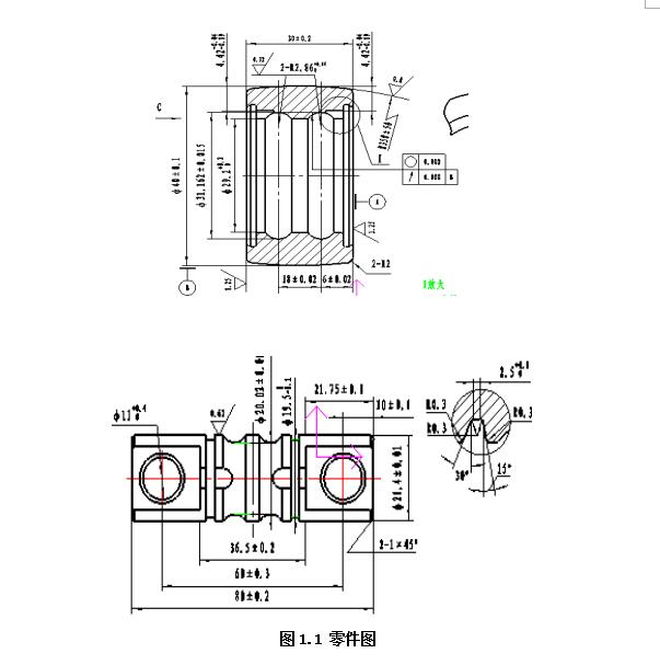
11. 06橡胶压轮.dwg
78.9 KB
12. 06橡胶压轮.jpg
46.6 KB
13. QQ截图20170210195810.jpg
33.4 KB
14. QQ截图20170210195829.jpg
89.7 KB
15. QQ截图20170223093627.jpg
33.4 KB
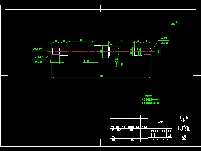
16. 压轮轴.dwg
83.7 KB
17. 压轮轴.jpg
60.1 KB
18. 叉车滚轮工装设计说明书.doc
687 KB
19. 夹具装配图00(2) 1.dwg
161 KB
20. 夹具装配图00(2) 1.jpg
89 KB
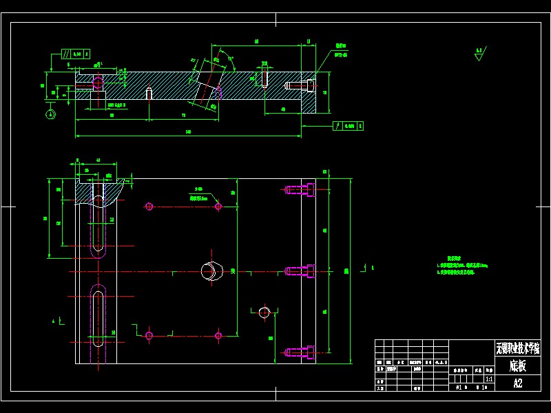
21. 底版.dwg
109 KB
22. 底版.jpg
90.8 KB
23. 轴承套.dwg
81.5 KB
24. 轴承套.jpg
52.9 KB
【Q109-叉车滚轮工装设计】相关作品
提示
×

下载该图档需要消耗10金币!

确认下载
加载中