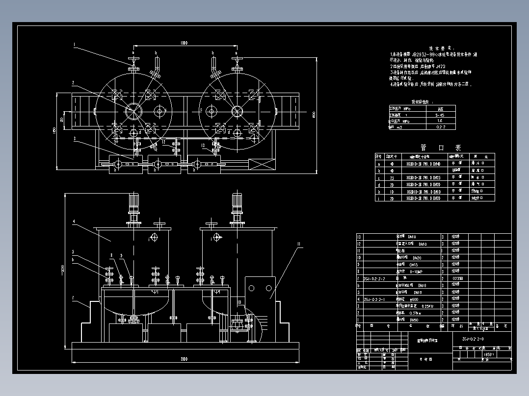
废水中试平台装置图1487071AutoCAD图档

图档名称为:废水中试平台装置图1487071,属于机械设备,环保设备分类,软件为AutoCAD, 图纸格式为dwg,可在线预览,可编辑,可供设计参考

加入收藏
模型参数

模型ID:10359311

模型大小:310.79KB

软件版本: AutoCAD 2000

模型格式:dwg

是否可编辑:可修改,包括参数

上传时间:2025-12-31

图纸介绍:

下载模型
折疏桐
作品: 0
粉丝: 0
文件列表
1. 废水中试平台装置图.dwg
998 KB
【废水中试平台装置图1487071】相关作品
滚动更载更多~
提示
×

下载该图档需要消耗10金币!

确认下载
加载中