2G038--法兰盘加工工艺及关键工序工装设计【J197重复】AutoCAD图档

CAD图档名称为:2G038--法兰盘加工工艺及关键工序工装设计【J197重复】,属于设备部件,管道附件分类,软件为AutoCAD, 图纸格式为dwg,可在线预览,可编辑,可供设计参考

加入收藏
模型参数

模型ID:10357327

模型大小:1.16M

软件版本: AutoCAD 2007

模型格式:dwg

是否可编辑:可修改,包括参数

上传时间:2025-12-28

图纸介绍:

下载模型
文件列表
1. 外文翻译.doc
57 KB
2. 夹具体-Model.jpg
56.6 KB
3. 夹具体.dwg
72.8 KB
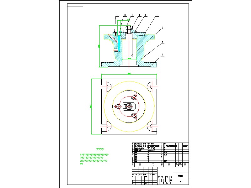
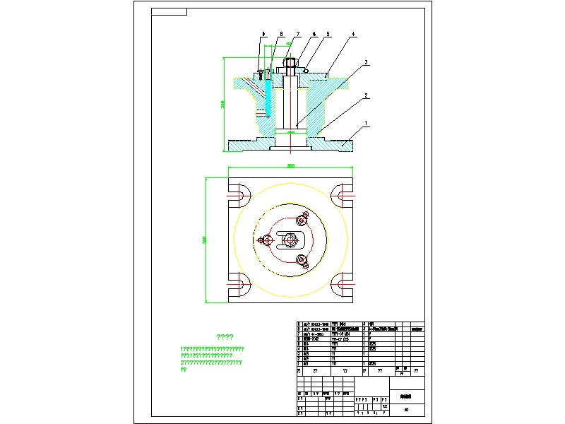
4. 夹具装配图-Model.jpg
67.4 KB
5. 夹具装配图.dwg
106 KB
6. 工艺卡及工序卡-Model.jpg
82.7 KB
7. 工艺卡及工序卡.dwg
148 KB
8. 法兰盘零件图-Model.jpg
96.6 KB
9. 法兰盘零件图.dwg
134 KB
10. 组合机床三图一卡-Model.jpg
66.7 KB
11. 组合机床三图一卡.dwg
144 KB
12. 组合机床尺寸联系图-Model.jpg
11.7 KB
13. 组合机床尺寸联系图.dwg
266 KB
14. 说明书.doc
175 KB
15. 选题审批表.doc
288 KB
【2G038--法兰盘加工工艺及关键工序工装设计【J197重复】】相关作品
下载提示
×

下载该图档需要消耗10金币!

确认下载
-- 热门充值套餐 · 限时优惠 --
加载中