3000立方米LPG球罐(带梯子)全套图纸335023==150kuAutoCAD图档

图档名称为:3000立方米LPG球罐(带梯子)全套图纸335023==150ku,属于机械设备,非标机械分类,软件为AutoCAD, 图纸格式为dwg,可在线预览,可编辑,可供设计参考

加入收藏
模型参数

模型ID:10354582

模型大小:28.12M

软件版本: AutoCAD 2000

模型格式:dwg

是否可编辑:可修改,包括参数

上传时间:2025-12-26

图纸介绍:

下载模型
折新茶
作品: 0
粉丝: 0
文件列表
1. 3000立方米LPG球罐装配图.dwg
44 MB
2. 3000立方米LPG球罐设计说明书.doc
886 KB
3. 上拉杆.dwg
1.61 MB
4. 下拉杆.dwg
1.66 MB
5. 下支耳.dwg
2.02 MB
6. 底板.dwg
1.52 MB
7. 总内容.png
63.9 KB
8. 托板.dwg
2.11 MB
9. 拉杆.dwg
4.32 MB
10. 拉杆.png
20.8 KB
11. 支柱.dwg
9.85 MB
12. 支柱.png
43.6 KB
13. 支柱管.dwg
3.51 MB
14. 易熔塞.dwg
3.67 MB
15. 易熔塞.png
27.6 KB
16. 易熔塞接管.dwg
1.54 MB
17. 松紧节.dwg
1.91 MB
18. 球壳.dwg
17.5 MB
19. 球壳.png
38.2 KB
20. 球罐喷淋系统.dwg
5.85 MB
21. 球罐喷淋系统.png
34.4 KB
22. 球罐支撑.dwg
3.31 MB
23. 盖板.dwg
1.69 MB
24. 翼板.dwg
1.36 MB
25. 装配图.png
81.7 KB
26. 论文-2.png
54.5 KB
27. 论文.png
35.7 KB
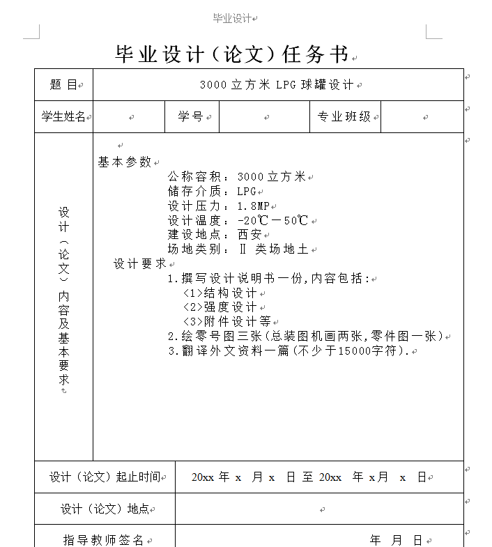
28. 论文正文-2.png
98.8 KB
29. 论文正文-3.png
225 KB
30. 论文正文.png
93 KB
31. 论文正文计算.png
88.5 KB
32. 论文目录.png
24 KB
33. 铭牌.dwg
1.45 MB
34. 销轴.dwg
1.72 MB
【3000立方米LPG球罐(带梯子)全套图纸335023==150ku】相关作品
滚动更载更多~
提示
×

下载该图档需要消耗100金币!

确认下载
加载中