Q262-支撑架冲压(冲裁)复合模具设计【三维SolidWorks】AutoCAD,SolidWorks 3D模型

3D模型名称为:Q262-支撑架冲压(冲裁)复合模具设计【三维SolidWorks】,属于设备部件,模具类分类,软件为AutoCAD,SolidWorks, 三维模型格式为sldasm,sldprt,dwg,可在线预览,可编辑,可供设计参考

加入收藏
模型参数

模型ID:10353200

模型大小:3.56M

软件版本: AutoCAD 2012,SolidWorks

模型格式:sldasm,sldprt,dwg

是否可编辑:可修改,包括参数

上传时间:2025-12-25

图纸介绍:

下载模型
芃芃
作品: 0
粉丝: 0
文件列表
1. 1225.SLDASM
1.17 MB
2. 1225.sldasm-Part-10.sldprt
122 KB
3. 1225.sldasm-Part-11.sldprt
66 KB
4. 1225.sldasm-Part-13.sldprt
50.5 KB
5. 1225.sldasm-Part-16.sldprt
50.5 KB
6. 1225.sldasm-Part-19.sldprt
54.5 KB
7. 1225.sldasm-Part-2.sldprt
50 KB
8. 1225.sldasm-Part-20.sldprt
79.5 KB
9. 1225.sldasm-Part-21.sldprt
53 KB
10. 1225.sldasm-Part-26.sldprt
51 KB
11. 1225.sldasm-Part-28.sldprt
49.5 KB
12. 1225.sldasm-Part-3.sldprt
50 KB
13. 1225.sldasm-Part-31.sldprt
49.5 KB
14. 1225.sldasm-Part-33.sldprt
53 KB
15. 1225.sldasm-Part-34.sldprt
53 KB
16. 1225.sldasm-Part-35.sldprt
53.5 KB
17. 1225.sldasm-Part-36.sldprt
53.5 KB
18. 1225.sldasm-Part-37.sldprt
55 KB
19. 1225.sldasm-Part-38.sldprt
55 KB
20. 1225.sldasm-Part-4.sldprt
67.5 KB
21. 1225.sldasm-Part-43.sldprt
73 KB
22. 1225.sldasm-Part-48.sldprt
56.5 KB
23. 1225.sldasm-Part-49.sldprt
53 KB
24. 1225.sldasm-Part-5.sldprt
51 KB
25. 1225.sldasm-Part-6.sldprt
51 KB
26. 1225.sldasm-Part-7.sldprt
68.5 KB
27. 1225.sldasm-Part-8.sldprt
194 KB
28. 1225.sldasm-Part-9.sldprt
218 KB
29. FTH25.00-30.00-1.sldprt
80.5 KB
30. FTH25.00-30.00.sldprt
82.5 KB
31. FTH30.00-40.00-1.sldprt
81 KB
32. FTH30.00-40.00-2.sldprt
81 KB
33. FTH30.00-40.00-3.sldprt
81 KB
34. FTH30.00-40.00.sldprt
80.5 KB
35. M10.00-60.00-1.sldprt
55 KB
36. M10.00-60.00.sldprt
55 KB
37. M10.00-85.00-1.sldprt
55.5 KB
38. M10.00-85.00-2.sldprt
55 KB
39. M10.00-85.00-3.sldprt
55.5 KB
40. M10.00-85.00.sldprt
52.5 KB
41. M12.00-130.00-1.sldprt
56.5 KB
42. M12.00-130.00-2.sldprt
56.5 KB
43. M12.00-130.00-3.sldprt
56.5 KB
44. M12.00-130.00.sldprt
56 KB
45. M8.00-20.00-1.sldprt
55 KB
46. M8.00-20.00-2.sldprt
55 KB
47. M8.00-20.00-3.sldprt
55 KB
48. M8.00-20.00.sldprt
55 KB
49. M8.00-55.00-1.sldprt
55 KB
50. M8.00-55.00-2.sldprt
55 KB
51. M8.00-55.00-3.sldprt
55 KB
52. M8.00-55.00.sldprt
55 KB
53. QQ截图20170215143447.jpg
10.3 KB
54. QQ截图20170215143504.jpg
72.9 KB
55. QQ截图20170215143518.jpg
78.9 KB
56. 三维.jpg
22.2 KB
57. 凸模1.SLDPRT
93.5 KB
58. 凸模2.SLDPRT
94 KB
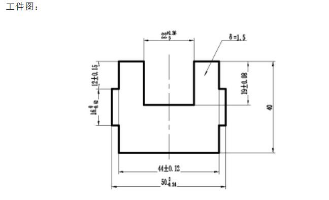
59. 工件.jpg
11.2 KB
60. 工艺卡.jpg
57.6 KB
61. 支撑架冲裁复合模具设计CAD图纸.DWG
321 KB
62. 支撑架冲裁复合模具设计说明书.doc
1.1 MB
63. 支撑架加工工艺过程卡,工序卡.DWG
222 KB
64. 支撑片.SLDPRT
135 KB
65. 装配图.jpg
104 KB
【Q262-支撑架冲压(冲裁)复合模具设计【三维SolidWorks】】相关作品
滚动更载更多~
提示
×

下载该图档需要消耗10金币!

确认下载
加载中