Q477-载货汽车前空气悬架总成的设计AutoCAD图档

图档名称为:Q477-载货汽车前空气悬架总成的设计,属于交通运输,车辆工程分类,软件为AutoCAD, 图纸格式为dwg,可在线预览,可编辑,可供设计参考

加入收藏
模型参数

模型ID:10351469

模型大小:2.45M

软件版本: AutoCAD 2004

模型格式:dwg

是否可编辑:可修改,包括参数

上传时间:2025-12-23

图纸介绍:

下载模型
作品: 276
粉丝: 0
文件列表
1. QQ截图20170217171855.jpg
15.7 KB
2. QQ截图20170217171931.jpg
61 KB
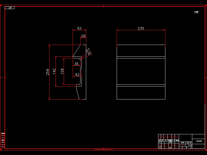
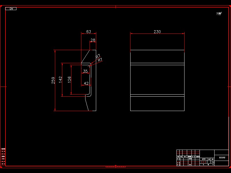
3. 上纵向推力杆.dwg
106 KB
4. 上纵向推力杆.dwg
106 KB
5. 上纵向推力杆.jpg
49.1 KB
6. 下纵向推力杆.dwg
107 KB
7. 下纵向推力杆.dwg
107 KB
8. 下纵向推力杆.jpg
40.7 KB
9. 伸张限位块.dwg
105 KB
10. 伸张限位块.dwg
105 KB
11. 伸张限位块.jpg
44.9 KB
12. 横向推力杆.dwg
108 KB
13. 横向推力杆.dwg
108 KB
14. 横向推力杆.jpg
50.6 KB
15. 空气弹簧.dwg
112 KB
16. 空气弹簧.dwg
112 KB
17. 空气弹簧.jpg
73.4 KB
18. 空气悬架CAD装配图.dwg
214 KB
19. 空气悬架CAD装配图.dwg
214 KB
20. 空气悬架CAD装配图.jpg
111 KB
21. 载货汽车前空气悬架总成的设计任务书.doc
36.5 KB
22. 载货汽车前空气悬架总成的设计任务书.doc
36.5 KB
23. 载货汽车前空气悬架总成设计说明书.doc
879 KB
24. 载货汽车前空气悬架总成设计说明书.doc
879 KB
【Q477-载货汽车前空气悬架总成的设计】相关作品
下载提示
×

下载该图档需要消耗10金币!

确认下载
-- 热门充值套餐 · 限时优惠 --
加载中