矿山输送带挡板设计AutoCAD图档

图档名称为:矿山输送带挡板设计,属于机械设备,非标机械分类,软件为AutoCAD, 图纸格式为dwg,可在线预览,可编辑,可供设计参考

加入收藏
模型参数

模型ID:10341473

模型大小:882.73KB

软件版本: AutoCAD 2013

模型格式:dwg

是否可编辑:可修改,包括参数

上传时间:2025-12-15

图纸介绍:

下载模型
采艾
作品: 0
粉丝: 0
文件列表
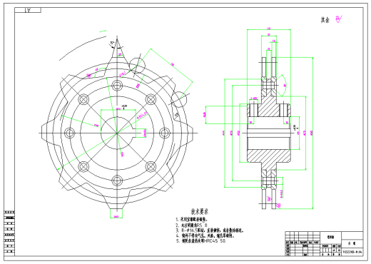
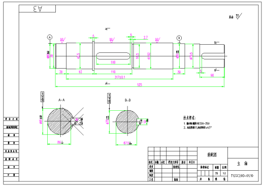
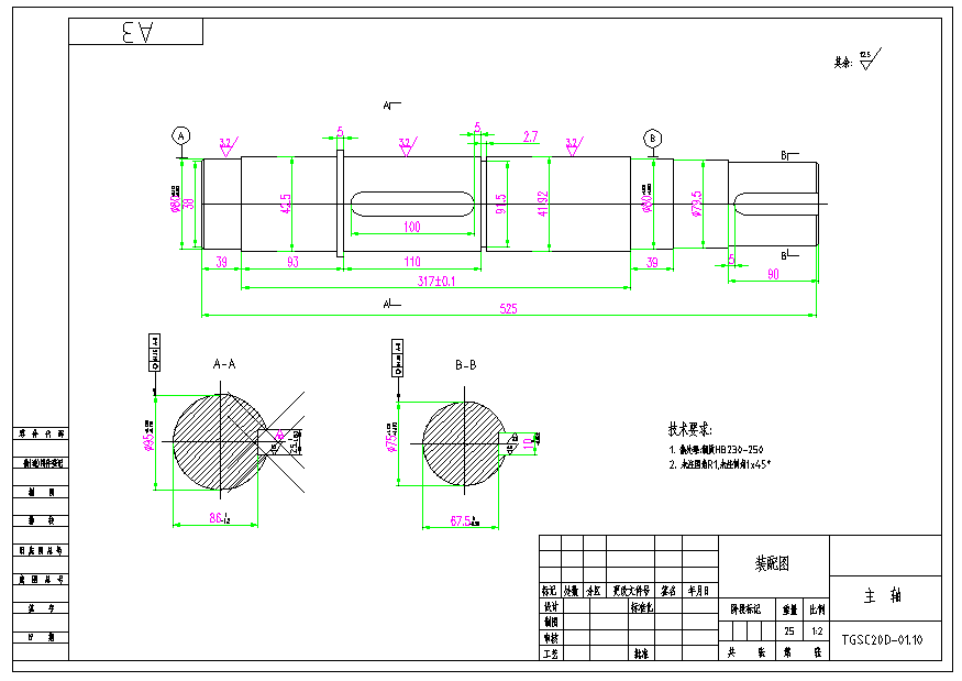
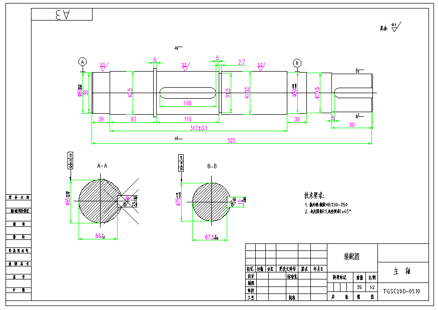
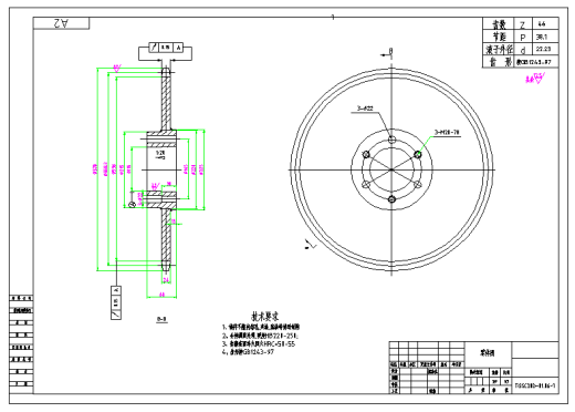
1. 主轴.dwg
44.8 KB
2. 主轴.jpg
30 KB
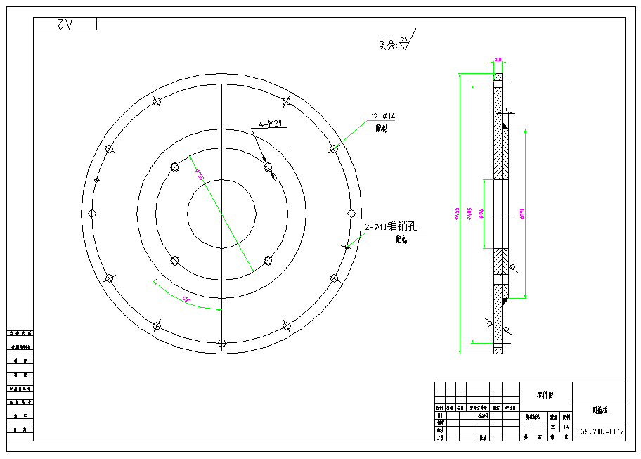
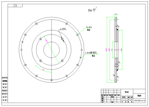
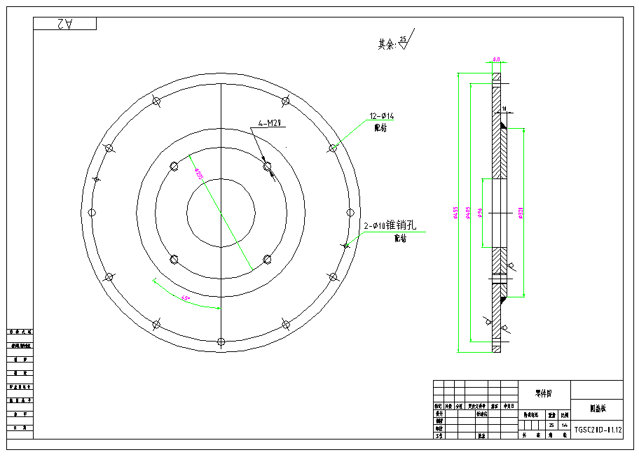
3. 圆盖板.dwg
39.5 KB
4. 圆盖板.jpg
31.1 KB
5. 垫板.dwg
30.3 KB
6. 垫板.jpg
15.3 KB
7. 备用国标.dwg
70.8 KB
8. 备用国标.jpg
45.8 KB
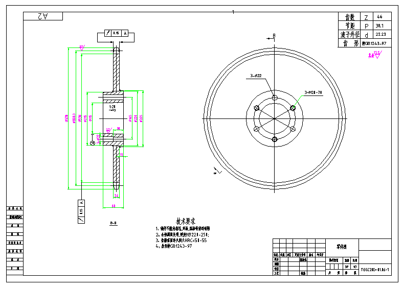
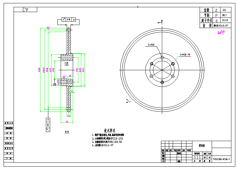
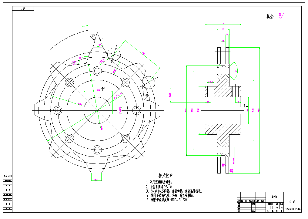
9. 头轮.dwg
51.6 KB
10. 头轮.jpg
49.4 KB
11. 定位圈.dwg
33.7 KB
12. 定位圈.jpg
22.3 KB
13. 新建 文本文档.txt
1.08 KB
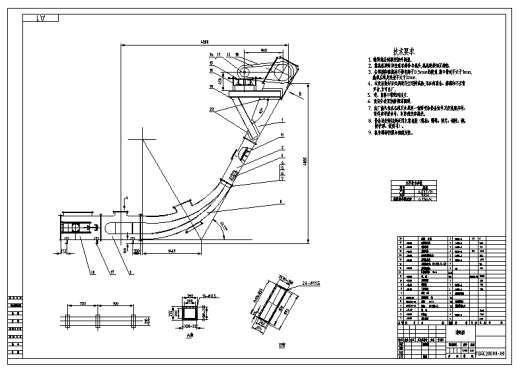
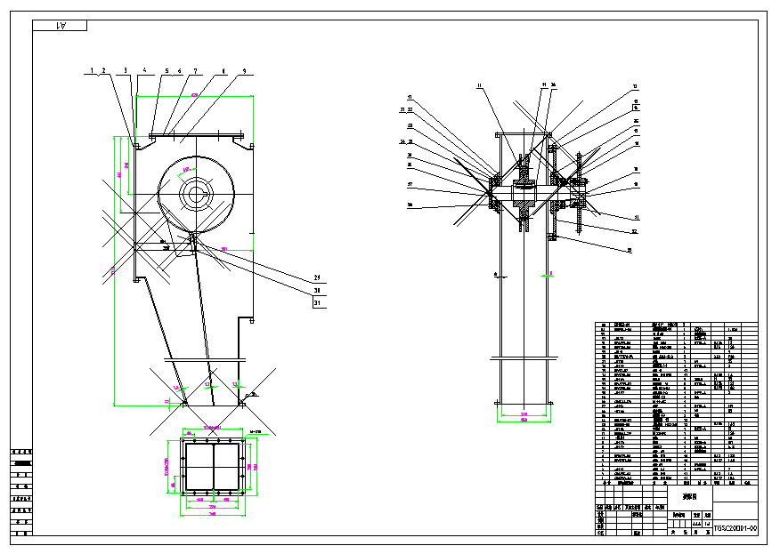
14. 矿山输送带挡板设计-总装图.dwg
133 KB
15. 矿山输送带挡板设计-总装图.jpg
30.3 KB
16. 矿山输送带挡板设计-说明书.doc
299 KB
17. 轴承压盖.dwg
32.5 KB
18. 轴承压盖.jpg
15.8 KB
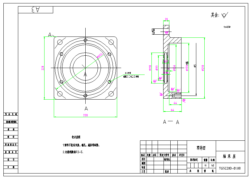
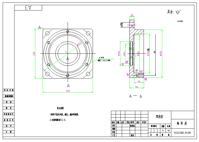
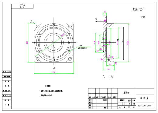
19. 轴承座.dwg
40.3 KB
20. 轴承座.jpg
30.1 KB
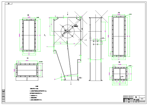
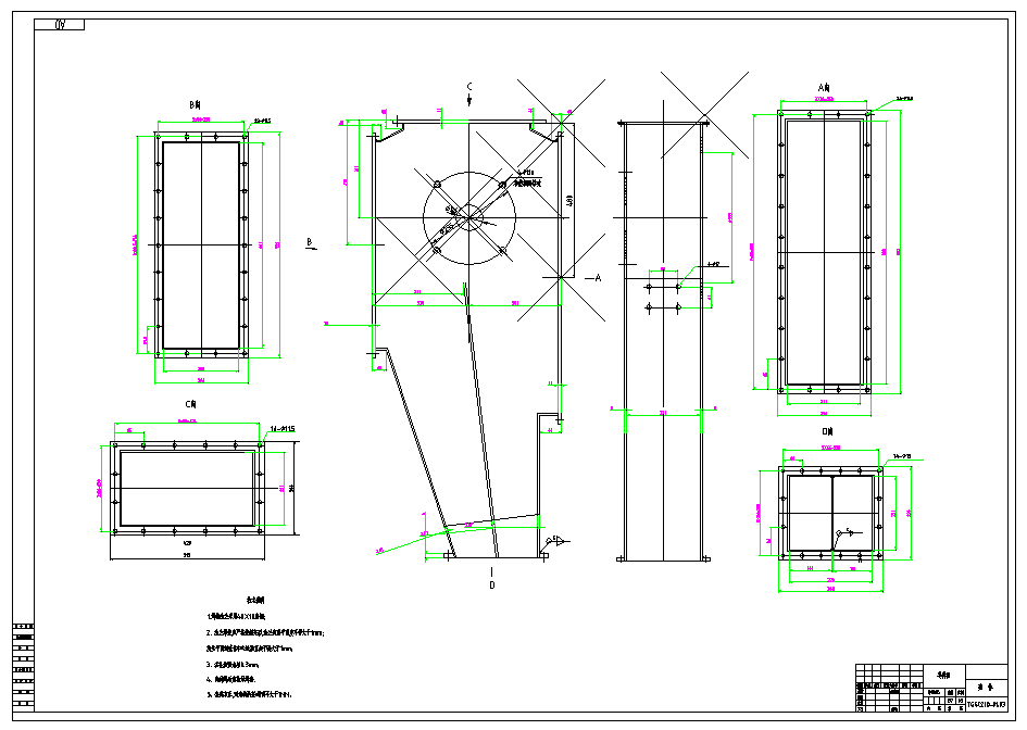
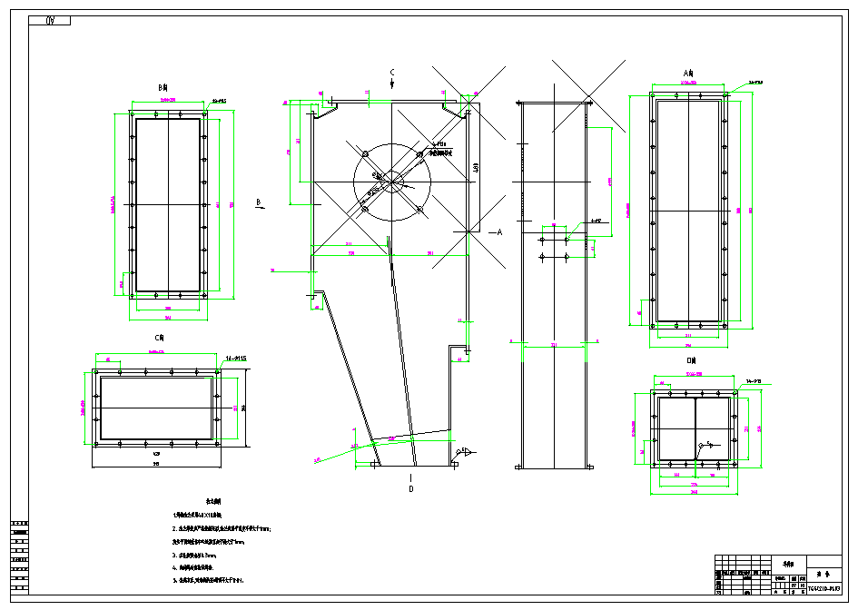
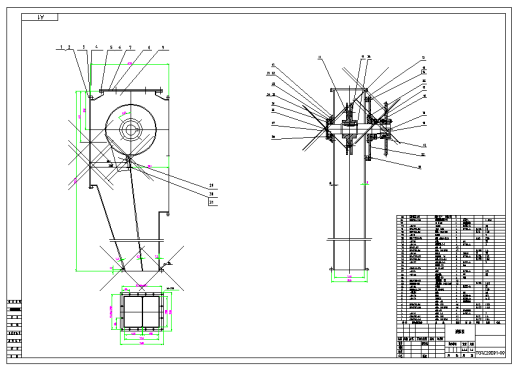
21. 部装图机头.dwg
120 KB
22. 部装图机头.jpg
38.4 KB
23. 链轮.dwg
41.3 KB
24. 链轮.jpg
28.1 KB
【矿山输送带挡板设计】相关作品
滚动更载更多~
提示
×

下载该图档需要消耗10金币!

确认下载
加载中