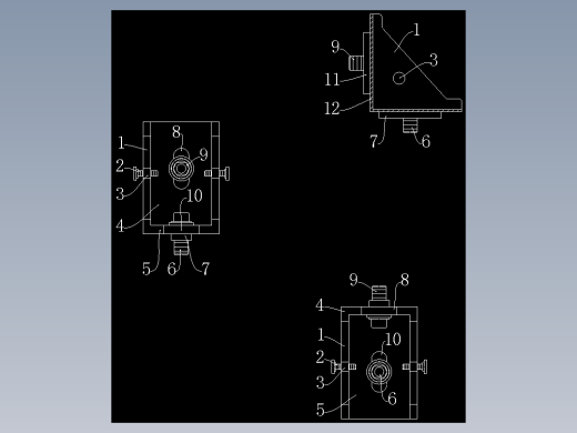
一种三通管接头连接结构AutoCAD图档

图档名称为:一种三通管接头连接结构,属于设备部件,管道附件分类,软件为AutoCAD, 图纸格式为dwg,可在线预览,可编辑,可供设计参考

加入收藏
模型参数

模型ID:10339091

模型大小:106.16KB

软件版本: AutoCAD 2010

模型格式:dwg

是否可编辑:可修改,包括参数

上传时间:2025-12-12

图纸介绍:

下载模型
画中仙
作品: 0
粉丝: 0
文件列表
1. 一种三通管接头连接结构.dwg
181 KB
【一种三通管接头连接结构】相关作品
滚动更载更多~
提示
×

下载该图档需要消耗10金币!

确认下载
加载中