金属带式无极变速器设计【无级变速器】CAD+说明书==457497=250AutoCAD图档

图档名称为:金属带式无极变速器设计【无级变速器】CAD+说明书==457497=250,属于机械设备,非标机械分类,软件为AutoCAD, 图纸格式为pdf,dwg,可在线预览,可编辑,可供设计参考

加入收藏
模型参数

模型ID:10334034

模型大小:3.66M

软件版本: AutoCAD 2000

模型格式:pdf,dwg

是否可编辑:可修改,包括参数

上传时间:2025-12-07

图纸介绍:

下载模型
作品: 273
粉丝: 0
文件列表
1. 主动轴.PDF
21.3 KB
2. 主动轴.dwg
209 KB
3. 主动轴.dwg
220 KB
4. 主动轴.exb
93.5 KB
5. 主动锥盘.PDF
17.9 KB
6. 主动锥盘.dwg
192 KB
7. 主动锥盘.dwg
202 KB
8. 主动锥盘.exb
88.5 KB
9. 从动可动锥盘.PDF
19.8 KB
10. 从动可动锥盘.dwg
197 KB
11. 从动可动锥盘.dwg
207 KB
12. 从动可动锥盘.exb
89.5 KB
13. 压杆.PDF
12.8 KB
14. 压杆.dwg
186 KB
15. 压杆.dwg
196 KB
16. 压杆.exb
86.5 KB
17. 封面和目录.doc
34.5 KB
18. 封面和目录.pdf
78.1 KB
19. 微信截图_20240110180044.png
248 KB
20. 微信截图_20240110180100.png
420 KB
21. 微信截图_20240110180106.png
141 KB
22. 微信截图_20240110180113.png
103 KB
23. 楔形金属块.PDF
17.3 KB
24. 楔形金属块.dwg
193 KB
25. 楔形金属块.dwg
203 KB
26. 楔形金属块.exb
88.5 KB
27. 油标.PDF
12.6 KB
28. 油标.dwg
189 KB
29. 油标.dwg
199 KB
30. 油标.exb
86.5 KB
31. 花键联轴器.PDF
19.8 KB
32. 花键联轴器.dwg
196 KB
33. 花键联轴器.dwg
207 KB
34. 花键联轴器.exb
90.5 KB
35. 螺塞.PDF
13.5 KB
36. 螺塞.dwg
185 KB
37. 螺塞.dwg
195 KB
38. 螺塞.exb
86 KB
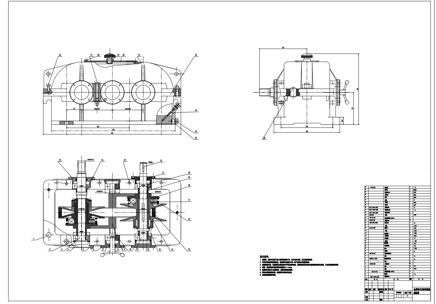
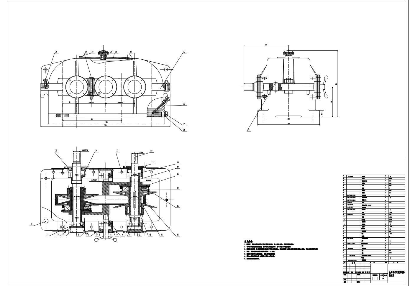
39. 装配图.PDF
258 KB
40. 装配图.dwg
377 KB
41. 装配图.dwg
389 KB
42. 装配图.exb
151 KB
43. 设计说明书.doc
1010 KB
44. 设计说明书.pdf
516 KB
45. 调速轴.PDF
17 KB
46. 调速轴.dwg
193 KB
47. 调速轴.dwg
203 KB
48. 调速轴.exb
89 KB
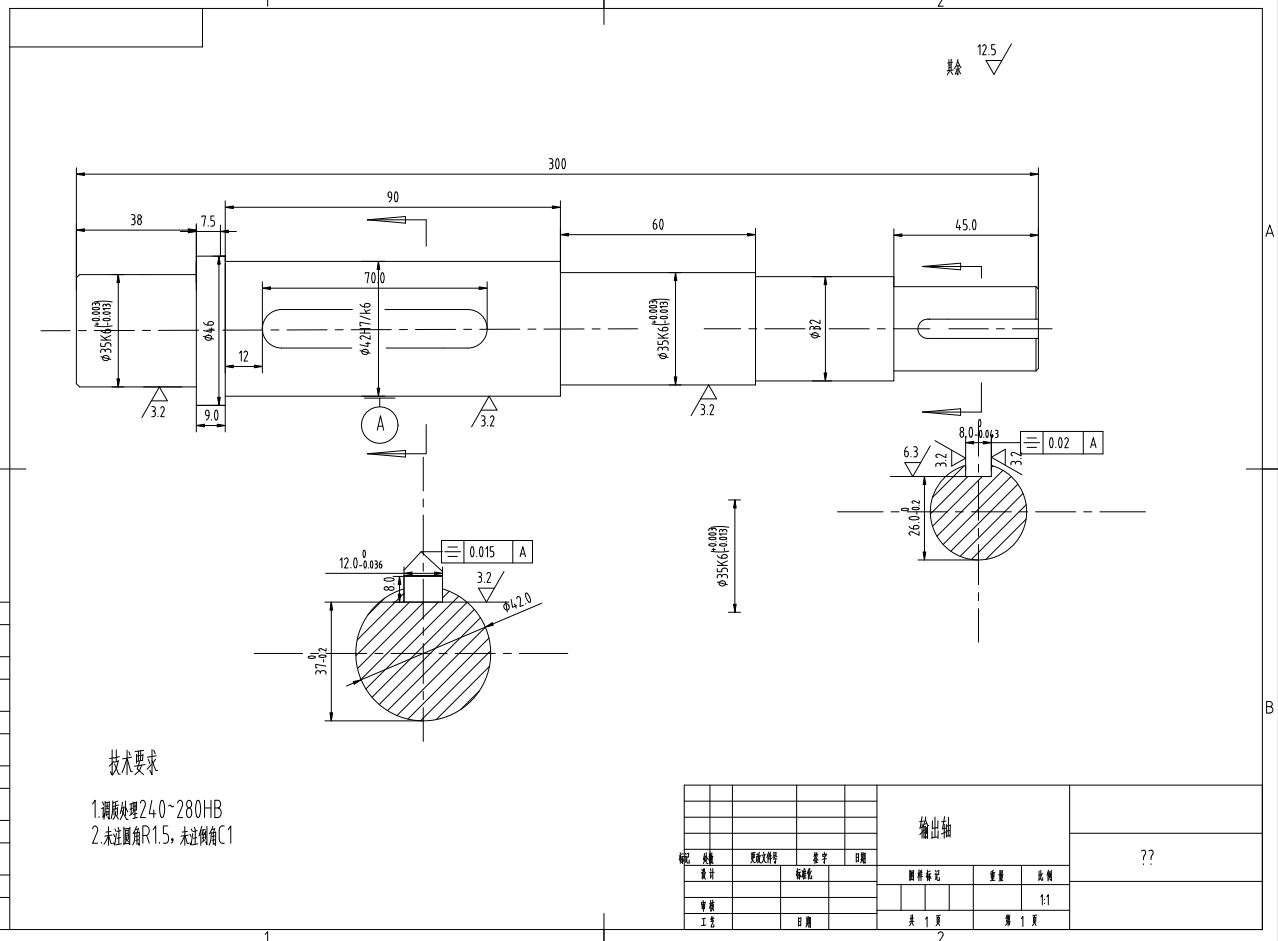
49. 输出轴.PDF
23.8 KB
50. 输出轴.dwg
213 KB
51. 输出轴.dwg
223 KB
52. 输出轴.exb
93.5 KB
53. 金属带变速器.dwg
334 KB
54. 金属带变速器.exb
137 KB
【金属带式无极变速器设计【无级变速器】CAD+说明书==457497=250】相关作品
下载提示
×

下载该图档需要消耗20金币!

确认下载
-- 热门充值套餐 · 限时优惠 --
加载中