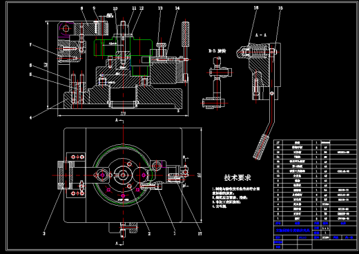
曲柄板立轴回转分度钻床夹具设计含CAD图纸工序卡说明书AutoCAD图档

CAD图档名称为:曲柄板立轴回转分度钻床夹具设计含CAD图纸工序卡说明书,属于机械设备,机加工设备分类,软件为AutoCAD, 图纸格式为dwg,可在线预览,可编辑,可供设计参考

加入收藏
模型参数

模型ID:10333449

模型大小:1.62M

软件版本: AutoCAD 2007

模型格式:dwg

是否可编辑:可修改,包括参数

上传时间:2025-12-07

图纸介绍:

下载模型
文件列表
1. 1-零件图.png
36.9 KB
2. CAD图纸汇总6张.dwg
1.02 MB
3. 夹具零件图3张.png
29.7 KB
4. 曲柄板 工艺过程卡.doc
55.5 KB
5. 曲柄板工序卡.doc
394 KB
6. 曲柄板工艺及夹具设计说明书.doc
1.69 MB
7. 毛坯图.png
27.3 KB
8. 装配图.png
51.6 KB
【曲柄板立轴回转分度钻床夹具设计含CAD图纸工序卡说明书】相关作品
下载提示
×

下载该图档需要消耗20金币!

确认下载
-- 热门充值套餐 · 限时优惠 --
加载中