E1220-维修用单轨吊AutoCAD图档

图档名称为:E1220-维修用单轨吊,属于机械设备,非标机械分类,软件为AutoCAD, 图纸格式为pdf,dwg,可在线预览,可编辑,可供设计参考

加入收藏
模型参数

模型ID:10332362

模型大小:8.02M

软件版本: AutoCAD 2004

模型格式:pdf,dwg

是否可编辑:可修改,包括参数

上传时间:2025-12-06

图纸介绍:

下载模型
采蘩
作品: 0
粉丝: 0
文件列表
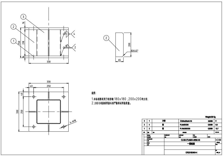
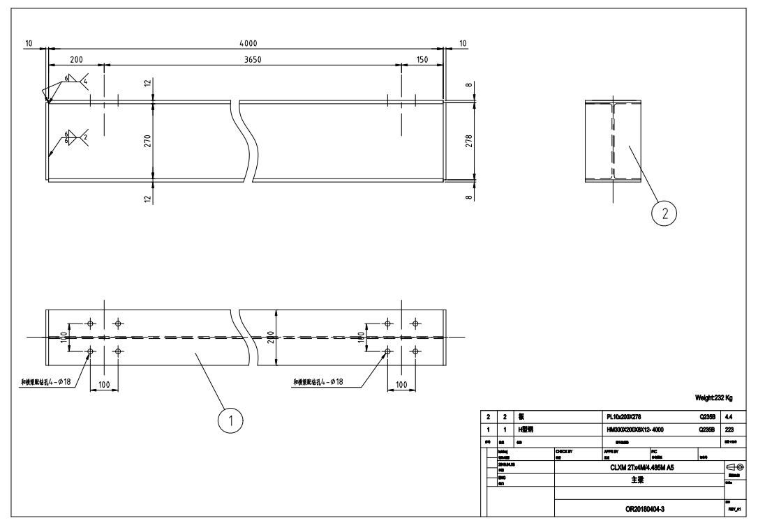
1. OR20180404-1.PDF
50.7 KB
2. OR20180404-1.dwg
400 KB
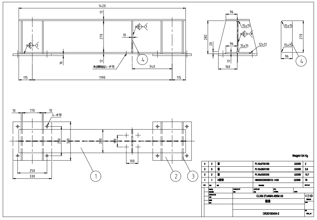
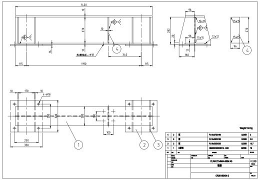
3. OR20180404-2.PDF
63.6 KB
4. OR20180404-2.dwg
412 KB
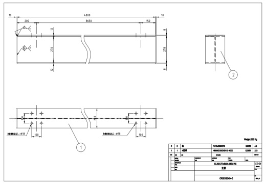
5. OR20180404-3.PDF
52.9 KB
6. OR20180404-3.dwg
401 KB
7. OR20180404-4.PDF
56.8 KB
8. OR20180404-4.dwg
401 KB
9. OR20180404-5.PDF
51.1 KB
10. OR20180404-5.dwg
406 KB
11. OR20180404-6.PDF
48.3 KB
12. OR20180404-6.dwg
408 KB
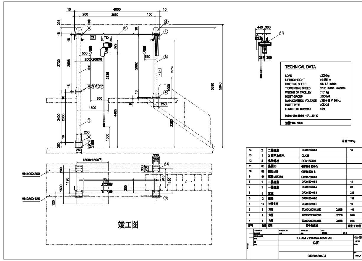
13. OR20180404.PDF
321 KB
14. OR20180404.dwg
5.56 MB
15. 微信截图_20240327202314.png
265 KB
16. 微信截图_20240327202323.png
90.4 KB
17. 微信截图_20240327202328.png
78.5 KB
18. 微信截图_20240327202335.png
86.1 KB
19. 微信截图_20240327202341.png
128 KB
【E1220-维修用单轨吊】相关作品
滚动更载更多~
提示
×

下载该图档需要消耗20金币!

确认下载
加载中