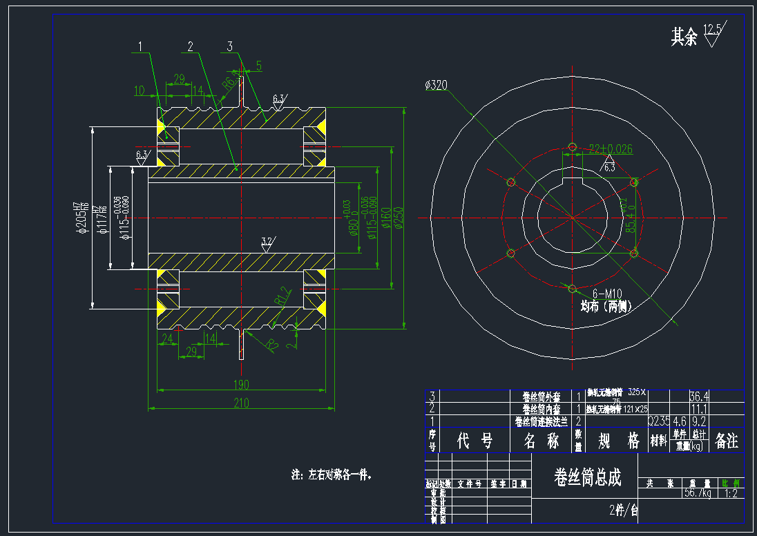
一种卷扬机的铰轮CAD图AutoCAD图档

图档名称为:一种卷扬机的铰轮CAD图,属于机械设备,非标机械分类,软件为AutoCAD, 图纸格式为dwg,可在线预览,可编辑,可供设计参考

加入收藏
模型参数

模型ID:10331743

模型大小:2.19M

软件版本: AutoCAD 2010

模型格式:dwg

是否可编辑:可修改,包括参数

上传时间:2025-12-05

图纸介绍:

下载模型
作品: 269
粉丝: 0
文件列表
1. CAD图纸.png
46.6 KB
2. 一种卷扬机的铰轮CAD图.dwg
2.92 MB
3. 内外套.png
40.2 KB
4. 卷丝筒.png
52.2 KB
5. 总装图.png
47.6 KB
【一种卷扬机的铰轮CAD图】相关作品
下载提示
×

下载该图档需要消耗20金币!

确认下载
-- 热门充值套餐 · 限时优惠 --
加载中