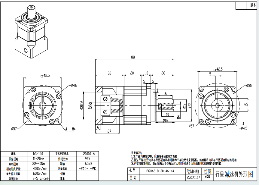
PGH42-L1 8-30-46-M4stp,SolidWorks 3D模型

3D模型名称为:PGH42-L1 8-30-46-M4,属于机械设备,非标机械分类,软件为stp,SolidWorks, 三维模型格式为pdf,sldprt,可在线预览,可编辑,可供设计参考

加入收藏
模型参数

模型ID:10325990

模型大小:3.49M

软件版本: stp,SolidWorks

模型格式:pdf,sldprt

是否可编辑:可修改,包括参数

上传时间:2025-11-29

图纸介绍:

免费下载
清扬
作品: 0
粉丝: 0
文件列表
1. 13.png
67.4 KB
2. D.png
106 KB
3. PGH42-L1 8-30-46-M4.pdf
97.2 KB
4. PGH42-L1 8-30-46-M4.stp
2.54 MB
5. PGH42-L1-8-30-46-M4.SLDPRT
2.81 MB
【PGH42-L1 8-30-46-M4】相关作品
提示
×

下载该图档需要消耗0金币!

确认下载
加载中