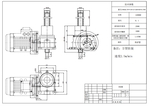
DSWLB2.5T-P-1B-III-1200-AFZ-0.37KWSolidWorks,step 3D模型

机械图纸名称为:DSWLB2.5T-P-1B-III-1200-AFZ-0.37KW,属于机械设备,非标机械分类,软件为SolidWorks,step, 三维模型格式为sldprt,step,pdf,可在线预览,可编辑,可供设计参考

加入收藏
模型参数

模型ID:10325977

模型大小:2.41M

软件版本: SolidWorks,step

模型格式:sldprt,step,pdf

是否可编辑:可修改,包括参数

上传时间:2025-11-29

图纸介绍:

免费下载
文件列表
1. 7.png
77.6 KB
2. DSWLB2.5T-P-1B-III-1200-AFZ-0.37KW.SLDPRT
1.58 MB
3. DSWLB2.5T-P-1B-III-1200-AFZ-0.37KW.STEP
3.71 MB
4. DSWLB2.5T-P-1B-III-1200-AFZ-0.37KW.pdf
81.2 KB
5. U.png
106 KB
【DSWLB2.5T-P-1B-III-1200-AFZ-0.37KW】相关作品
下载提示
×

下载该图档需要消耗0金币!

确认下载
-- 热门充值套餐 · 限时优惠 --
加载中