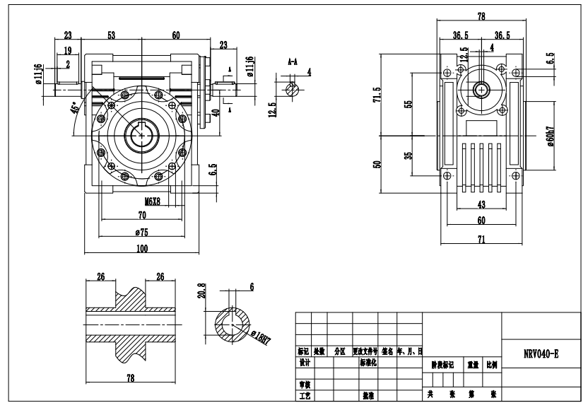
NRV040-ESolidWorks,step 三维模型

三维机械图纸名称为:NRV040-E,属于机械设备,非标机械分类,软件为SolidWorks,step, 三维模型格式为sldprt,pdf,step,可在线预览,可编辑,可供设计参考

加入收藏
模型参数

模型ID:10325972

模型大小:2.19M

软件版本: SolidWorks,step

模型格式:sldprt,pdf,step

是否可编辑:可修改,包括参数

上传时间:2025-11-29

图纸介绍:

免费下载
文件列表
1. 12.png
106 KB
2. NRV040-E.SLDPRT
1.24 MB
3. NRV040-E.pdf
84.1 KB
4. NRV040-E.step
4.78 MB
5. S.png
70.9 KB
【NRV040-E】相关作品
下载提示
×

下载该图档需要消耗0金币!

确认下载
-- 热门充值套餐 · 限时优惠 --
加载中