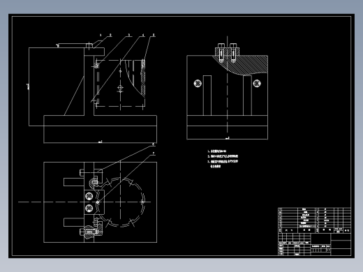
微电机壳加工工艺及钻Φ8.5mm孔夹具设计AutoCAD图档

图档名称为:微电机壳加工工艺及钻Φ8.5mm孔夹具设计,属于设备部件,电机减速机分类,软件为AutoCAD, 图纸格式为dwg,可在线预览,可编辑,可供设计参考

加入收藏
模型参数

模型ID:10299698

模型大小:293.87KB

软件版本: AutoCAD 2004

模型格式:dwg

是否可编辑:可修改,包括参数

上传时间:2025-11-04

图纸介绍:

下载模型
作品: 307
粉丝: 0
文件列表
1. 夹具及零件3个.dwg
179 KB
2. 封条.doc
23.5 KB
3. 封皮任务书.doc
28 KB
4. 工序卡片.dwg
69.3 KB
5. 毛坯.dwg
68.9 KB
6. 目录.doc
23.5 KB
7. 说明书.doc
215 KB
8. 过程卡片.dwg
42.6 KB
9. 零件.dwg
51.8 KB
【微电机壳加工工艺及钻Φ8.5mm孔夹具设计】相关作品
下载提示
×

下载该图档需要消耗10金币!

确认下载
-- 热门充值套餐 · 限时优惠 --
加载中