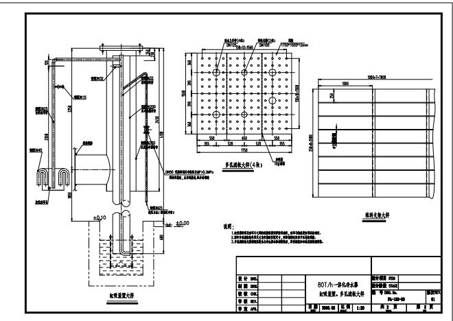
E1414-全自动一体化河水净水器设备加工图纸AutoCAD图档

图档名称为:E1414-全自动一体化河水净水器设备加工图纸,属于数码电器,家用电器分类,软件为AutoCAD, 图纸格式为dwg,可在线预览,可编辑,可供设计参考

加入收藏
模型参数

模型ID:10298854

模型大小:1.15M

软件版本: AutoCAD 2004

模型格式:dwg

是否可编辑:可修改,包括参数

上传时间:2025-11-03

图纸介绍:

下载模型
烟渚
作品: 0
粉丝: 0
文件列表
1. 全自动一体化河水净水器设备加工图纸==868174=40.dwg
753 KB
2. 微信截图_20240330140501.png
432 KB
3. 微信截图_20240330140509.png
101 KB
【E1414-全自动一体化河水净水器设备加工图纸】相关作品
滚动更载更多~
提示
×

下载该图档需要消耗10金币!

确认下载
加载中