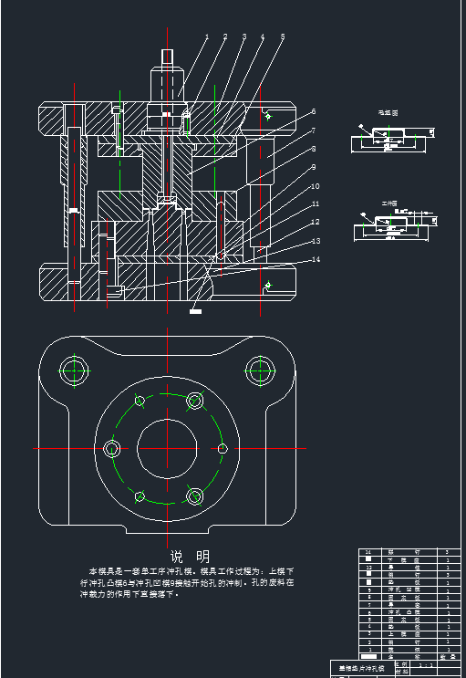
盖冒垫片设计AutoCAD图档

图档名称为:盖冒垫片设计,属于机械设备,非标机械分类,软件为AutoCAD, 图纸格式为dwg,可在线预览,可编辑,可供设计参考

加入收藏
模型参数

模型ID:10289979

模型大小:701.26KB

软件版本: AutoCAD 2004

模型格式:dwg

是否可编辑:可修改,包括参数

上传时间:2025-10-27

图纸介绍:

下载模型
枕寒流
作品: 0
粉丝: 0
文件列表
1. 内容1.png
48.3 KB
2. 内容2.png
35.5 KB
3. 盖冒垫片(1).dwg
216 KB
4. 盖冒垫片(1.png
24.5 KB
5. 盖冒垫片(2).dwg
294 KB
6. 盖冒垫片(2).png
22.3 KB
7. 盖冒垫片(2)1.png
30.3 KB
8. 盖冒垫片设计说明书.doc
250 KB
【盖冒垫片设计】相关作品
滚动更载更多~
提示
×

下载该图档需要消耗10金币!

确认下载
加载中