车窗升降控制器金属拉深模设计AutoCAD图档

图档名称为:车窗升降控制器金属拉深模设计,属于机械设备,非标机械分类,软件为AutoCAD, 图纸格式为dwg,可在线预览,可编辑,可供设计参考

加入收藏
模型参数

模型ID:10270044

模型大小:1.08M

软件版本: AutoCAD 2018

模型格式:dwg

是否可编辑:可修改,包括参数

上传时间:2025-07-18

图纸介绍:

下载模型
关雎
作品: 0
粉丝: 0
文件列表
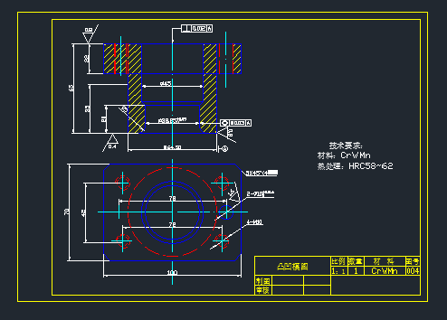
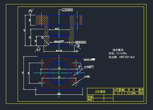
1. 凸凹模零件图.dwg
34.5 KB
2. 凸凹模零件图.png
10.8 KB
3. 拉深凸模零件图.dwg
38.5 KB
4. 拉深凸模零件图.png
13.1 KB
5. 新建文本文档.txt
187 B
6. 组件图.png
19.4 KB
7. 落料凹模改.dwg
30.8 KB
8. 落料凹模改.png
14.6 KB
9. 装配图.dwg
79 KB
10. 装配图.png
30.7 KB
11. 车窗升降控制器金属拉深模设计-说明书.doc
1020 KB
12. 零件图-工件图.png
5.17 KB
13. 零件图.dwg
397 KB
【车窗升降控制器金属拉深模设计】相关作品
滚动更载更多~
提示
×

下载该图档需要消耗10金币!

确认下载
加载中