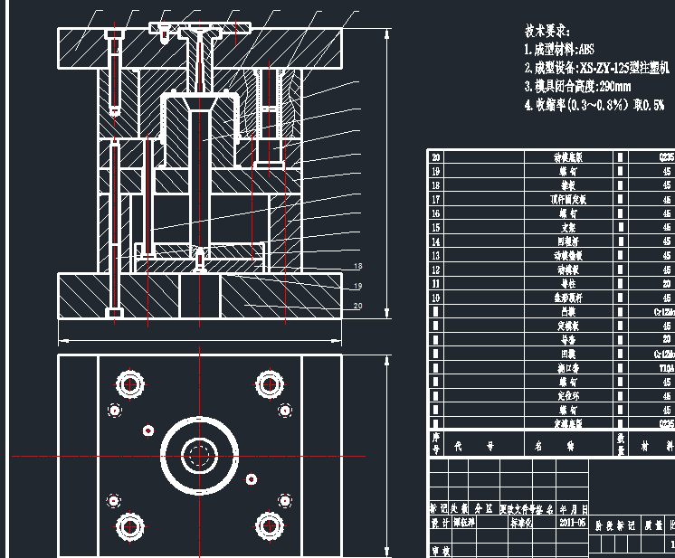
固定架注射模设计AutoCAD图档

图档名称为:固定架注射模设计,属于机械设备,非标机械分类,软件为AutoCAD, 图纸格式为dwg,pdf,可在线预览,可编辑,可供设计参考

加入收藏
模型参数

模型ID:10268318

模型大小:4.65M

软件版本: AutoCAD 2007

模型格式:dwg,pdf

是否可编辑:可修改,包括参数

上传时间:2025-07-10

图纸介绍:

下载模型
画中仙
作品: 0
粉丝: 0
文件列表
1. 1.png
26.2 KB
2. 2.png
25.2 KB
3. 3.png
16.5 KB
4. A2动模(零件图模样).dwg
97.5 KB
5. A3动模镶件(零件图模样).dwg
81 KB
6. 关于可机加工性的论述-中英文-翻译.doc
32 KB
7. 关于可机加工性的论述-中英文-翻译.pdf
3.5 MB
8. 内容.png
42 KB
9. 压块.dwg
66.1 KB
10. 压紧块A4.dwg
77.8 KB
11. 固定架注射模设计(有cad图+文献翻译).doc
809 KB
12. 固定架装配图.dwg
198 KB
13. 塑模A3(装配图模样).dwg
99.2 KB
14. 复件 A2所有图.dwg
118 KB
15. 定位圈.dwg
79.1 KB
16. 实习报告.doc
20 KB
17. 实习日记.doc
25 KB
18. 拉钩.dwg
65.1 KB
19. 摘要.png
16.4 KB
20. 斜导柱.dwg
63.3 KB
21. 浇口套(零件图模样).dwg
66.6 KB
22. 滑块.dwg
82.3 KB
23. 目录.png
39 KB
【固定架注射模设计】相关作品
下载提示
×

下载该图档需要消耗10金币!

确认下载
-- 热门充值套餐 · 限时优惠 --
加载中