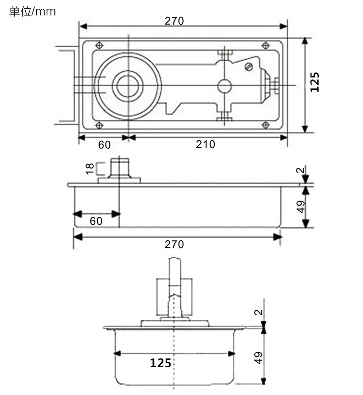
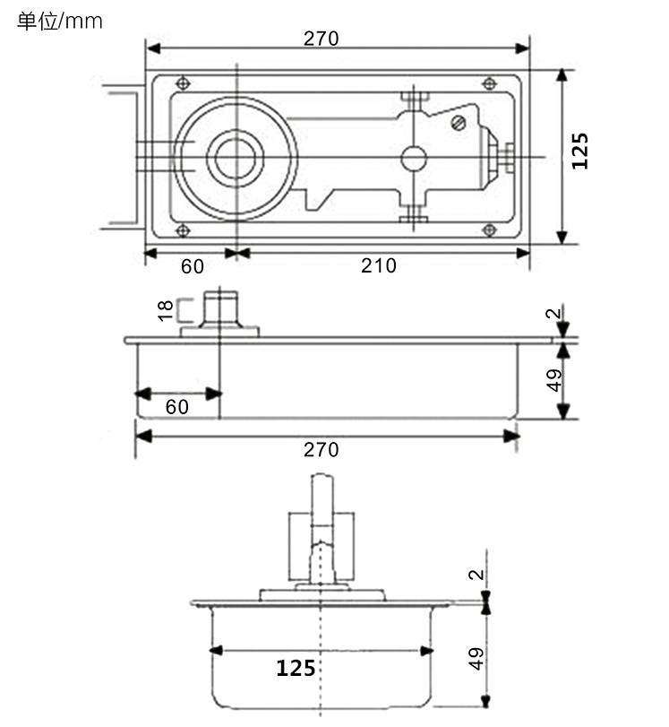
自动感应门无框玻璃门地弹簧AutoCAD图档

图档名称为:自动感应门无框玻璃门地弹簧,属于设备部件,工器具分类,软件为AutoCAD, 图纸格式为dwg,可在线预览,可编辑,可供设计参考

加入收藏
模型参数

模型ID:10266787

模型大小:59.19M

软件版本: AutoCAD 2004

模型格式:dwg

是否可编辑:可修改,包括参数

上传时间:2025-07-08

图纸介绍:

下载模型
沧海横流
作品: 0
粉丝: 0
文件列表
1. 01.jpg
154 KB
2. 02.jpg
144 KB
3. 03.jpg
143 KB
4. 1042188b1sysigy44gyob1_jpg_thumb.jpg
191 KB
5. 10423486574zsnzuqtssot_jpg_thumb.jpg
180 KB
6. 104258fjdf9fhffakj0nf9_jpg_thumb.jpg
154 KB
7. 104339mx4z87u8u3ih4p78_jpg_thumb.jpg
170 KB
8. 104419ui5ukrtkk78rrr7p_jpg_thumb.jpg
190 KB
9. 104445ai4o5q8qkaqz5i5k_jpg_thumb.jpg
197 KB
10. 104508sgafapt8as7cd9ba_jpg_thumb.jpg
176 KB
11. 104529e7808j07tkj0k8uj_jpg_thumb.jpg
224 KB
12. 1045453jjpdl3bxp23k3yl_jpg_thumb.jpg
184 KB
13. 10455688p2eh7k75542p4w_jpg_thumb.jpg
217 KB
14. 11 门大样图 DS01-02.dwg
2.08 MB
15. 114007ghoxqh30v333vbet.jpg
478 KB
16. 114022s0gta00mqiv0bm03.jpg
1.19 MB
17. 380套施工节点集合.dwg
9.86 MB
18. 400套通用节点.dwg
4.76 MB
19. M-99-01~M-99-04_Doors Schedule.dwg
464 KB
20. M-99-05~M-99-09_Doors Details.dwg
765 KB
21. TB2ErYmX8YxQeBjSszeXXa0spXa_!!762095276.jpg
81.3 KB
22. TB2LGyChVXXXXXSXpXXXXXXXXXX_!!808146202.jpg
343 KB
23. TB2P4_lX4HxQeBjy1zjXXa5YVXa_!!762095276.jpg
141 KB
24. TB2SOHmX6nyQeBjSspbXXazUXXa_!!762095276.jpg
124 KB
25. TB2SeznlVXXXXXiXXXXXXXXXXXX_!!762095276.jpg
68.1 KB
26. TB2dC9KhVXXXXbHXXXXXXXXXXXX_!!808146202.jpg
87.8 KB
27. TB2hUGEhVXXXXcVXXXXXXXXXXXX_!!808146202.jpg
146 KB
28. TB2hg1DhVXXXXc8XXXXXXXXXXXX_!!808146202.jpg
238 KB
29. TB2jf2nX4fxQeBjSsppXXXeoFXa_!!762095276.jpg
104 KB
30. TB2nz5NhVXXXXbAXXXXXXXXXXXX_!!808146202.jpg
238 KB
31. TB2qe9DhVXXXXXEXpXXXXXXXXXX_!!808146202.jpg
225 KB
32. TB2uyKVhVXXXXXFXXXXXXXXXXXX_!!808146202.jpg
200 KB
33. 单开门双开门玻璃门移门各类门节点详图.dwg
16.3 MB
34. 各类消火栓装饰门及管道井装饰门节点.dwg
404 KB
35. 地弹簧门自动感应门折叠门无框玻璃门天地转轴门节点图.dwg
6.94 MB
36. 淋浴间玻璃门入墙式移门节点详图.dwg
746 KB
37. 第五章 落地玻璃隔断、无框玻璃门地弹簧门室内店招做法.dwg
976 KB
38. 绿城房门节点.dwg
2.98 MB
39. 超高超重门安装节点.dwg
674 KB
40. 门大样图 DS03.dwg
2.3 MB
41. 门石材暗门服务台详图.dwg
1.09 MB
42. 门详图1.dwg
3.38 MB
43. 门详图2.dwg
257 KB
44. 门详图3.dwg
1.17 MB
45. 门详图3.dwg
625 KB
46. 门详图4.dwg
1.31 MB
47. 门详图4.dwg
681 KB
48. 门详图5.dwg
1.14 MB
49. 门详图5.dwg
749 KB
50. 门详图6.dwg
1.39 MB
51. 门详图7.dwg
1.85 MB
52. 门详图8.dwg
1.4 MB
53. 门详图9.dwg
3.34 MB
54. 防火门闭门器.dwg
756 KB
【自动感应门无框玻璃门地弹簧】相关作品
滚动更载更多~
提示
×

下载该图档需要消耗300金币!

确认下载
加载中