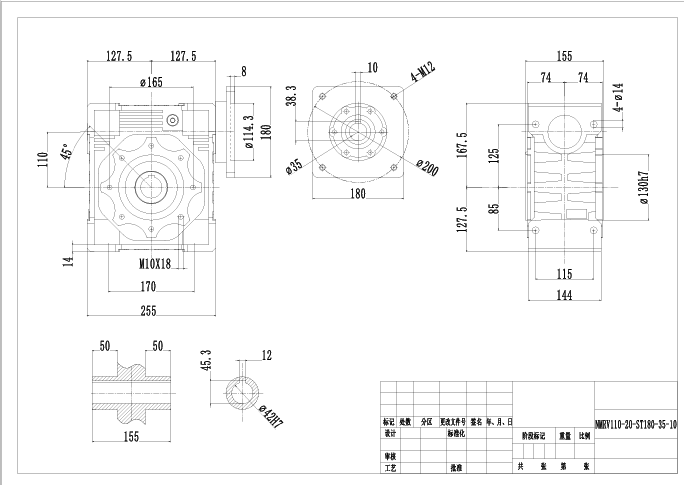
NMRV110-20-ST180-35-10SolidWorks,step 3D模型

3D模型名称为:NMRV110-20-ST180-35-10,属于机械设备,非标机械分类,软件为SolidWorks,step, 三维模型格式为sldprt,step,pdf,可在线预览,可编辑,可供设计参考

加入收藏
模型参数

模型ID:10265572

模型大小:1.24M

软件版本: SolidWorks,step

模型格式:sldprt,step,pdf

是否可编辑:可修改,包括参数

上传时间:2025-07-07

图纸介绍:

免费下载
蓼莪
作品: 0
粉丝: 0
文件列表
1. 9.png
81.7 KB
2. 99.png
39.1 KB
3. NMRV110-20-ST180-35-10.SLDPRT
815 KB
4. NMRV110-20-ST180-35-10.STEP
1.69 MB
5. NMRV110-20-ST180-35-10.pdf
87.5 KB
【NMRV110-20-ST180-35-10】相关作品
下载提示
×

下载该图档需要消耗0金币!

确认下载
-- 热门充值套餐 · 限时优惠 --
加载中