LDM1060除尘器AutoCAD图档
图档名称为:LDM1060除尘器,属于机械设备,环保设备分类,软件为AutoCAD, 图纸格式为dwg,可在线预览,可编辑,可供设计参考
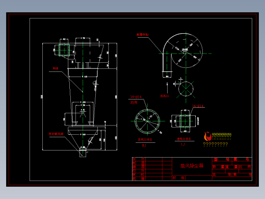
平面图
加入收藏
模型参数
模型ID:10264320
模型大小:4.76M
软件版本: AutoCAD
模型格式:dwg
是否可编辑:可修改,包括参数
上传时间:2025-07-05
图纸介绍:
击鼓
+
关注
作品: 0
粉丝: 0
文件列表
1. 6灰斗零部件.dwg
218 KB
2. LDM1060.1-1支柱(1).exb
100 KB
3. LDM1060.1-1支柱(2).exb
102 KB
4. LDM1060.1立柱.exb
121 KB
5. LDM1060.2-101灰斗法兰框.exb
107 KB
6. LDM1060.2-102灰斗侧板(1).exb
118 KB
7. LDM1060.2-103支撑管.exb
101 KB
8. LDM1060.2-104灰斗侧板(2).exb
115 KB
9. LDM1060.2-105灰斗挡风板(1).exb
99 KB
10. LDM1060.2-106灰斗挡风板(2).exb
105 KB
11. LDM1060.2-107灰斗端板.exb
117 KB
12. LDM1060.2-108圆弧板.exb
92.5 KB
13. LDM1060.2-1灰斗.exb
142 KB
14. LDM1060.2-2 灰斗外法兰.exb
95.5 KB
15. LDM1060.2-4端头封板.exb
91 KB
16. LDM1060.2灰斗装置.exb
212 KB
17. LDM1060.4.1-10壁板(3).exb
105 KB
18. LDM1060.4.1-1101喷吹短管.exb
92.5 KB
19. LDM1060.4.1-1102套管.exb
93 KB
20. LDM1060.4.1-11喷吹管.exb
111 KB
21. LDM1060.4.1-12U形螺栓.exb
93.5 KB
22. LDM1060.4.1-13花板.exb
104 KB
23. LDM1060.4.1-14支撑管(1).exb
92.5 KB
24. LDM1060.4.1-15花板骨架.exb
103 KB
25. LDM1060.4.1-16支撑管(2).exb
92.5 KB
26. LDM1060.4.1-17支撑管(3).exb
92.5 KB
27. LDM1060.4.1-18支撑管(4).exb
92.5 KB
28. LDM1060.4.1-19支撑管(5).exb
92.5 KB
29. LDM1060.4.1-1壁板(1).exb
104 KB
30. LDM1060.4.1-20喷吹接管(1).exb
105 KB
31. LDM1060.4.1-21喷吹接管(2).exb
105 KB
32. LDM1060.4.1-22压紧固定槽.exb
92.5 KB
33. LDM1060.4.1-23 O形胶圈.exb
92.5 KB
34. LDM1060.4.1-2顶板(1).exb
104 KB
35. LDM1060.4.1-3顶板(2).exb
99.5 KB
36. LDM1060.4.1-4槽形板.exb
101 KB
37. LDM1060.4.1-5顶板(3).exb
104 KB
38. LDM1060.4.1-6壁板(2).exb
104 KB
39. LDM1060.4.1-7顶板(4).exb
99.5 KB
40. LDM1060.4.1-8喷吹管支架(1).exb
102 KB
41. LDM1060.4.1-9喷吹管支架(2).exb
103 KB
42. LDM1060.4.2-2顶板(1).exb
103 KB
43. LDM1060.4.2-3顶板(2).exb
101 KB
44. LDM1060.4.2-5顶板(3).exb
104 KB
45. 上箱体.exb
226 KB
46. 上箱体(1).bak
189 KB
47. 上箱体(1).exb
191 KB
48. 上箱体(2).bak
188 KB
49. 上箱体(2).exb
189 KB
50. 中箱体.exb
204 KB
51. 中间隔板.exb
124 KB
52. 侧板(1).exb
127 KB
53. 侧板(2).exb
133 KB
54. 侧板(3).exb
125 KB
55. 侧板(4).exb
127 KB
56. 侧板(5).exb
126 KB
57. 压板(1).exb
92 KB
58. 压板(2).exb
93.5 KB
59. 压紧固定槽.exb
92.5 KB
60. 喷吹接管.exb
92 KB
61. 喷吹系统.bak
691 KB
62. 喷吹系统.exb
691 KB
63. 围栏(1).exb
114 KB
64. 围栏(2).exb
112 KB
65. 围栏(3).exb
114 KB
66. 围栏(4).exb
115 KB
67. 围栏.exb
117 KB
68. 护栏(1).exb
93.5 KB
69. 护栏(2).exb
94 KB
70. 接管(1).exb
93 KB
71. 接管(2).exb
94 KB
72. 接管(3).exb
94 KB
73. 接管(4).exb
94 KB
74. 斜隔板.exb
128 KB
75. 梯子.bak
133 KB
76. 梯子.exb
136 KB
77. 检查门(1).exb
117 KB
78. 检查门(2).exb
117 KB
79. 槽钢.exb
95.5 KB
80. 气包.exb
148 KB
81. 气包支架.exb
101 KB
82. 滤袋总成.exb
108 KB
83. 滤袋骨架.exb
115 KB
84. 端板(1).exb
124 KB
85. 端板(2).exb
125 KB
86. 端板(3).exb
117 KB
87. 端板(4).exb
117 KB
88. 耳板.exb
93 KB
89. 角钢(2).bak
94.5 KB
90. 角钢(2).exb
94.5 KB
91. 角钢.exb
95 KB
92. 进出口法兰.exb
98.5 KB
93. 钢管.exb
97 KB
94. 除尘器.exb
196 KB
95. 风道斜隔板.exb
111 KB
96. 风道斜隔板(1).exb
109 KB
97. 风道斜隔板(2).exb
111 KB
98. 风道隔板(1).exb
127 KB
99. 风道隔板(2).exb
133 KB
100. 风道隔板(3).exb
127 KB
举报/反馈
免责申明:
本网站模型由用户自行上传,如权利人发现存在误传其作品情形,请及时与本站联系。
【LDM1060除尘器】相关作品
滚动更载更多~
模型报错
模型报错类型:
分类错误
版本错误
雷同或版权问题,重复ID
图片与模型不一致
文件不完整
解压文件打不开或有问题
模型报错描述:
联系方式
提交报错
提示
×
下载该图档需要消耗10金币!
确认下载
我和会话