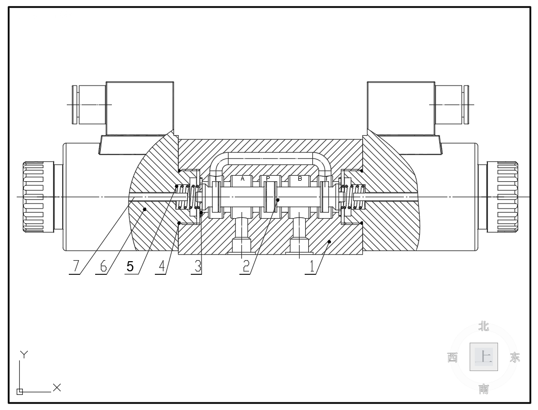
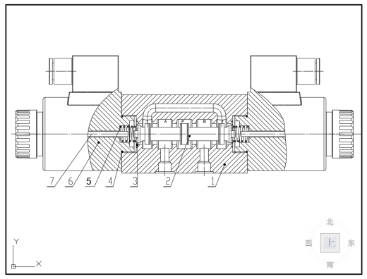
十通径电磁换向阀(全系列)1.01mAutoCAD图档

图档名称为:十通径电磁换向阀(全系列)1.01m,属于机械设备,非标机械分类,软件为AutoCAD, 图纸格式为dwg,可在线预览,可编辑,可供设计参考

加入收藏
模型参数

模型ID:10258413

模型大小:960.82KB

软件版本: AutoCAD 2018

模型格式:dwg

是否可编辑:可修改,包括参数

上传时间:2025-06-27

图纸介绍:

下载模型
沽山色
作品: 0
粉丝: 0
文件列表
1. 1708312135456.jpg
150 KB
2. 4WE10H-00 三位四通电磁换向阀(H型阀芯凸肩3).dwg
290 KB
3. 4WE10H-01 阀体.DWG
104 KB
4. 4WE10H-02 阀芯.DWG
59.3 KB
5. 4WE10H-03 弹簧座.DWG
43.7 KB
6. 4WE10H-05 弹簧.DWG
92.1 KB
7. 4WE10H-07 推杆.dwg
58.5 KB
8. 企业微信截图_20230209133541.png
73.9 KB
9. 十通径H型电磁换向阀(阀芯凸肩数3)设计说明书.doc
475 KB
【十通径电磁换向阀(全系列)1.01m】相关作品
滚动更载更多~
提示
×

下载该图档需要消耗10金币!

确认下载
加载中