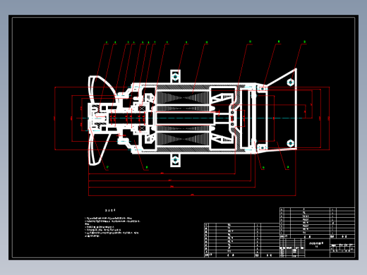
搅拌器结构总图AutoCAD图档

图档名称为:搅拌器结构总图,属于机械设备,化工设备分类,软件为AutoCAD, 图纸格式为dwg,可在线预览,可编辑,可供设计参考

加入收藏
模型参数

模型ID:10252060

模型大小:113.09KB

软件版本: AutoCAD 14

模型格式:dwg

是否可编辑:可修改,包括参数

上传时间:2025-06-19

图纸介绍:

下载模型
采菲
作品: 0
粉丝: 0
文件列表
1. 搅拌器结构总图.dwg
247 KB
【搅拌器结构总图】相关作品
滚动更载更多~
提示
×

下载该图档需要消耗10金币!

确认下载
加载中