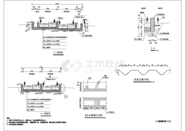
表面流人工湿地CAD平面布置参考图AutoCAD图档

图档名称为:表面流人工湿地CAD平面布置参考图,属于机械设备,非标机械分类,软件为AutoCAD, 图纸格式为dwg,可在线预览,可编辑,可供设计参考

加入收藏
模型参数

模型ID:10244510

模型大小:958.36KB

软件版本: AutoCAD 2004

模型格式:dwg

是否可编辑:可修改,包括参数

上传时间:2025-06-11

图纸介绍:

下载模型
文件列表
1. 16876130979593318283.dwg
1.08 MB
2. rBBhH1-13pOAZ7N5AAHMHFs9adY852-1.jpg!610c.jpg
36.4 KB
3. 点击领取免费资料.html
224 B
【表面流人工湿地CAD平面布置参考图】相关作品
下载提示
×

下载该图档需要消耗20金币!

确认下载
-- 热门充值套餐 · 限时优惠 --
加载中