CAD练习学习图纸新手图库机械建筑电气设计基础dwg素材AutoCAD图档
图档名称为:CAD练习学习图纸新手图库机械建筑电气设计基础dwg素材,属于电力仪表,电气附件分类,软件为AutoCAD, 图纸格式为dwg,pdf,可在线预览,可编辑,可供设计参考
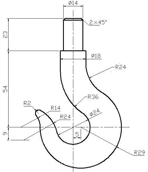
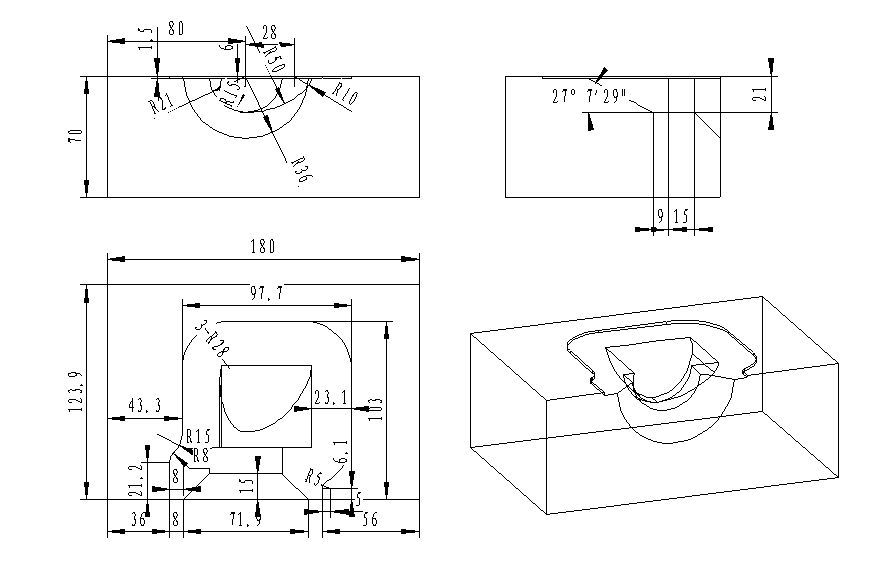
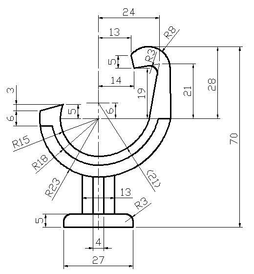
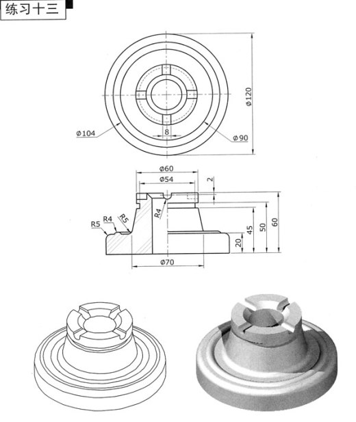
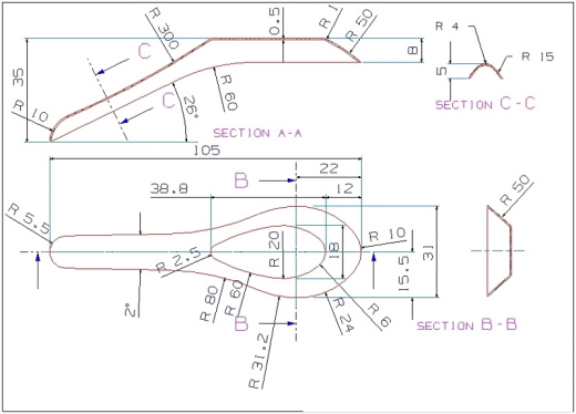
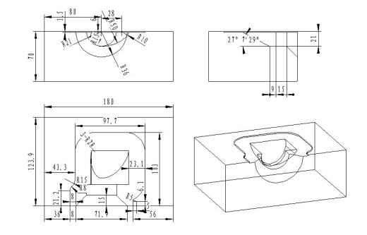
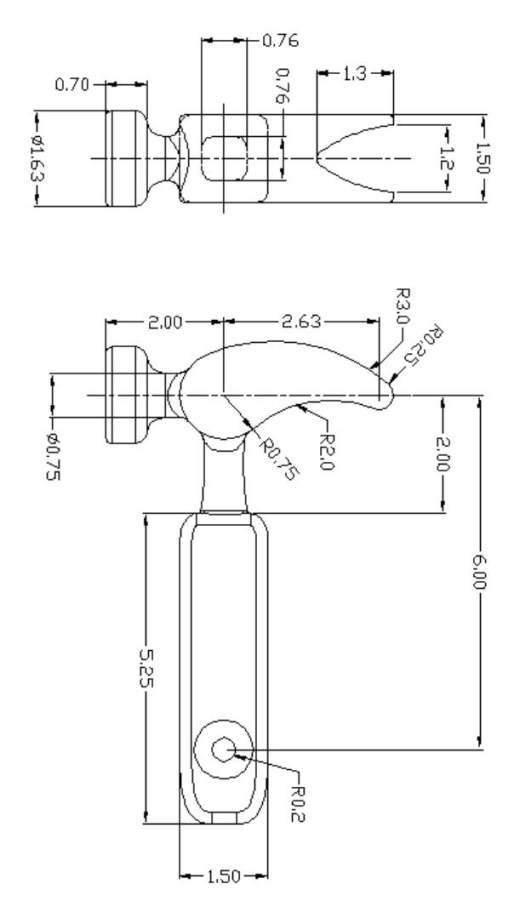
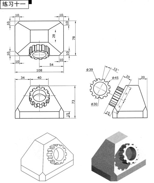
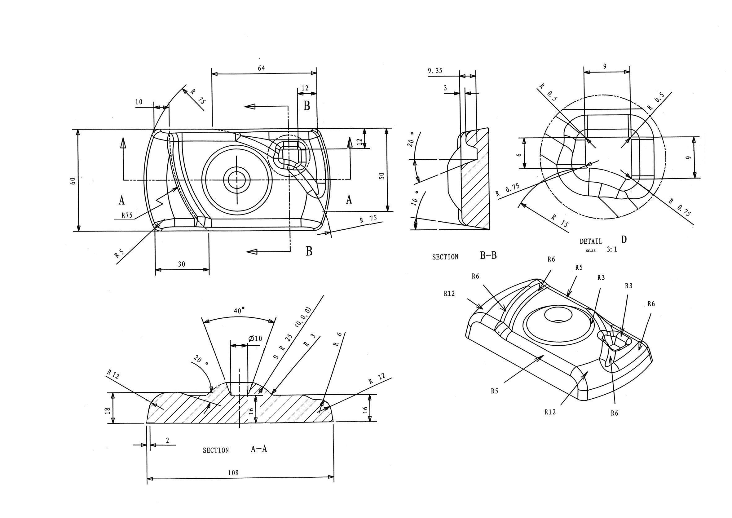
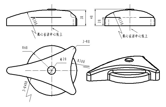
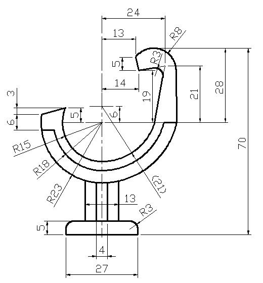
平面图
加入收藏
模型参数
模型ID:10244067
模型大小:65.92M
软件版本: AutoCAD 2004
模型格式:dwg,pdf
是否可编辑:可修改,包括参数
上传时间:2025-06-10
图纸介绍:
青柠
+
关注
作品: 0
粉丝: 0
文件列表
1. 002[1].jpg.thumb.jpg
36.7 KB
2. 01 支架.DWG
28.8 KB
3. 02 六角螺母.DWG
25.9 KB
4. 03 垫片.DWG
24.7 KB
5. 04 定位套.DWG
25.8 KB
6. 05 圆锥销.DWG
30.9 KB
7. 06 凸轮.DWG
24.3 KB
8. 06.tif
827 KB
9. 07 挡油盘.DWG
31.6 KB
10. 08 手柄.DWG
24.7 KB
11. 09 V带传动图例.DWG
27.5 KB
12. 09-4-16.jpg
80.8 KB
13. 1.dwg
31.9 KB
14. 1.jpg
57.8 KB
15. 1.tif
558 KB
16. 10 起重钩.DWG
25.5 KB
17. 10.dwg
30.3 KB
18. 10.tif
431 KB
19. 100 并列视口的打印输出(效果图).DWG
675 KB
20. 11 外螺纹.DWG
26.7 KB
21. 11.tif
777 KB
22. 12 平垫圈.DWG
28.1 KB
23. 12.tif
839 KB
24. 13 椭形压盖.DWG
24.8 KB
25. 13.tif
441 KB
26. 14 轴键槽.DWG
28.3 KB
27. 14.tif
385 KB
28. 15 平键二视图.DWG
27.3 KB
29. 15.tif
414 KB
30. 16 半圆键二视图.DWG
28.7 KB
31. 16.tif
426 KB
32. 17 圆柱销.DWG
29.6 KB
33. 18 开口销.DWG
30.4 KB
34. 19 拨叉轮.DWG
26.6 KB
35. 2.dwg
33.1 KB
36. 2.jpg
69.1 KB
37. 2.tif
754 KB
38. 20 推力球轴承.DWG
30.7 KB
39. 20.jpg
45 KB
40. 20T_5T主起升1.dwg
56 KB
41. 20T_5T主起升2.dwg
69.9 KB
42. 20T_5T副起升.dwg
60.5 KB
43. 20T_5T吸盘_KT2.dwg
79.8 KB
44. 20T_5T大车.dwg
62.2 KB
45. 20T_5T大车_凸轮.dwg
61.5 KB
46. 20T_5T小车.dwg
56.7 KB
47. 20T_5T总控.dwg
71.6 KB
48. 20T_5T电磁吸盘.dwg
82.4 KB
49. 21 粗糙度符号.DWG
24.4 KB
50. 22 O型盘根.DWG
25.2 KB
51. 23 固定联轴器简图.DWG
24.8 KB
52. 24 前阐轨弹簧.DWG
31.9 KB
53. 25 吊钩.DWG
25 KB
54. 27 螺母三视图.DWG
28.1 KB
55. 28 螺栓二视图.DWG
33.3 KB
56. 29 球轴承二视图.DWG
30.8 KB
57. 3.JPG
29.8 KB
58. 3.dwg
28.5 KB
59. 3.tif
807 KB
60. 30 大齿轮二视图.DWG
40 KB
61. 31 摇柄轮廓图.DWG
36.8 KB
62. 32 齿轮架轮廓图.DWG
28.2 KB
63. 33 阶梯轴二视图.DWG
30.9 KB
64. 34 盘盖剖视图.DWG
40 KB
65. 35 连杆轮廓图.DWG
39 KB
66. 36 法兰盘二视图.DWG
41.2 KB
67. 37 底座二视图.DWG
33.7 KB
68. 38 锁钩轮廓图.DWG
29 KB
69. 39 导向块二视图.DWG
38.7 KB
70. 4.JPG
53.4 KB
71. 4.dwg
28.4 KB
72. 4.tif
386 KB
73. 40 基板二视图.DWG
42.1 KB
74. 41 法兰套二视图.DWG
36.2 KB
75. 42 阀杆二视图.DWG
32 KB
76. 43 蜗轮二视图.DWG
40.3 KB
77. 44 阀盖二视图.DWG
47.4 KB
78. 45 泵盖二视图.DWG
48 KB
79. 45448_20031221133016_tech.jpg
56.7 KB
80. 45448_20031221193015_tech.jpg
59.1 KB
81. 45448_20031221193132_tech.jpg
62.4 KB
82. 45448_20031221193202_tech.jpg
56 KB
83. 45448_20031222110812_tech.jpg
64.3 KB
84. 45448_20031222120540_tech.jpg
70.5 KB
85. 45448_20031222141816_tech.jpg
62.6 KB
86. 45448_20031224141736_tech.jpg
64 KB
87. 45448_20031224141911_tech.jpg
54.1 KB
88. 45448_20031224142022_tech.jpg
53.4 KB
89. 45448_20031225164321_tech.jpg
72.5 KB
90. 45448_20031225164534_tech.jpg
54.5 KB
91. 45448_20031225164817_tech.jpg
69.3 KB
92. 45448_20031226113659_tech.jpg
59.9 KB
93. 45448_20031226135041_tech.jpg
56.1 KB
94. 46 拉杆三视图.DWG
48.4 KB
95. 47 轴瓦座二视图.DWG
43.4 KB
96. 48 壳体三视图.DWG
55.7 KB
97. 49 二维装配一.DWG
40.3 KB
98. 5.JPG
51.6 KB
99. 5.dwg
33.1 KB
100. 5.tif
832 KB
101. 50 二维装配二.DWG
35.5 KB
102. 51 轴测图一.DWG
35.1 KB
103. 52 轴测图二.DWG
32.5 KB
104. 53 轴测视三.DWG
36.5 KB
105. 54 轴测视四.DWG
38.7 KB
106. 55 哑铃模型.DWG
103 KB
107. 56 螺母模型.DWG
113 KB
108. 57 珠环模型.DWG
119 KB
109. 58 法兰盘模型.DWG
122 KB
110. 59 车轮模型.DWG
189 KB
111. 6.dwg
37.7 KB
112. 6.jpg
29 KB
113. 6.tif
828 KB
114. 60 花键轴模型.DWG
183 KB
115. 61 轴支架模型.DWG
119 KB
116. 62 轴底座模型.DWG
124 KB
117. 63 手柄模型.DWG
164 KB
118. 64 螺丝刀柄模型.DWG
190 KB
119. 65 制作扳手模型.DWG
116 KB
120. 66 拔叉轮模型.DWG
150 KB
121. 67 曲柄连杆模型.DWG
238 KB
122. 68 飞轮模型.DWG
279 KB
123. 69 低速轴模型.DWG
132 KB
124. 7.4-刹车片.jpg
72.4 KB
125. 7.JPG
34.8 KB
126. 7.dwg
30.7 KB
127. 7.tif
853 KB
128. 70 齿轮模型.DWG
285 KB
129. 71 复杂轴测图一.DWG
58.4 KB
130. 72 复杂轴测图二.DWG
56 KB
131. 73 轴测剖视图一.DWG
63.3 KB
132. 74 轴测剖视图二.DWG
44.9 KB
133. 75 底座模型.DWG
281 KB
134. 76 直角支架模型.DWG
134 KB
135. 77 阀管模型.DWG
171 KB
136. 78 弯管模型.DWG
177 KB
137. 79 制作腔体模型.DWG
178 KB
138. 8.JPG
45.9 KB
139. 8.dwg
37.4 KB
140. 8.tif
4.94 MB
141. 80 制作连接轴模型.DWG
190 KB
142. 81 柱塞泵.DWG
729 KB
143. 82 千斤顶分解图.DWG
203 KB
144. 82 千斤顶装配图.DWG
426 KB
145. 83 联轴部件的装配与分解.DWG
472 KB
146. 84 阀体装配图.DWG
679 KB
147. 85 材质的附着与模型的渲染.DWG
1.08 MB
148. 86 填写表格文字.DWG
26.5 KB
149. 87 标注技术要求.DWG
38.6 KB
150. 88 标注零件序号.DWG
45.2 KB
151. 89 标注直线性尺寸.DWG
45 KB
152. 9.dwg
30 KB
153. 9.tif
465 KB
154. 90 标注曲线性尺寸.DWG
34.1 KB
155. 91 标注尺寸公差.DWG
35 KB
156. 92 标注形位公差.DWG
37.9 KB
157. 93 标注装配图尺寸.DWG
42.7 KB
158. 94 轴测图尺寸标注.DWG
51 KB
159. 95 轴测图尺寸标注二.DWG
58.8 KB
160. 96 标注三维图尺寸.DWG
149 KB
161. 97 机械图形的符号标注.DWG
46.6 KB
162. 98 模型空间的打印输出.DWG
158 KB
163. 99 单个视口的打印输出.DWG
273 KB
164. A4-H.DWG
26.5 KB
165. CLOUD2.JPG
82.4 KB
166. CT.tif
703 KB
167. DSC00633.JPG
1.71 MB
168. Drawing3.dwg
81 KB
169. LX1.bmp
1.99 MB
170. LX2.bmp
1.99 MB
171. MOUSE.JPG
122 KB
172. Metal01.jpg
25.6 KB
173. Metal01.jpg
25.6 KB
174. SKY.JPG
209 KB
175. TB2BqEmblLzQeBjSZFjXXcscpXa_!!521021946.jpg
113 KB
176. TB2asLAXJfB11BjSspmXXctQVXa_!!521021946.jpg
76.5 KB
177. TB2ly3jbX6AQeBjSZFFXXaiFpXa_!!521021946.jpg
71.8 KB
178. TB2nFTCXM_z11Bjy1XbXXaScFXa_!!521021946.jpg
263 KB
179. TB2usLAXJfB11BjSspmXXctQVXa_!!521021946.jpg
48.1 KB
180. U盘.dwg
31.5 KB
181. U盘.dwg
31.5 KB
182. V带轮.dwg
48.5 KB
183. anmoqi.bmp
1.73 MB
184. bottle - 复制.jpg
166 KB
185. bottle.jpg
166 KB
186. cad_lx.JPG
1.79 MB
187. cad字体的修正方式.doc
96.5 KB
188. ch01.ppt
980 KB
189. ch02.ppt
960 KB
190. ch03.ppt
616 KB
191. ch04.ppt
485 KB
192. ch05.ppt
620 KB
193. ch06.ppt
656 KB
194. ch07.ppt
573 KB
195. ch08.ppt
658 KB
196. ch09.ppt
595 KB
197. ch10.ppt
816 KB
198. ch11.ppt
834 KB
199. ch12.ppt
565 KB
200. ch13.ppt
520 KB
201. ch14.ppt
449 KB
202. ch15.ppt
480 KB
203. ch16.ppt
284 KB
204. cs.JPG
324 KB
205. diaogou(09-4-22).jpg
212 KB
206. gaojiaobei.jpg
16.3 KB
207. image002.jpg
27.2 KB
208. image004.jpg
23.9 KB
209. image006.jpg
23.6 KB
210. image007.png
12.9 KB
211. image010.jpg
38.1 KB
212. kezi.JPG
505 KB
213. liangbei(09-4-25).jpg
86.1 KB
214. model1.jpg
66.4 KB
215. model2.jpg
82.6 KB
216. model3.jpg
58.6 KB
217. mw014.TIF
794 KB
218. mw014.TIF
794 KB
219. pingguo.bmp
1.7 MB
220. plant.jpg
147 KB
221. plant-op.jpg
88.9 KB
222. sezi.jpg
26.9 KB
223. shaizi.jpg
28 KB
224. shaozi.jpg
124 KB
225. shouyinji.jpg
141 KB
226. shouyinji1.jpg
116 KB
227. shouyinji3.jpg
52.5 KB
228. shuilongtou.bmp
1.7 MB
229. solid1.tif
411 KB
230. solid11.tif
469 KB
231. solid13.tif
419 KB
232. solid14.tif
453 KB
233. solid15.tif
528 KB
234. solid17.tif
364 KB
235. solid2.tif
224 KB
236. solid3.tif
1.75 MB
237. solid4.tif
580 KB
238. solid5.tif
460 KB
239. solid6.tif
452 KB
240. solid8.tif
449 KB
241. solid9.tif
467 KB
242. spoon.jpg
148 KB
243. yijiaz.jpg
73.1 KB
244. yijiazq.jpg
38.8 KB
245. zp1.tif
557 KB
246. 三视图-1.DWG
34.9 KB
247. 三视图-2.DWG
34.9 KB
248. 三视图-3.DWG
38.1 KB
249. 三视图-4.DWG
38.9 KB
250. 三视图.dwg
110 KB
251. 三视图1.dwg
30.4 KB
252. 三视图2.dwg
48.4 KB
253. 三视图投影示例.dwg
106 KB
254. 三视图练习.dwg
111 KB
255. 三视图练习1.dwg
30.3 KB
256. 书柜.dwg
93.6 KB
257. 书柜.dwg
93.7 KB
258. 书桌.dwg
36.2 KB
259. 书桌.dwg
36.2 KB
260. 书桌.log
397 B
261. 书籍.dgn
55.5 KB
262. 书籍.dwg
48.5 KB
263. 亭子立面图.dwg
28.8 KB
264. 亭子立面图.dwg
42.1 KB
265. 人物-01.psd
33.7 KB
266. 人物02.psd
56.7 KB
267. 人物03.psd
25.2 KB
268. 人物04.psd
24.2 KB
269. 人物05.psd
28.1 KB
270. 传动轴.dwg
36.2 KB
271. 传动轴.dwg
36.2 KB
272. 传动轴.dwg
37.1 KB
273. 传动轴.dwg
37.2 KB
274. 低速轴.DWG
28.2 KB
275. 住宅建筑图.dwg
164 KB
276. 使用“布局向导”创建布局.dwg
31.3 KB
277. 保存图层状态.dwg
47.6 KB
278. 偏心轮.dwg
25.1 KB
279. 偏心轮.dwg
37.8 KB
280. 偏心轮.dwg
37.8 KB
281. 偏心轮.dwg
39.4 KB
282. 六人餐桌.dwg
37.2 KB
283. 六人餐桌.dwg
88.8 KB
284. 其实学习cad就是这么简单.doc
29 KB
285. 内矩形花键.dwg
24.2 KB
286. 内矩形花键.dwg
39.5 KB
287. 冰箱.dwg
20.5 KB
288. 冰箱.dwg
30.7 KB
289. 几何线条.dwg
34.4 KB
290. 几何线条.dwg
38.8 KB
291. 凸形传动轮.dwg
227 KB
292. 凸形传动轮.dwg
39.9 KB
293. 别墅平面图.dwg
69.8 KB
294. 别墅灯具布置图.dwg
80.7 KB
295. 别墅立面图.dwg
77.2 KB
296. 剖面.dwg
210 KB
297. 剖面01~20.dwg
427 KB
298. 办公桌.dwg
108 KB
299. 办公桌.dwg
34.9 KB
300. 办公桌.dwg
56.7 KB
301. 办公桌.dwg
64.6 KB
302. 办公椅.dwg
41.4 KB
303. 办公椅.dwg
57.9 KB
304. 办公楼剖面图.dwg
65.5 KB
305. 加密文件解压方式.doc
29 KB
306. 千斤顶.CDC
8.5 KB
307. 单个视口的输出.DWG
272 KB
308. 单人床.dwg
34.9 KB
309. 单人床.dwg
34.9 KB
310. 单人床.dwg
46.6 KB
311. 单人沙发.dwg
38.9 KB
312. 单相电路图.dwg
43.8 KB
313. 单相电路图.dwg
43.8 KB
314. 卧室立面图.dwg
67.1 KB
315. 厨具.dwg
38.5 KB
316. 厨具.dwg
38.8 KB
317. 厨具1.dwg
38.4 KB
318. 厨具2.dwg
37.3 KB
319. 厨具3.dwg
37.2 KB
320. 双人床.dwg
116 KB
321. 双人床.dwg
20.6 KB
322. 双人床.dwg
20.6 KB
323. 双人床.dwg
227 KB
324. 双人床.dwg
49.1 KB
325. 台灯.dwg
185 KB
326. 台灯.dwg
21 KB
327. 台灯.dwg
37.9 KB
328. 台灯.dwg
51.2 KB
329. 各个设备电气原理图.dwg
4.86 MB
330. 吊扇.dwg
21.6 KB
331. 吊扇.dwg
50.6 KB
332. 吊灯.dwg
254 KB
333. 吊灯.dwg
353 KB
334. 吊钩.dwg
35.1 KB
335. 四人桌.dwg
37.6 KB
336. 四人桌.dwg
37.6 KB
337. 园林图块 (1).dwg
64.7 KB
338. 园林图块 (2).dwg
69.7 KB
339. 园林图块 (3).dwg
120 KB
340. 园林图块(4).dwg
316 KB
341. 园林规划图.dwg
887 KB
342. 图2-1电气工程常用图例(1).dwg
63.1 KB
343. 图2-2电气工程常用图例(2).dwg
60.8 KB
344. 图2-3电气工程常用图例(3).dwg
62.1 KB
345. 图2-4电气工程常用图例(4).dwg
61.8 KB
346. 图2-5电气工程常用图例(5).dwg
60.1 KB
347. 图2-6电气工程常用图例(6).dwg
57.6 KB
348. 图框.dwg
39 KB
349. 图纸目录.dwg
37.6 KB
350. 图纸目录.dwg
37.6 KB
351. 圆凳.dwg
89.7 KB
352. 圆凳.dwg
91.3 KB
353. 圆形床.dwg
88.2 KB
354. 圆形床.dwg
88.3 KB
355. 圆形拼花.dwg
20.8 KB
356. 圆形拼花.dwg
50.4 KB
357. 圆形沙发.dwg
45.2 KB
358. 圆形沙发.dwg
45.7 KB
359. 圆形窗.dwg
19.5 KB
360. 圆形窗.dwg
19.5 KB
361. 圆形窗.dwg
30 KB
362. 圆形窗.dwg
31.1 KB
363. 圆形餐桌.dwg
33.1 KB
364. 圆桌.dwg
31.2 KB
365. 圆桌.dwg
32.2 KB
366. 圆桌.dwg
32.8 KB
367. 圆桌.dwg
33.9 KB
368. 圆桶.dwg
31.6 KB
369. 圆桶.dwg
39.4 KB
370. 圆筒.dwg
261 KB
371. 圆筒.dwg
261 KB
372. 地面拼花.dwg
33.6 KB
373. 地面拼花.dwg
34.5 KB
374. 垫圈.dwg
23.5 KB
375. 垫圈.dwg
39.2 KB
376. 垫片.dwg
35.7 KB
377. 垫片.dwg
36.7 KB
378. 垫片.dwg
60 KB
379. 垫片.dwg
90.5 KB
380. 基座.dwg
55.6 KB
381. 基座.dwg
55.6 KB
382. 基米螺丝.dwg
34.9 KB
383. 基米螺丝.dwg
35.8 KB
384. 墩座.dwg
29.9 KB
385. 墩座.dwg
31.9 KB
386. 墩座.dwg
38.5 KB
387. 墩座.dwg
39.2 KB
388. 壁灯.dwg
21.6 KB
389. 壁灯.dwg
61.7 KB
390. 壳体.BAK
53.7 KB
391. 壳体.DWG
163 KB
392. 复印机.dwg
39.9 KB
393. 复印机.dwg
39.9 KB
394. 定位套.dwg
33.5 KB
395. 定位套.dwg
34.1 KB
396. 实体001~030.dwg
438 KB
397. 实体平面图001~028.dwg
306 KB
398. 实例2.dwg
61.9 KB
399. 实例_Page_01.jpg
168 KB
400. 实例_Page_02.jpg
175 KB
401. 实例_Page_03.jpg
182 KB
402. 实例_Page_04.jpg
79.2 KB
403. 实例_Page_05.jpg
82.5 KB
404. 实例_Page_06.jpg
223 KB
405. 实例_Page_07.jpg
227 KB
406. 实例_Page_08.jpg
172 KB
407. 实例_Page_09.jpg
99.9 KB
408. 实例_Page_10.jpg
180 KB
409. 实例_Page_11.jpg
177 KB
410. 实例_Page_12.jpg
196 KB
411. 实例_Page_13.jpg
227 KB
412. 客厅.dwg
38.4 KB
413. 客厅.dwg
48.4 KB
414. 客厅.dwg
84.8 KB
415. 客厅.tif
1.39 MB
416. 室内平面图-Model.dwf
38.4 KB
417. 室内平面图.dwg
272 KB
418. 室内平面图.dwg
35.2 KB
419. 室内平面图.dwg
35.4 KB
420. 射灯.dwg
37.6 KB
421. 射灯.dwg
37.9 KB
422. 小区规划效果图.dwg
52.2 KB
423. 小户型平面图.dwg
82.7 KB
424. 工件01~15.dwg
388 KB
425. 工作房.dwg
51 KB
426. 工作房.dwg
51.2 KB
427. 左侧远景.psd
182 KB
428. 差集.dwg
124 KB
429. 帘子.dwg
44 KB
430. 带轮.dwg
119 KB
431. 带轮.dwg
124 KB
432. 平面.dwg
208 KB
433. 平面门.dwg
36.7 KB
434. 并列视口的打印输出.DWG
672 KB
435. 床.dwg
93.5 KB
436. 床头射灯.dwg
63 KB
437. 床头柜.dwg
20.2 KB
438. 床头柜.dwg
21.9 KB
439. 床头柜.dwg
34.7 KB
440. 床头柜.dwg
40.3 KB
441. 床头柜.dwg
41.6 KB
442. 床头柜.dwg
46.6 KB
443. 床头柜.dwg
48 KB
444. 床头柜.dwg
50.8 KB
445. 床头灯.dwg
62.8 KB
446. 床平面.dwg
19.5 KB
447. 床平面.dwg
55.5 KB
448. 床平面图.dwg
101 KB
449. 床组合立面.dwg
53.8 KB
450. 底座.BAK
31.7 KB
451. 底座.DWG
46.5 KB
452. 底座.dwg
33.6 KB
453. 底座.dwg
33.7 KB
454. 底座.dwg
36.2 KB
455. 底座.dwg
36.2 KB
456. 底座.dwg
44.2 KB
457. 底座.dwg
44.2 KB
458. 底座视图.dwg
34.5 KB
459. 建筑图块.dwg
55.3 KB
460. 建筑图层.las
185 B
461. 建筑平面图.dwg
130 KB
462. 建筑平面图.dwg
565 KB
463. 建筑平面图.dwg
567 KB
464. 建筑群.dwg
35.5 KB
465. 开槽螺母.dwg
32.2 KB
466. 开槽螺母.dwg
36.2 KB
467. 弯月型支架.dwg
37.2 KB
468. 弯月型支架.dwg
50.9 KB
469. 弹簧盖.dwg
38.6 KB
470. 弹簧盖.dwg
38.7 KB
471. 弹簧视图.dwg
35.1 KB
472. 微波炉.dwg
39.4 KB
473. 微波炉.dwg
42.7 KB
474. 心轴.BAK
38.8 KB
475. 心轴.DWG
142 KB
476. 悬臂支座.dwg
37.2 KB
477. 悬臂支座.dwg
37.7 KB
478. 户型平面图 - STANDARD.zip
203 KB
479. 户型平面图.dwg
142 KB
480. 户型平面图.dwg
239 KB
481. 户型结构.dwg
22.1 KB
482. 户型结构.dwg
57.3 KB
483. 扇子.dwg
57.6 KB
484. 扇子.dwg
62.8 KB
485. 扇子装饰.dwg
58.6 KB
486. 扇形零件.dwg
21.4 KB
487. 扇形零件.dwg
38.1 KB
488. 手机建模练习.ppt
1.66 MB
489. 手柄.dwg
33.9 KB
490. 手柄.dwg
34.6 KB
491. 手表.dwg
67.2 KB
492. 手表.dwg
71.3 KB
493. 投影01~15.dwg
226 KB
494. 抽屉拉手.dwg
63.5 KB
495. 拼花.dwg
19 KB
496. 拼花.dwg
21.2 KB
497. 拼花平面.dwg
22.9 KB
498. 拼花平面.dwg
33.7 KB
499. 挂锁.dwg
104 KB
500. 挂锁.dwg
104 KB
501. 指北针.dwg
18.1 KB
502. 指北针.dwg
45 KB
503. 捕获.PNG
59 KB
504. 接头.dwg
41.5 KB
505. 接头.dwg
42.5 KB
506. 插头.dwg
38.6 KB
507. 插头.dwg
38.6 KB
508. 插头.dwg
45.6 KB
509. 插头.dwg
45.6 KB
510. 插头.wmv
245 KB
511. 插座.dwg
35.1 KB
512. 插座.dwg
35.1 KB
513. 插座布置图.dwg
76.8 KB
514. 摇把.dwg
32.5 KB
515. 摇把.dwg
34.2 KB
516. 操作杆.dwg
34.3 KB
517. 操作杆.dwg
35.7 KB
518. 支座.dwg
45.1 KB
519. 支座.dwg
49.2 KB
520. 支座.dwg
64.3 KB
521. 支撑轴.dwg
35.8 KB
522. 支撑轴.mpr
648 B
523. 支架.dwg
34 KB
524. 支架.dwg
34.7 KB
525. 支架.dwg
35.1 KB
526. 支架.dwg
76 KB
527. 教学楼.bak
3.46 MB
528. 教学楼.dwg
3.54 MB
529. 教学楼效果图-完成.psd
2.17 MB
530. 教学楼效果图.tga
564 KB
531. 数值.dwg
28.1 KB
532. 文具盒.dwg
219 KB
533. 方墩.dwg
319 KB
534. 方墩.dwg
63.3 KB
535. 方墩.dwg
64.1 KB
536. 时钟.dwg
20.4 KB
537. 时钟.dwg
22.4 KB
538. 时钟.dwl
42 B
539. 时钟.dwl2
195 B
540. 显示器.dwg
30.4 KB
541. 显示器.dwg
30.5 KB
542. 曲柄.dwg
34.8 KB
543. 曲柄.dwg
34.8 KB
544. 曲轴.dwg
39.5 KB
545. 曲轴.dwg
42.1 KB
546. 机件多面视图.dwg
37.5 KB
547. 机械件.dwg
43 KB
548. 机械件.dwg
43 KB
549. 机械制图1.dwg
36.1 KB
550. 机械制图10.dwg
36.5 KB
551. 机械制图11.dwg
35.7 KB
552. 机械制图12.dwg
38.3 KB
553. 机械制图13.dwg
35.9 KB
554. 机械制图14.dwg
41.3 KB
555. 机械制图15.dwg
37.3 KB
556. 机械制图16.dwg
39.9 KB
557. 机械制图17.dwg
36.9 KB
558. 机械制图18.dwg
36.4 KB
559. 机械制图19.dwg
40.1 KB
560. 机械制图2.dwg
37.3 KB
561. 机械制图20.dwg
33.1 KB
562. 机械制图21.dwg
34.4 KB
563. 机械制图21.dwg
34.4 KB
564. 机械制图22.dwg
35.4 KB
565. 机械制图22.dwg
35.4 KB
566. 机械制图23.dwg
36.5 KB
567. 机械制图23.dwg
36.5 KB
568. 机械制图24.dwg
33.9 KB
569. 机械制图24.dwg
33.9 KB
570. 机械制图25.dwg
34.3 KB
571. 机械制图25.dwg
34.3 KB
572. 机械制图26.dwg
38.6 KB
573. 机械制图26.dwg
38.6 KB
574. 机械制图27.dwg
37.7 KB
575. 机械制图27.dwg
37.7 KB
576. 机械制图28.dwg
38.5 KB
577. 机械制图28.dwg
38.5 KB
578. 机械制图29.dwg
33.5 KB
579. 机械制图29.dwg
33.5 KB
580. 机械制图3.dwg
39.5 KB
581. 机械制图30.dwg
34.9 KB
582. 机械制图30.dwg
34.9 KB
583. 机械制图31.dwg
40.6 KB
584. 机械制图31.dwg
40.6 KB
585. 机械制图32.dwg
39.9 KB
586. 机械制图32.dwg
39.9 KB
587. 机械制图33.dwg
37.5 KB
588. 机械制图33.dwg
37.5 KB
589. 机械制图34.dwg
39.5 KB
590. 机械制图34.dwg
39.5 KB
591. 机械制图35.dwg
46.6 KB
592. 机械制图36.dwg
35.4 KB
593. 机械制图37.dwg
37.4 KB
594. 机械制图38.dwg
39.7 KB
595. 机械制图39.dwg
31.6 KB
596. 机械制图4.dwg
38.5 KB
597. 机械制图40.dwg
30.9 KB
598. 机械制图41.dwg
47.4 KB
599. 机械制图42.dwg
48.8 KB
600. 机械制图43.dwg
36.9 KB
601. 机械制图44.dwg
30 KB
602. 机械制图45.dwg
35.4 KB
603. 机械制图46.dwg
33.4 KB
604. 机械制图47.dwg
43 KB
605. 机械制图48.dwg
40.5 KB
606. 机械制图49.dwg
35.6 KB
607. 机械制图5.dwg
41.1 KB
608. 机械制图50.dwg
31.4 KB
609. 机械制图51.dwg
29.5 KB
610. 机械制图52.dwg
209 KB
611. 机械制图53.dwg
222 KB
612. 机械制图54.dwg
206 KB
613. 机械制图55.dwg
249 KB
614. 机械制图56.dwg
259 KB
615. 机械制图56.dwg
259 KB
616. 机械制图57.dwg
183 KB
617. 机械制图57.dwg
183 KB
618. 机械制图58.dwg
188 KB
619. 机械制图58.dwg
188 KB
620. 机械制图59.dwg
335 KB
621. 机械制图59.dwg
335 KB
622. 机械制图6.dwg
38.3 KB
623. 机械制图60.dwg
61.6 KB
624. 机械制图60.dwg
61.6 KB
625. 机械制图61.dwg
248 KB
626. 机械制图61.dwg
248 KB
627. 机械制图62.dwg
47.6 KB
628. 机械制图62.dwg
47.6 KB
629. 机械制图69.dwg
45.3 KB
630. 机械制图7.bak
27.9 KB
631. 机械制图7.dwg
35 KB
632. 机械制图70.dwg
44 KB
633. 机械制图71.dwg
36.5 KB
634. 机械制图72.dwg
37.2 KB
635. 机械制图73.dwg
43 KB
636. 机械制图74.dwg
43.1 KB
637. 机械制图75.dwg
52.7 KB
638. 机械制图76.dwg
76.8 KB
639. 机械制图77.dwg
61.7 KB
640. 机械制图8.dwg
29.7 KB
641. 机械制图9.dwg
34.8 KB
642. 机械制图模板(DWG).DWG
26.3 KB
643. 机械图的符号标注.DWG
36.9 KB
644. 机械平面图1.dwg
136 KB
645. 机械平面图2.dwg
31 KB
646. 机械平面图3.dwg
36.9 KB
647. 机械平面图4.dwg
41.7 KB
648. 机械平面图5.dwg
37.9 KB
649. 机械平面图6.dwg
39.1 KB
650. 机械平面图7.dwg
36.8 KB
651. 机械平面图8.dwg
34 KB
652. 机械平面图9.dwg
36.8 KB
653. 机械模型的渲染.DWG
1.06 MB
654. 机械零件.dwg
100 KB
655. 机械零件.dwg
96.1 KB
656. 材料清单.dwg
44.2 KB
657. 材料清单.dwg
44.2 KB
658. 材料表.dwg
21.4 KB
659. 材料表.dwg
50.9 KB
660. 柱脚.dwg
168 KB
661. 标注公差尺寸.DWG
28.6 KB
662. 标注形位公差.DWG
36.5 KB
663. 标注技术要求.DWG
38.2 KB
664. 标注曲线性尺寸.DWG
25.4 KB
665. 标注直线性尺寸.DWG
29.1 KB
666. 标注零件序号(源文件).DWG
41 KB
667. 树冠.psd
155 KB
668. 树木01.psd
74.2 KB
669. 树木02.psd
148 KB
670. 树木03.psd
44.5 KB
671. 树木04.psd
81.8 KB
672. 梅花扳手.dwg
36.1 KB
673. 梅花扳手.dwg
36.5 KB
674. 梯子.dwg
79.4 KB
675. 梯子.dwg
83.2 KB
676. 棉被.dwg
35.2 KB
677. 棉被.dwg
35.8 KB
678. 椅子.dwg
32.7 KB
679. 椅子.dwg
38.7 KB
680. 植物.dwg
33.6 KB
681. 植物供应表.dwg
29.1 KB
682. 植物供应表.dwg
56.6 KB
683. 楼梯.dwg
152 KB
684. 楼梯.dwg
155 KB
685. 楼梯.dwg
173 KB
686. 模型空间的打印输出.DWG
157 KB
687. 橱柜.dwg
19 KB
688. 橱柜.dwg
21.7 KB
689. 橱柜.dwg
23.3 KB
690. 橱柜.dwg
46.1 KB
691. 水槽.dwg
31.4 KB
692. 水槽.dwg
78.2 KB
693. 水疗池给水图.dwg
68 KB
694. 水疗池设施.dwg
60.4 KB
695. 水龙头.dwg
250 KB
696. 沙发.dwg
148 KB
697. 沙发.dwg
240 KB
698. 沙发.dwg
32.2 KB
699. 沙发.dwg
32.2 KB
700. 沙发.dwg
65.9 KB
701. 沙发.dwg
66.1 KB
702. 沙发.dwg
73 KB
703. 沙发.dwg
73 KB
704. 沙发.dwg
83.9 KB
705. 油杯.DWG
28.5 KB
706. 法兰盘.dwg
44.5 KB
707. 泵.dwg
496 KB
708. 泵盖图.dwg
38.1 KB
709. 洁具1.dwg
39.1 KB
710. 洁具2.dwg
42.1 KB
711. 洁具3.dwg
37.2 KB
712. 洗手池.dwg
48.8 KB
713. 洗手池.dwg
48.9 KB
714. 洗菜盆.dwg
18.5 KB
715. 洗菜盆.dwg
18.5 KB
716. 洗菜盆.dwg
75.9 KB
717. 洗菜盆.dwg
93.2 KB
718. 浴缸.dwg
22.3 KB
719. 浴缸.dwg
22.3 KB
720. 浴霸.dwg
22.3 KB
721. 浴霸.dwg
22.3 KB
722. 涡轮清单.dwg
41.8 KB
723. 涡轮清单.dwg
41.8 KB
724. 深沟球轴承.dwg
37.1 KB
725. 深沟球轴承.dwg
38 KB
726. 灯具.dwg
36 KB
727. 灯具.dwg
36.5 KB
728. 灯泡.dwg
35.3 KB
729. 灶.dwg
20.6 KB
730. 灶台.dwg
24 KB
731. 灶台.dwg
34.7 KB
732. 灶台.dwg
36.8 KB
733. 灶台.dwg
66.2 KB
734. 煤气灶.dwg
63.4 KB
735. 煤气灶.dwg
63.6 KB
736. 照相机02.JPG
275 KB
737. 瓶塞.dwg
209 KB
738. 瓶塞.dwg
209 KB
739. 瓶子.dwg
149 KB
740. 瓶子.dwg
150 KB
741. 电气图.dwg
46.6 KB
742. 电气图.dwg
46.6 KB
743. 电脑主机箱.dwg
140 KB
744. 电脑主机箱.dwg
93.8 KB
745. 电视机.dwg
169 KB
746. 电视机.dwg
214 KB
747. 电视柜.dwg
37.4 KB
748. 电话机.dwg
41.6 KB
749. 电话机.dwg
41.7 KB
750. 电路图.dwg
43.5 KB
751. 电路图.dwg
45.1 KB
752. 皮质.jpg
32.4 KB
753. 盆景.dwf
7.5 KB
754. 盆景.dwf
7.51 KB
755. 盆景.dwg
66.3 KB
756. 盘类零件.dwg
40 KB
757. 盘类零件.dwg
40.1 KB
758. 石桌.dwg
208 KB
759. 石桌.dwg
211 KB
760. 空调窗.dwg
36.9 KB
761. 空调窗.dwg
51 KB
762. 窗.dwg
33.6 KB
763. 窗帘.dwg
34.8 KB
764. 窗帘.dwg
35 KB
765. 窗户.dwg
60.3 KB
766. 窗户组合.dwg
159 KB
767. 立面.dwg
128 KB
768. 立面.dwg
88.3 KB
769. 立面图-北.dwg
66 KB
770. 立面窗.dwg
37.2 KB
771. 立面窗.dwg
51.2 KB
772. 立面门.dwg
38.9 KB
773. 端盖.BAK
31.4 KB
774. 端盖.DWG
115 KB
775. 端盖.dwg
39.4 KB
776. 等角01~20.dwg
287 KB
777. 箱体.dwg
35.7 KB
778. 箱体.dwg
37.6 KB
779. 练习10-2.dwg
49.4 KB
780. 练习10-3.dwg
50.7 KB
781. 练习10-4.dwg
44.7 KB
782. 练习10-5.dwg
45.9 KB
783. 练习10-6.dwg
45.2 KB
784. 练习10-7.dwg
45.7 KB
785. 练习11-1.dwg
49.9 KB
786. 练习11-2.dwg
61.6 KB
787. 练习11-3.dwg
50.2 KB
788. 练习11-4.dwg
49.9 KB
789. 练习11-5.dwg
49.9 KB
790. 练习11-6.dwg
43.2 KB
791. 练习11-9.dwg
61.9 KB
792. 练习12-1.dwg
74.4 KB
793. 练习12-2.dwg
61.9 KB
794. 练习12-3.dwf
15.5 KB
795. 练习12-4.dwg
56.2 KB
796. 练习14-1.dwg
271 KB
797. 练习14-2.dwg
98.4 KB
798. 练习14-3.dwg
98.1 KB
799. 练习14-4.dwg
259 KB
800. 练习14-5.dwg
79.2 KB
801. 练习14-6.dwg
78.5 KB
802. 练习14-7.dwg
128 KB
803. 练习14-8.dwg
125 KB
804. 练习14-9.dwg
77.5 KB
805. 练习15-1.dwg
75.9 KB
806. 练习15-2.dwg
71.7 KB
807. 练习15-3.dwg
46.4 KB
808. 练习15-4.dwg
95.3 KB
809. 练习15-8.dwg
52.9 KB
810. 练习15-9.dwg
74.8 KB
811. 练习2-2.dwg
116 KB
812. 练习2-5.dwg
122 KB
813. 练习3-3.dwg
156 KB
814. 练习4-1.dwg
139 KB
815. 练习4-10.dwg
41.9 KB
816. 练习4-11.dwg
73.6 KB
817. 练习4-12.dwg
45.9 KB
818. 练习4-13.dwg
73.1 KB
819. 练习4-14.dwg
61.7 KB
820. 练习4-3.dwg
68.6 KB
821. 练习4-4.dwg
71.6 KB
822. 练习4-6.dwg
61.2 KB
823. 练习4-7.dwg
38.9 KB
824. 练习4-8.dwg
65.3 KB
825. 练习4-9.dwg
44 KB
826. 练习5-1.dwg
82.1 KB
827. 练习5-4.dwg
74.1 KB
828. 练习5-5.dwg
74.6 KB
829. 练习5-6.dwg
28.9 KB
830. 练习5-7.dwg
71.6 KB
831. 练习5-8a.dwg
26.3 KB
832. 练习5-8b.dwg
26.3 KB
833. 练习5-9.dwg
44.7 KB
834. 练习6-1.dwg
1.66 MB
835. 练习6-2.dwg
1.69 MB
836. 练习7-1.dwg
40.4 KB
837. 练习7-2.dwg
67.6 KB
838. 练习8-1.dwg
143 KB
839. 练习8-2.DWG
27.2 KB
840. 练习8-3.dwg
43.8 KB
841. 练习8-4.dwg
43.8 KB
842. 练习9-2.DWG
32.8 KB
843. 练习9-4.DWG
26.3 KB
844. 练习9-6.dwg
47 KB
845. 组合柜.dwg
20.9 KB
846. 组合柜.dwg
21.4 KB
847. 结构平面.dwg
41.4 KB
848. 结构平面.dwg
58.8 KB
849. 绞杠.BAK
45.6 KB
850. 绞杠.DWG
30.3 KB
851. 综合实例1.dwg
71.7 KB
852. 综合实例2.dwg
59.9 KB
853. 绿化.dwg
39.2 KB
854. 编写零件序号.DWG
41 KB
855. 胡桃木-03.JPG
17.5 KB
856. 花瓶.dwg
79 KB
857. 花瓶.dwg
91.5 KB
858. 花盆.dwg
268 KB
859. 花盆.jpg
144 KB
860. 花键.dwg
37.4 KB
861. 花键.dwg
37.8 KB
862. 范例001~085.dwg
531 KB
863. 茶几.dwg
38.4 KB
864. 茶几.dwg
40.1 KB
865. 茶几.dwg
46.3 KB
866. 茶几.dwg
72.1 KB
867. 茶几.dwg
87.9 KB
868. 茶杯.dwg
172 KB
869. 茶杯.dwg
181 KB
870. 草坪.jpg
57.3 KB
871. 草坪阴影.psd
504 KB
872. 蜗杆.dwg
39.7 KB
873. 蜗杆.dwg
57.5 KB
874. 螺套.BAK
52.1 KB
875. 螺套.DWG
50.6 KB
876. 螺帽.dwg
33.6 KB
877. 螺帽.dwg
37.2 KB
878. 螺杆.BAK
58.1 KB
879. 螺杆.DWG
65 KB
880. 螺杆.dwg
117 KB
881. 螺杆.dwg
122 KB
882. 螺栓.DWG
27.6 KB
883. 螺栓视图.dwg
130 KB
884. 螺钉旋具.dwg
31.4 KB
885. 螺钉旋具.dwg
33.2 KB
886. 衣服.dwg
47.5 KB
887. 衣服.dwg
47.8 KB
888. 衣服.dwg
47.8 KB
889. 衣服.pdf
2.41 KB
890. 衣柜.dwg
35.3 KB
891. 衣柜.dwg
37.3 KB
892. 衣柜.dwg
44 KB
893. 装饰画.dwg
122 KB
894. 装饰画.dwg
47.5 KB
895. 视觉样式.dwg
164 KB
896. 角带轮.dwg
39.6 KB
897. 角带轮.dwg
39.6 KB
898. 设置绘图界限.dwg
47 KB
899. 设置绘图界限.dwg
89.4 KB
900. 贝壳.dwg
44.2 KB
901. 贝壳.dwg
45.6 KB
902. 路灯.dwg
301 KB
903. 路面.psd
212 KB
904. 车轮.dwg
189 KB
905. 车轮.dwg
192 KB
906. 转盘.dwg
155 KB
907. 转盘.dwg
155 KB
908. 转轴.dwg
45.4 KB
909. 转轴.dwg
47.5 KB
910. 转阀.dwg
110 KB
911. 转阀.dwg
113 KB
912. 轮盘.dwg
92.8 KB
913. 轮盘.dwg
93.9 KB
914. 轴固定座.dwg
231 KB
915. 轴承.DWG
29.9 KB
916. 轴支架.dwg
48 KB
917. 轴支架.dwg
48.3 KB
918. 轴支架.dwg
73.7 KB
919. 轴支架.dwg
78.6 KB
920. 轴零件.dwg
21.5 KB
921. 轴零件.dwg
38.6 KB
922. 轴零件图.dwg
45 KB
923. 轴零件平面图.dwg
45.6 KB
924. 连接盘.dwg
31.8 KB
925. 连接盘.dwg
33.4 KB
926. 连杆.BAK
41.9 KB
927. 连杆.DWG
117 KB
928. 连杆.dwg
39 KB
929. 道路平面图.dwg
53.9 KB
930. 酒具.dwg
54.8 KB
931. 酒具.dwg
54.8 KB
932. 酒吧图块.dwg
76.4 KB
933. 酒吧平面图.dwg
80.9 KB
934. 钳座.dwg
39.8 KB
935. 钳座.dwg
42.5 KB
936. 铅笔.dwg
138 KB
937. 长方体.dwg
31.2 KB
938. 长方体.dwg
38.4 KB
939. 长沙发.dwg
40 KB
940. 门.dwg
25.5 KB
941. 门剖面图.dwg
37.2 KB
942. 门剖面图.dwg
37.2 KB
943. 门立面.dwg
37.4 KB
944. 门立面.dwg
37.4 KB
945. 门组合.dwg
62.9 KB
946. 间歇轮.dwg
40 KB
947. 间歇轮.dwg
40.4 KB
948. 阀体.dwg
284 KB
949. 阀盖.dwg
116 KB
950. 阀盖.dwg
120 KB
951. 阀盖.dwg
25.7 KB
952. 阀盖.dwg
41 KB
953. 阀视图.dwg
55.9 KB
954. 零件.dwg
59.7 KB
955. 零件.dwg
60.6 KB
956. 零部件.dwg
42.6 KB
957. 零部件.dwg
44.4 KB
958. 鞋柜.dwg
20.2 KB
959. 鞋柜.dwg
31.7 KB
960. 顶垫.BAK
46.9 KB
961. 顶垫.DWG
33.5 KB
962. 飞机.jpg
146 KB
963. 飞镖.JPG
37.9 KB
964. 餐厅.dwg
885 KB
965. 餐桌.dwg
32.3 KB
966. 餐桌.dwg
32.4 KB
967. 餐桌.dwg
330 KB
968. 餐桌.dwg
41.5 KB
969. 餐桌底视图.dwg
29.7 KB
970. 餐桌椅.dwf
7.28 KB
971. 餐桌椅.dwg
34.9 KB
972. 餐桌椅.dwg
37.5 KB
973. 餐桌素材.dwg
75.5 KB
974. 餐盒.dwg
106 KB
975. 餐盒.dwg
111 KB
976. 餐盘.jpg
30 KB
977. 饮水机.dwg
21.5 KB
978. 饮水机.dwg
21.7 KB
979. 马鞍形零件.dwg
39 KB
980. 马鞍形零件.dwg
39.2 KB
981. 高背椅.dwg
478 KB
982. 鸽子.psd
51 KB
983. 鼠标.bmp
1.37 MB
984. 鼠标.dwg
337 KB
985. 齿轮.dwg
21.1 KB
986. 齿轮.dwg
36.2 KB
举报/反馈
免责申明:
本网站模型由用户自行上传,如权利人发现存在误传其作品情形,请及时与本站联系。
【CAD练习学习图纸新手图库机械建筑电气设计基础dwg素材】相关作品
模型报错
模型报错类型:
分类错误
版本错误
雷同或版权问题,重复ID
图片与模型不一致
文件不完整
解压文件打不开或有问题
模型报错描述:
联系方式
提交报错
提示
×
下载该图档需要消耗300金币!
确认下载
我和会话