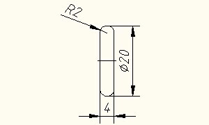
无碳小车AutoCAD,proe/creo图档

图档名称为:无碳小车,属于交通运输,车辆工程分类,软件为AutoCAD,proe/creo, 图纸格式为dwg,pdf,prt,可在线预览,可编辑,可供设计参考

加入收藏
模型参数

模型ID:10243339

模型大小:455.61M

软件版本: AutoCAD 2007,proe/creo

模型格式:dwg,pdf,prt

是否可编辑:可修改,包括参数

上传时间:2025-06-09

图纸介绍:

下载模型
文件列表
1. 1.jpg
6.15 KB
2. 1.绕S项目组获奖项目名单.xls
44 KB
3. 10438174_997592.jpg
78.8 KB
4. 10根桩.3gp
32.5 MB
5. 10根桩有测距视频.3gp
116 MB
6. 2.jpg
9.69 KB
7. 2004ban20150121.dwg
345 KB
8. 2010常州大学无碳小车方案.doc
672 KB
9. 20140323022811547.jpg
36.6 KB
10. 20140730195010_46626.jpg
99.6 KB
11. 20140804230654_45857.jpg
142 KB
12. 20140809080812_67981.jpg
63.9 KB
13. 20140809080814_27974.jpg
55.4 KB
14. 20140809080815_30858.jpg
59.8 KB
15. 20140809080815_89565.jpg
95.4 KB
16. 20150121.dwg
409 KB
17. 2015年江苏省大学生科技创新成果展作品推报通知.docx
25.9 KB
18. 3.jpg
5.82 KB
19. 5.优秀组织奖获奖名单.xls
37.5 KB
20. 8字无碳小车.ppt
468 KB
21. 8字无碳小车工艺设计报告.doc
63 KB
22. 8字无碳小车结构设计报告.doc
62.5 KB
23. CN201110138390-“∽”形行走的无...-审定授权.pdf
1.23 MB
24. CN201320036107-一种越障碍无碳小...-实用新型.pdf
423 KB
25. CN201320782261-一种可实现指定轨...-实用新型.pdf
2.03 MB
26. QQ图片20141209004219.jpg
74.3 KB
27. QQ图片20141209004248.jpg
69.8 KB
28. QQ图片20141209004253.jpg
78.3 KB
29. QQ图片20150122102300.jpg
34.6 KB
30. Thumbs.db
61.5 KB
31. cheshen.dwg
57.3 KB
32. cheshen.prt.5
170 KB
33. chilun.dwg
56.6 KB
34. dachilun.prt.1
2.64 MB
35. dachilun.prt.2
2.49 MB
36. dachilun.prt.3
2.65 MB
37. dalun.prt.1
87.5 KB
38. daoxianggan1.prt.3
48.8 KB
39. daoxiangkuang.prt.3
64.5 KB
40. f04da220ed25132baabb4d.jpg
92.9 KB
41. lunzi.dwg
56.1 KB
42. qianlun.prt.3
105 KB
43. qianlunjia.dwg
56.9 KB
44. qianlunjia.prt.3
168 KB
45. sp_b02be43284abccb3efc99cf4378af919.jpg
39.9 KB
46. trail.txt.1
19.4 KB
47. trail.txt.2
12.1 KB
48. trail.txt.3
10.8 KB
49. wanxiangjie.dwg
55.9 KB
50. wanxiangjie.prt.1
96.5 KB
51. wanxianhjie2.prt.1
49.2 KB
52. xiaochilun.prt.3
743 KB
53. xin_5931207121531093188614.jpg
69.7 KB
54. zhichengban.dwg
58.6 KB
55. zhichengban.prt.2
105 KB
56. zhichengban1.prt.3
90.3 KB
57. zhichengban2.prt.3
91.4 KB
58. zhichengban3.prt.2
93.1 KB
59. zhongchilun.prt.3
2.28 MB
60. zhongchilun60.prt.3
1.45 MB
61. zhongwujiagai.dwg
55.6 KB
62. zhongwujiagai.prt.2
73.4 KB
63. zhou.dwg
58.6 KB
64. zhou1.prt.1
120 KB
65. zhou2.prt.1
93.1 KB
66. zhou3.prt.1
99.7 KB
67. zhou4.prt.1
124 KB
68. zhoucheng1.prt.3
413 KB
69. zhoucheng2.prt.1
411 KB
70. zhouwujia.prt.1
47.9 KB
71. zhuangpeitu.asm.9
150 KB
72. ~$加工工艺过程卡片格式.doc
162 B
73. 南理工走8字.MP4
46 MB
74. 参赛注册.doc
52 KB
75. 参赛注册.doc
52 KB
76. 后轮加工工艺过程卡片.docx
61.8 KB
77. 后轮轴及从动齿轮轴零件加工工艺方案的成本分析.docx
38.4 KB
78. 后轮轴及从动齿轮轴零件的工程管理设计报告.docx
134 KB
79. 后轮零件加工工艺方案的成本分析.docx
39.6 KB
80. 后轮零件的工程管理设计报告.docx
139 KB
81. 工程管理报告.doc
247 KB
82. 工程管理报告单件.doc
182 KB
83. 工程管理报告批量.doc
182 KB
84. 工程管理方案格式.doc
34.7 KB
85. 工程管理方案格式.doc
37 KB
86. 工程管理方案格式.doc
37 KB
87. 工艺成本分析卡片格式.doc
655 KB
88. 工艺成本分析方案.doc
112 KB
89. 工艺成本分析方案格式.doc
112 KB
90. 徽标说明.ppt
943 KB
91. 批量零件工艺成本分析卡片 .doc
631 KB
92. 支座工艺过程卡片.docx
53.6 KB
93. 支座零件加工工艺方案的成本分析.docx
36.7 KB
94. 支座零件的工程管理设计报告.docx
121 KB
95. 支架工艺过程卡片.docx
56.1 KB
96. 支架零件加工工艺方案的成本分析.docx
41.2 KB
97. 支架零件的工程管理设计报告.docx
147 KB
98. 无碳小车.doc
250 KB
99. 无碳小车加工成本分析报告.doc
128 KB
100. 无碳小车尺寸.doc
718 KB
101. 无碳小车工程管理方案.doc
33 KB
102. 无碳小车工艺设计报告模板.doc
140 KB
103. 无碳小车结构设计报告.doc
235 KB
104. 无碳小车结构设计陆晓磊组.doc
67.5 KB
105. 机械加工工艺方案.doc
50 KB
106. 机械加工工艺方案格式.doc
50 KB
107. 机械加工工艺方案格式.doc
85 KB
108. 正式比赛通知——江苏省大学生工程训练综合能力竞赛.pdf
4.7 MB
109. 江苏省大学生工程训练综合能力竞赛暨全国选拔赛.doc
33 KB
110. 照片 039.MOV
60.8 MB
111. 照片 040.jpg
1.65 MB
112. 照片 041.MOV
92.9 MB
113. 照片 042.MOV
32 MB
114. 照片 043.jpg
1.89 MB
115. 照片 044.jpg
1.94 MB
116. 照片 045.jpg
1.94 MB
117. 皮带轮01.dwg
73.2 KB
118. 粗精车倒角.jpg
6.69 KB
119. 结构设计报告.doc
395 KB
120. 结构设计报告.doc
972 KB
121. 结构设计报告.docx
135 KB
122. 结构设计方案.doc
57.5 KB
123. 结构设计方案格式.doc
57.5 KB
124. 设计说明.jpg
632 KB
125. 车板加工工艺卡片.docx
58.4 KB
126. 车板零件加工工艺方案的成本分析.docx
37.3 KB
127. 车板零件的工程管理设计报告.docx
131 KB
128. 转向轮加工工艺过程卡片.docx
88.4 KB
129. 转向轮的工艺设计方案.doc
108 KB
130. 转向轮的工艺设计方案.doc
99 KB
131. 转向轮零件加工工艺方案的成本分析.docx
39.9 KB
132. 转向轮零件的工程管理设计报告.docx
147 KB
133. 轴侧图.dwg
361 KB
134. 轴加工工艺过程卡片.docx
64.2 KB
135. 陆晓磊组无碳小车视频.3gp
36.7 MB
136. 零件工艺成本分析卡片.doc
627 KB
【无碳小车】相关作品
下载提示
×

下载该图档需要消耗400金币!

确认下载
-- 热门充值套餐 · 限时优惠 --
加载中