0065-工艺夹具-减速箱体零件工艺规程及加工φ52H8孔夹具设计AutoCAD图档

图档名称为:0065-工艺夹具-减速箱体零件工艺规程及加工φ52H8孔夹具设计,属于设备部件,工器具分类,软件为AutoCAD, 图纸格式为dwg,pdf,可在线预览,可编辑,可供设计参考

加入收藏
模型参数

模型ID:10240905

模型大小:2.47M

软件版本: AutoCAD 2000

模型格式:dwg,pdf

是否可编辑:可修改,包括参数

上传时间:2025-06-06

图纸介绍:

下载模型
文件列表
1. Thumbs.db
52.5 KB
2. 减数箱体毛坯图1.dwg
111 KB
3. 减速器箱体毛坯图.png
28.7 KB
4. 夹具体.dwg
101 KB
5. 夹具体.png
16.7 KB
6. 定位板.dwg
96.6 KB
7. 定位板.png
16.3 KB
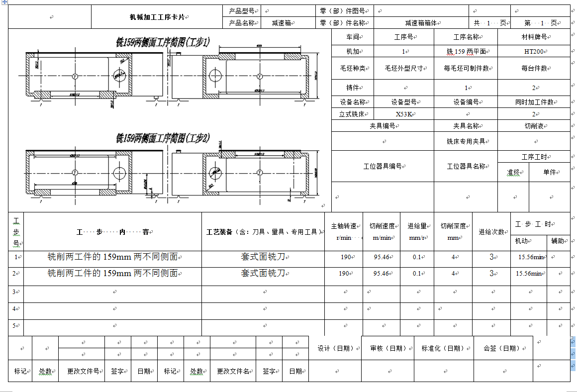
8. 工序卡.png
95.4 KB
9. 工艺过程卡.png
39.4 KB
10. 工艺过程卡片.doc
46 KB
11. 挡板.dwg
91.4 KB
12. 挡板.png
15.7 KB
13. 摘要.png
85.5 KB
14. 支架.dwg
100 KB
15. 支架.png
10.9 KB
16. 文件预览.png
315 KB
17. 目录.png
53.7 KB
18. 翻译.doc
231 KB
19. 英文文献.pdf
229 KB
20. 装配图.dwg
390 KB
21. 论文内容预览.png
286 KB
22. 说明书.doc
3.85 MB
23. 铣159面工序卡片.doc
66.5 KB
24. 镗孔夹具装配图.png
37.2 KB
【0065-工艺夹具-减速箱体零件工艺规程及加工φ52H8孔夹具设计】相关作品
下载提示
×

下载该图档需要消耗10金币!

确认下载
-- 热门充值套餐 · 限时优惠 --
加载中